Osoby zajmujące się amatorsko fotografią na pewno wiedzą jak przydatny bywa światłomierz. Jego zadaniem jest pomiar natężenia światła padającego na określoną powierzchnię. Urządzenie mierzy natężenie światła w luksach.
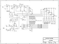
Całość zbudowana jest na mikrokontrolerze ATtiny26. Do pomiaru wykorzystana jest fotodioda, której odpowiedź w postaci napięcia jest kalibrowana przez wzmacniacz operacyjny i wysyłana na przetwornik analogowo cyfrowy mikrokontrolera. Wartość w luksach przedstawiana jest na wyświetlaczu siedmio segmentowym. Urządzenie jest w stanie wykonać poprawnie pomiary do wartości natężenia światła 30000 lx.
Źródło http://elm-chan.org/works/lux/report.html
Fajne? Ranking DIY
