logo elektroda
logo elektroda
X
logo elektroda
REKLAMA
REKLAMA
Adblock/uBlockOrigin/AdGuard mogą powodować znikanie niektórych postów z powodu nowej reguły.

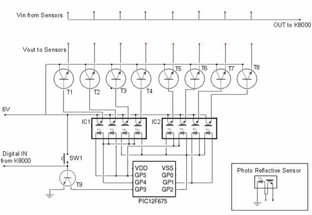
Multiplekser dla czujników

JIIIS 01 Maj 2008 18:34 3721 2
REKLAMA
  • Multiplekser dla czujników

    Urządzenie jest prostym 8-portowym przełącznikiem dla sygnałów analogowych i cyfrowych. Sterowane jest przez mikrokontroler PIC 12F675, posiada 1 wejście analogowe, 1 wejście cyfrowe i 8 wyjść analogowych. Zostało zaprojektowane dla robota (http://www.rmcybernetics.com/projects/DIY_Devices/homemade_robot.htm), którego płyta główna K8000 posiada tylko 4 wejścia analogowe. Zdecydowano się użyć mikrokontrolera PIC, żeby zapewnić niewielkie rozmiary multipleksera.

    Do odczytu danych z czujników podłączonych do multipleksera została napisana sub-procedura GetPlexer w kodzie głównym robota. Pętla procedury może odczytywać wartość analogowych wejść, przechowywać je w tablicy i przełączać wyjście cyfrowe. Pętla jest wykonywana, aż zostaną odczytane dane z każdego z ośmiu czujników.

    For plex = 1 to 8
    ReadADChannel 2
    Sen%(plex)= ad%(2)
    SetIOChannel 9
    ClearIOChannel 9
    Next plex


    Po podłączeniu zasilania aktywny jest pierwszy czujnik, tak jakby był podłączony bezpośrednio do analogowego wejścia płyty K8000. W momencie, gdy sygnał z wyjścia cyfrowego płyty zmieni się z niskiego na wysoki zasilanie pierwszego czujnika zostanie odcięte i aktywowany zostanie następny czujnik. Proces ten powtarza się, aż aktywowany zostanie ostatni z czujników, a następnie startuje od nowa.

    Multiplekser dla czujników

    Multiplekser dla czujników

    Źródło: http://www.rmcybernetics.com/projects/DIY_Devices/homemade_sensor_multiplexer.htm

    Fajne? Ranking DIY
    O autorze
    JIIIS
    Poziom 17  
    Offline 
    JIIIS napisał 246 postów o ocenie 21, pomógł 28 razy. Mieszka w mieście Kraków. Jest z nami od 2008 roku.
  • REKLAMA
  • #3 5098590
    JIIIS
    Poziom 17  
    W.P. napisał:
    A czy brałeś pod uwagę CMOS-owy multiplekser 4051?


    nie bralem pod uwage, zauwaz, ze artykul jest tlumaczeniem ze strony podanej na jego koncu :P a nie moim wlasnym projektem
REKLAMA