logo elektroda
logo elektroda
X
logo elektroda
REKLAMA
REKLAMA
Adblock/uBlockOrigin/AdGuard mogą powodować znikanie niektórych postów z powodu nowej reguły.

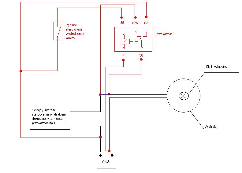
Ręczne sterowanie wiatrakiem

Marcinnelli 06 Maj 2008 00:12 2999 3
REKLAMA
  • #1 5110099
    Marcinnelli
    Poziom 11  
    Witam. Mam taki problem. Mam do zrobienia instalacje majaca na celu ręczne uruchamianie wentylatora chłodnicy w momencie kiedy jest to potrzebne. No i wydumałem sobie taką oto instalację:
    Ręczne sterowanie wiatrakiem
    Linie czerwone to linie dodane
    Linie czarne- instalacja seryjna
    Linie/ połączenia niebieskie- usunięte

    A więc tak:
    1) czy moge pozwolić sobie na takie podłączenie przekaznika (bede miał sterowanie ręczne kiedy zechce jednoczesnie w pozostałym czasie bedzie sterowanie seryjne.
    2)czy linie zasilającą przełącznik(w kabinie) powinienem zabezpieczyć jakimś bezpiecznikiem? (jak tak to jakim najlepiej)
    3)Czy wentylator w samochodzie bez problemu znosi 12v (nie mam pojecia jakie jest tam podawane napiecie)
    4) Jakie parametry powinien mieć przekaznik.

    Wielkie dzieki za odpowiedzi!

    Wszelkie dodatkowe uwagi mile widziane!

    Pozdrawiam!
  • REKLAMA
  • #2 5110122
    kryszt44
    Poziom 17  
    poco to tak rozbudowywać wystarczy pod seryjny przekaźnik podać przez przełącznik masę na sterowaniu, w ogóle nie wiem co to za pojazd tylko przypuszczam że sterowanie jest masą. Wentylator jest zasilany 12v
  • REKLAMA
  • #3 5110276
    Marcinnelli
    Poziom 11  
    Seryjny układ jest na tyle rozbudowany ze nie poodnajdywałem jeszcze wszystkich obwodów i jest porozrzucane pod całą maską. najpierw sproboje zasterować seryjny przekaznik ale obawiam sie po prostu ze nie da to porządanego efektu. A samochod to Peugeot 206.

    Dodano po 30 [minuty]:

    jednak w razie czego wolalbym miec cos w zanadrzu, a nie wiem co z punktami 1,2,4....
  • #4 5113601
    kryszt44
    Poziom 17  
    Jeśli już tak chcesz usilnie możesz to wykonać:
    1. tak
    2.bezpiecznik nie potrzebny jeśli będziesz sterował masą.
    4.30-40A
REKLAMA