logo elektroda
logo elektroda
X
logo elektroda
REKLAMA
REKLAMA
Adblock/uBlockOrigin/AdGuard mogą powodować znikanie niektórych postów z powodu nowej reguły.

2w1 Zegarek i zaawansowany kalkulator

mi_ma 11 Maj 2008 13:15 8260 10
REKLAMA
  • 2w1 Zegarek i zaawansowany kalkulator

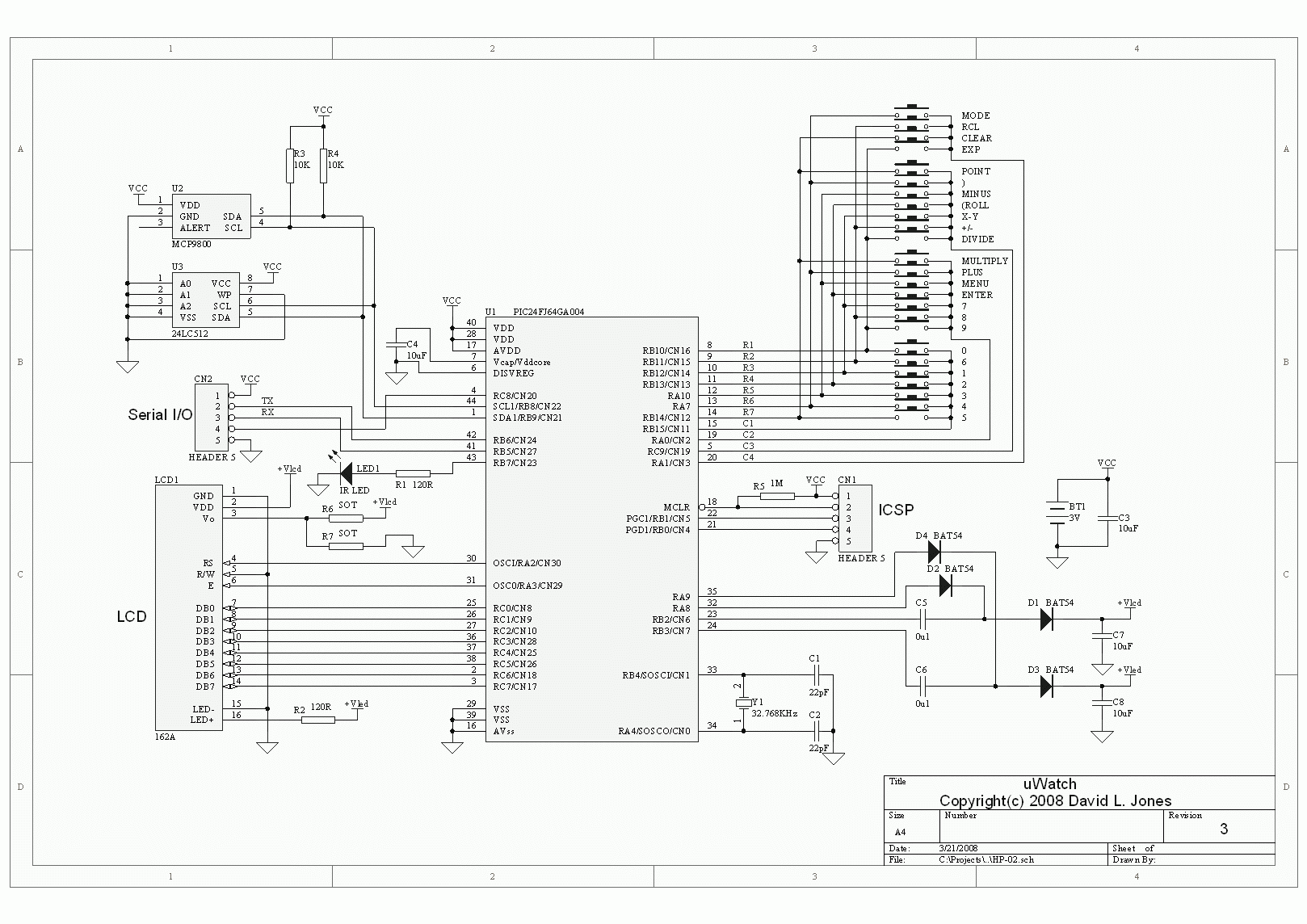
    Na forum pojawiało sie już wiele zegarków z różnymi funkcjami. Tym razem dosyć ciekawy zegarek z kalkulatorem. Zamiast tradycyjnych wyświetlaczy mamy tutaj wyświetlacz LCD 2x16. Oprócz prostych działań typu dodaj, usuń, podziel, kalkulator ma wbudowane bardziej przydatne funkcje takie jak w kalkulatorach naukowych. Płytka przygotowana jest do podłączenia pod port RS232 oraz diodę podczerwoną. Całość zbudowana jest na mikrokotrolerze PIC24FJ64GA. Program do mikrokontrolera ma być udostępniony na licencji GPL, co oznacza, ze projekt będzie typu Open Source.

    2w1 Zegarek i zaawansowany kalkulator2w1 Zegarek i zaawansowany kalkulator
    2w1 Zegarek i zaawansowany kalkulator2w1 Zegarek i zaawansowany kalkulator
    2w1 Zegarek i zaawansowany kalkulator2w1 Zegarek i zaawansowany kalkulator

    Źródło http://www.calcwatch.com/index.html

    Fajne? Ranking DIY
    O autorze
    mi_ma
    Tłumacz Redaktor
    Offline 
    Specjalizuje się w: elektronika wojskowa
    mi_ma napisał 831 postów o ocenie 809. Mieszka w mieście Wrocław. Jest z nami od 2006 roku.
  • REKLAMA
  • REKLAMA
  • #3 5129704
    OldSkull
    Poziom 28  
    Z tego co widzę, zegarek jest ciekawy, nieźle upakowany w środku (tylko te baterie mogłyby być nieco inaczej zorganizowane), ale i dość gruby. Nie znalazłem informacji jak dużo waży - no właśnie, ile?
  • #4 5130339
    matelektronik
    Poziom 17  
    U mnie w szkole nauczyciele nie lubią jak uczniowie korzystają z kalkulatorów z komórek. Wiec wydaje i się że jest jakiś sens konstruować takie coś. Tylko trochę przerażają te podzespoły w SMD.
  • REKLAMA
  • #5 5130566
    rafels
    Poziom 25  
    Komórkę może mieć każdy, zrobić coś takiego potrafi już nie każdy. Zresztą nie ma co dyskutować o sensowności konstrukcji DIY. Wartość tego czego się można nauczyć konstruując takie coś jest nieoceniona. A i radość z uruchomienia takiego cuda jest bezcenna.
  • #6 5130649
    szakamason
    Poziom 13  
    Ciekawe, skąd taki malusi LCD 2x16, w Polsce takiego jeszcze nie spotkałem:)
  • REKLAMA
  • #7 5131636
    byrrt
    Poziom 21  
    LCD chyba jest właśnie normalny - standardowy.. Przez co cała konstrukcja też mała nie jest.. Mnie interesuje na ile wystarcza bateria w tym cacku bo nawet jeżeli układ pobiera te 5mA (sam LCD pewnie bierze z 2) to praca na takich bateriach zbyt długa nie będzie.. Ciekawy jestem kodu bo o ile kalkulator ma faktycznie rozbudowane funkcje matematyczne i uwzględnia np kolejności działań/nawiasy itp to nie jest tak prosto napisać taki kalkulatorek.. Chodzi chociażby o dokładności w obliczeniach..
  • #8 5131903
    pasorzytek
    Poziom 16  
    lcd nie jest normalny porównaj go z wielkością ręki ;) a projekt świetny. choć z bateriami może być krucho
  • #9 5131986
    Gonza
    Poziom 27  
    Czytając stronę autora można znaleźć odpowiedzi na Wasze pytania. LCD jest mniejszy niż standardowy i ma wymiary 53 x 20 mm. Czas normalnej pracy na bateriach wynosi ponad 100 godzin, w trybie Sleep kilka lat.
  • #10 5133057
    adamusx
    Poziom 27  
    Podoba mi sie sposób wykorzystania uC takze do podbijania napiecia dla wyswietlacza, ktory z pewnie działa na 5V (diody D1...D4 z kondensatorami C5...C8 )
  • #11 5133339
    byrrt
    Poziom 21  
    Zastanawia mnie jakim cudem układ ma działać przez 100h na tych bateriach.. Samo podświetlanie w tym wyświetlaczu pewnie z 10mA bierze (albo i lepiej no ale nawet..).. Baterie CR2032 mają 200-240mAh czyli przy takim prądzie max 20h i to nawet nie wiem czy nie zawyżam..
REKLAMA