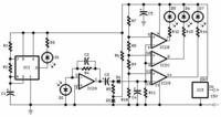
Poniższe urządzenie zostało zaprojektowane, aby pomóc w parkowaniu samochodu. Trzy diody LED wskazują w jakiej odległości od ściany znajduje się zderzak. Dioda D7 świeci się gdy odległość od przeszkody wynosi około 20cm, diody D7 i D6 świecą się gdy odległość wynosi ok. 10cm, a wszystkie trzy diody D7, D6 i D5 zaświecają się dla odległości ok. 6cm. Podane odległości mogą się nieco różnić w zależności od rodzaju użytych diod, a przede wszystkim od koloru powierzchni odbijającej. Ciemniejsze powierzchnie znacząco obniżają czułość urządzenia. Urządzenie można wykorzystać również w innych celach, np. w kontrolowaniu poziomu wody, czy innych urządzeniach wykorzystujących czujniki zbliżeniowe.
Źródło: http://www.redcircuits.com/Page40.htm
Fajne? Ranking DIY
