logo elektroda
logo elektroda
X
logo elektroda
REKLAMA
REKLAMA
Adblock/uBlockOrigin/AdGuard mogą powodować znikanie niektórych postów z powodu nowej reguły.

Tawo 351 - problem z wysokotonowym ARV-104-01/8

rondzio 14 Maj 2008 22:04 2482 4
REKLAMA
  • #1 5141424
    rondzio
    Poziom 13  
    Witam.

    Posiadam kolumny Tawo 351 z głośnikami 2xWestra KW160-1394/4+1xARX-150-23/8+ARV-104-01/8.
    Kolumny pracują z wzmacniaczem WS704 (Diora) O ile się nie mylę są źle dobrane zwrotnice, ponieważ już 2 razy wymieniałem cewki wysokotonowych i od dłuższego czasu znowu nie grają. Powód ten sam - spalona cewka. Czy ktoś może wie jakie najlepiej zwrotnice zastosować do tych głośników, aby nie występował problem z paleniem wysokotonowych?
    Jutro wyciągnę zwrotnicę i sprawdzę z jakich elementów jest złożona. Z tego co się zauważyłem do średniotonowego idzie sygnał tylko przez kondensator podłączony bezpośrednio do wejścia kolumn, natomiast do wysokotonowego oraz do basowych sygnał idzie z jakiejś małej zwrotnicy... Dokładne jej parametry napiszę jutro...
  • REKLAMA
  • #2 5141716
    izbic
    Poziom 28  
    Daj żarówkę niewielką przed kondensator i powinno być wszystko ok. Widocznie jest, albo za nisko cięty, albo trzeba będzie dać rezystor.
  • REKLAMA
  • #3 5141965
    rondzio
    Poziom 13  
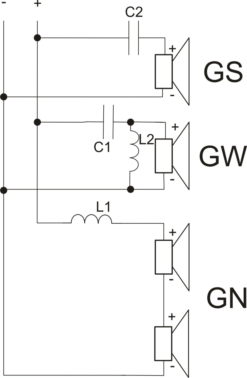
    W kolumnach zamontowana jest zwrotnica "wyglądająca" tak jak na schemacie poniżej.
    Tawo 351 - problem z wysokotonowym ARV-104-01/8
    Zastosowane elementy:
    C1 = 2,2µF (MKT 1822)
    C2 = 6,8µF (MKT 1822)
    L1 - cewka wykonana z grubego drutu (duża)
    L2 - cewka wykonana z cienkiego drutu (mała)

    Głośniki:

    GN - Westra KW160-1394/4
    GW - ARV-104-01/8
    GS- ARX-150-23/8


    @izbic

    Hmmm tylko jaką mocną mam dać tą żarówkę?
  • REKLAMA
  • #4 5146702
    Kamil_153
    Poziom 22  
    na 100% żle zrysowałeś tor wysokotonowego ;ta cewka L2 ma być wpięta równolegle ale za kondensatorem C1,nie wsadzaj tam żarówki to rozwiazanie raczej dla zestawów estradowych,kond2,2uF świadczy o dość wysokiej częst, odcięcia powodem upalania sie cewki na 99% jest przesterowujący sie wzmacniacz!używaj go z głową albo kup mocniejszy który da Ci odpowiedni poziom głośności bez przesterowania,i do tego wywalił bym tego ARV i wstawił GDWT 10/200 PJ wytrzyma ze 3 razy tyle,ma podobną efektywność co ARV i nawet w zwrocie nie musiał byś nic robić.
  • #5 5151558
    rondzio
    Poziom 13  
    Tak faktycznie, źle przerysowałem umiejscowienie cewki w torze wysokotonowego. Na kartce odrysowałem dobrze z połączeń zwrotnicy, popełniłem błąd rysując na komputerze. Wzmacniacz nigdy nie jest używany na maksymalnych "obrotach" tzn. maksymalna głośność to jest zazwyczaj połowa całego zakresu. W takim położeniu potencjometr głośności pracuje bardzo rzadko. Może pokusiłbym się o wymianę na inny głośnik.
    Znalazłem jeden typu tubowego GDWT 10/200/8

    oraz GDWK 10/200/8PJ

    Zastanawiam się również nad wymianą zwrotnic na bardziej rozbudowane ale czy to rozwiąże problem palenia głośnika??
REKLAMA