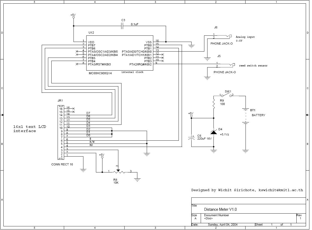
Projekt demonstruje użycie 16x1 liniowego wyświetlacza LCD w połączeniu z 16-pinowym mikrokontrolerem Nitron 68HC908QY4 do zbudowania prostego miernika odległości wykorzystywanego w rowerze.
Mikrokontroler wykorzystuje wewnętrzny oscylator i wewnętrzny reset, my dostarczamy tylko sygnały +VDD i VSS. Sygnałami używanymi przez wyświetlacz LCD są D4-D7, RS i E. Piny D0-D3 i R/W nie są wykorzystywane, więc zostały połączone z masą. Źródłem zasilania jest bateria ze zwykłą +5.1V diodą Zenera. Można użyć +9V baterii lub trzy 1.5V baterie AA. Układ powinien działać nawet, gdy zasilanie spadnie do +3V.
Oprogramowanie odległościomierza zostało napisane w C przy użyciu kompilatora ICC08. Będziesz potrzebował nieznacznej modyfikacji kodu programu, aby przystosować go do swojego roweru (średnica koła). Kody źródłowe są do ściągnięcia tutaj: http://www.kmitl.ac.th/~kswichit%20/distancemeter/lcd.c.
Źródło: http://www.kmitl.ac.th/~kswichit%20/distancemeter/distancemeter.html
Fajne? Ranking DIY
