logo elektroda
logo elektroda
X
logo elektroda
REKLAMA
REKLAMA
Adblock/uBlockOrigin/AdGuard mogą powodować znikanie niektórych postów z powodu nowej reguły.

Rejestrator energii słonecznej

JIIIS 15 Maj 2008 18:55 4120 4
REKLAMA
  • Rejestrator energii słonecznej

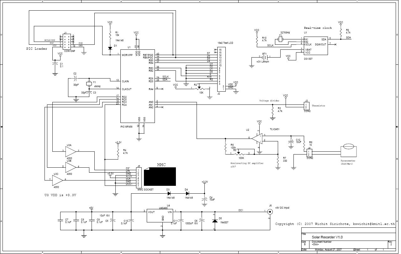
    Jest to nowa wersja rejestratora energii słonecznej składająca się z zegara czasu rzeczywistego (RTC, Real-Time Clock) DS1307 i wzmacniacza do piranometru. Na wyświetlaczu LCD pokazywane są: nazwę pliku, numer próbki, odczyty dla kanałów Ch01 i Ch02 konwertera analogowo-cyfrowego i czas w formacie HH:MM.

    Piranometr został podłączony do wzmacniacza DC śrubą zaciskową.

    Rejestrator energii słonecznej

    Urządzenie posiada przycisk służący do ustawiania czasu zegara RTC (Real-Time Clock). Ustawianie czasu odbywa się po włączeniu zasilania poprzez naciśnięcie przycisku.

    Rejestrator energii słonecznej

    Dane przechowywane są na karcie pamięci MMC:

    Rejestrator energii słonecznej

    Źródło: http://www.kmitl.ac.th/~kswichit%20/solarrecorder/version2/index.html

    Rejestrator energii słonecznej

    Fajne? Ranking DIY
    O autorze
    JIIIS
    Poziom 17  
    Offline 
    JIIIS napisał 246 postów o ocenie 21, pomógł 28 razy. Mieszka w mieście Kraków. Jest z nami od 2008 roku.
  • REKLAMA
  • REKLAMA
  • #3 5148330
    __Maciek__
    Poziom 20  
    Moja jedna uwaga :
    Urządzenie z kopułką to nie pirometr a piranometr. Różnica patrz google.
    ( patrz zdjęcie tam na dodatek jest napis )
    Poza tym projekt ciekawy, jednak problemem może okazać się znalezienie owego piranometru, lub jego cena.
  • REKLAMA
  • #4 5149218
    JIIIS
    Poziom 17  
    __Maciek__ napisał:
    Urządzenie z kopułką to nie pirometr a piranometr.


    Racja, dziękuję za zwrócenie uwagi :)
  • #5 5160270
    pyzolek16
    Poziom 10  
    Bardzo fajny projekt. A jak stoi z kosztami?
REKLAMA