logo elektroda
logo elektroda
X
logo elektroda
REKLAMA
REKLAMA
Adblock/uBlockOrigin/AdGuard mogą powodować znikanie niektórych postów z powodu nowej reguły.

Altus 110 'odrodzony' teraz tylko kabelki :/

ssowa1 31 Maj 2008 08:28 2846 2
REKLAMA
  • #1 5199455
    ssowa1
    Poziom 1  
    witam wszystkich na forum. mam pewien problem dotyczacy podlaczenia wszystkiego wewna3 kolumny altus 110...bo chodzi o to ze kupilem ja od pewnego 'wiejskigo-tunera' (bez urazy dla ludzi ze wsi bo wiekszosc bardzo szanuje),... ktory nie znajac sie na zeczy stare glosniki tonsila powyzucal gdzies i powstawial wlasne i to nie takie jak 3eba (jesli chodzi o moc i tony) srodek ze zwrotnica oszczedzil bo znalazlem w srodku kolumny calkiem odciete od reszty i teraz problem jest taki bo wcale nie znam sie na elektryce...

    jak podlaczyc te glosniki tj niski,srednii i wysoki ton do tej zwrotnicy aby wszystko ladnie gralo bo tam jest masa kabelkow a nie chcial bym popsuc sprawy !!!!!! (zakupilem oczywiscie wszystkie nowe glosniki Tonsila)

    bardzo pomocne by byly jakies foty wiernych posiadaczy tegoz modelu kolumny !!!

    pozdrawiam

    oto zdjecie zwrotnicy ktora znalazlem Altus 110 'odrodzony' teraz tylko kabelki :/

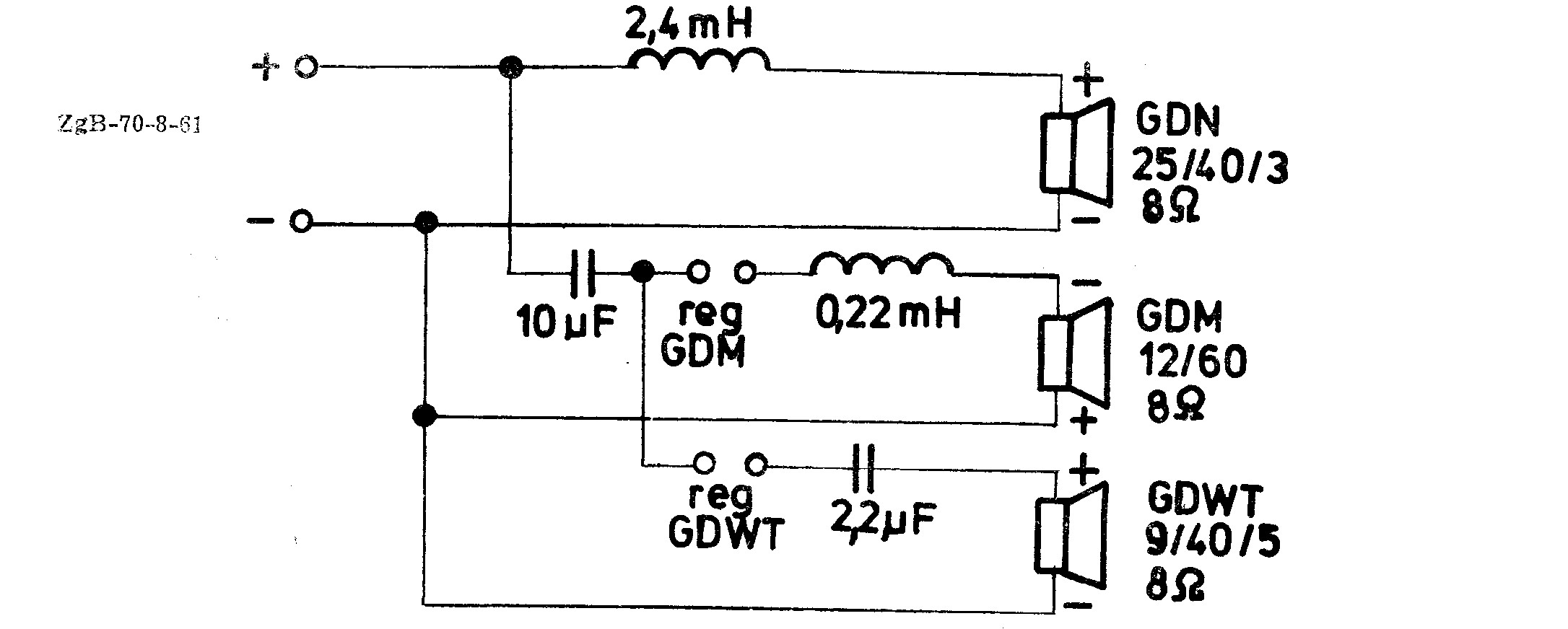
    a tu shemat ze strony unitry
    Altus 110 'odrodzony' teraz tylko kabelki :/



    Pisownia skandaliczna.
    Proszę sie zapoznać z Regulaminem Forum p. 11 i 15.
    Proszę niezwłocznie poprawić błędy i tytuł postu.
    Klawisze "zmień" i "pisownia" na pewno będą w tym pomocne.
    (dj-MatyAS)
  • REKLAMA
  • #2 5199787
    mateusz885
    Poziom 23  
    Generalnie proponowałbym wymienić je na nowe "miedziane" (bez mieszanych z alu) o normalniejszych przekrojach dla gdna i dla średniaka, dla syka wystarczy jakiś 0,75mm^2, a nawet zrobić zwrotkę od nowa bo wiadomo że tonsil oszczędzał na tym.
    Ewentualnie zostawić tą co jest. Podłączyć tą zwrotkę jest bardzo łatwo, gdn będzie w szereg z dużą cewką na +, - do zasilania; średniak jest w przeciwfazie, ma w szeregu na + z zasilania konda 10uF i tą mniejszą cewkę i jest po prostu podłączony odwrotnie (jego - jest tam gdzie + gdna, a + tam gdzie - gdna ;p); cykacz jest wpięty za konda 10uF i jeszcze w szereg ma konda 2,2uF na +, a - do - zasilania :D
  • #3 5199958
    RAFi X
    Poziom 29  
    Dobrą zwrotnicą do A110 (i pochodnych) jest zwrtonica Alt-18 Znajdziesz wpisując w google;)
    Kabelki z miedzi beztlenowej, o przekroju 1,5mm² wystarczą.
    Żebyś nie kupił byle czego pokażę Ci
    http://allegro.pl/item367177007_nie_daj_sie_zrobic_w_balona

    Pozdrawiam.

    Dodano po 1 [minuty]:

    Zrób może nowe zdjęcie, tylko kable poukładaj tak, by można było się połapać co z czego wychodzi ;)



    Regulamin p.10.11
    (dj-MatyAS)
REKLAMA