logo elektroda
logo elektroda
X
logo elektroda
REKLAMA
REKLAMA
Adblock/uBlockOrigin/AdGuard mogą powodować znikanie niektórych postów z powodu nowej reguły.

Proste odcięcie na trzech prezkażnikach

almati 31 Maj 2008 23:35 2214 16
REKLAMA
  • #1 5202135
    almati
    Poziom 11  
    Potrzebuje zrobic odcięcie z pamięcią. Chodzi o to zeby podac impuls np ze STOP(+) i z guzika chwilowego (-) na przekaźnik. Nie wiem jak to zrobic aby przekaźnik "trzymal" do momentu wyłaczenia zapłonu. Wiem ze kiedys kumpel robil to na 3 przekaznikach a ja sie natyle nieznam aby to rozgryzc.
  • REKLAMA
  • REKLAMA
  • #3 5202242
    Pawel wawa
    VIP Zasłużony dla elektroda
    Takie "coś" to na jednym, wielostykowym się robi, równolegle z cewką (zasilaną szeregowo przez styki czynne) podajesz impuls sterujący(zabezpieczasz diodą) dodatni i ujemny. Na następnej parze styków realizujesz odcięcie zapłonu. Ale teraz się tak nie robi, jakie auto chcesz zabezpieczyć?
  • REKLAMA
  • #4 5202252
    almati
    Poziom 11  
    to ma byc proste dla budowlancow - ten kierowca jest tempy i dla niego to bedzie bardzo zaawansowane. A i tak zamontowany jest tam zwor paliwowy - to mb splinter
  • #5 5202264
    Pawel wawa
    VIP Zasłużony dla elektroda
    Budowlaniec ma to zakładać i robić, czy korzystać? Bo użytkowanie ogranicza sie do podania na raz dwóch impulsów.
  • #6 5202269
    almati
    Poziom 11  
    Wlasnie budowlaniec ma to uzytkowac a maja byc dwa impulsy zeby myslal ze to skomplikowane
  • REKLAMA
  • #7 5202281
    Pawel wawa
    VIP Zasłużony dla elektroda
    Aleksander_01 napisał:
    Witam.
    Tu masz schemat czegoś takiego.


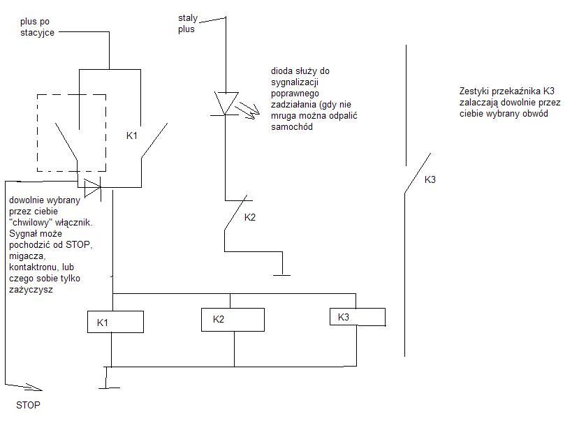
    Kolego, ładnie pięknie tylko po załączeniu np ze stopu przekaźnika podtrzymanie będzie również zapalało stop. Trzeba dać diodę zaporowo. No i to jest sterowane jednym impulsem.
  • #8 5202293
    Aleksander_01
    Poziom 42  
    Tych "impulsów" może być ile tylko zechcesz, wyłączniki w szereg i po problemie.

    Do Paweł wawa: masz 100 % racji z tą diodą. Wielostykowy przekaźnik jest droższy od trzech pojedyńczych, a dwa to pytający jest początkującym więc łatwiej będzie mu zrozumieć
  • #9 5202329
    Pawel wawa
    VIP Zasłużony dla elektroda
    Aleksander_01
    Nie widzę diody chyba pomyliłeś pliki bo odciecie.jpg=odciecie 2.jpg
    "Tych "impulsów" może być ile tylko zechcesz, wyłączniki w szereg i po problemie. " Tak jasne 100% racji ale kolega chce jeden impuls dodatni a jeden ujemny, u ciebie może być nieskończenie wiele dodatnich.
    Co do ceny to tego aspektu nie brałem pod uwagę.
  • #11 5202420
    Pawel wawa
    VIP Zasłużony dla elektroda
    Aleksander_01
    "Nie rozumiem dlaczego ktoś chce sterować impulsem + oraz -, a jak będą dwa + to co ? "
    Też bym robił na dwa + ale autor chciał inaczej...czemu? Jego należy zapytać.
    Pozdrawiam.
    Paweł.
  • #15 5203772
    Pawel wawa
    VIP Zasłużony dla elektroda
    Nie podziała.... źle rozpisany przekaźnik pierwszy z lewej, po puszczeniu stop i pozostawieni włączonego ukrytego włącznika nadal będą się świecić światła stop, co spowoduje w niektórych autach wywalenie błędu na desce.
  • #16 5204446
    Aleksander_01
    Poziom 42  
    Pawel wawa napisał:
    Nie podziała.... źle rozpisany przekaźnik pierwszy z lewej, po puszczeniu stop i pozostawieni włączonego ukrytego włącznika nadal będą się świecić światła stop, co spowoduje w niektórych autach wywalenie błędu na desce.


    Przecież ukryty włącznik musi być monostabilny, normalnie rozwarty. Jaki sens miałoby zastosowanie bistabilnego i cały czas pamiętać w jakiej jest pozycji.
    Kolego Pawel wawa - dlaczego każdy upiera się na ten stop. Wystarczy dać kontaktron i magnesik i nie mieszać do tego stopu.
REKLAMA