Witam
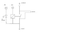
Autko jak w tytule wyczytałem na forum, że mogę go odciąć poprzez +stacyjki(gruby czarny kabel prowadzący od stacyjki). Tak też zrobiłem - wstawiłem przekaźnik 70A i wszystko było super przez pierwsze 24h, czyli po załączeniu ukrytego przełącznika autko paliło. Następnego dnia auto nie chciało palić. Wygladalo to tak jakby zanik napięcia powodował rozwarcie styków przekaźnika. napięcie na aku ok 12.7V, a przy próbie rozruchu słychać pracujące styki przekaźnika. Wstawiłem inny przekaźnik 40A i sytuacja identyczna - wszystko grało przez pierwsze 24h potem historia sie powtarza....
Autko jak w tytule wyczytałem na forum, że mogę go odciąć poprzez +stacyjki(gruby czarny kabel prowadzący od stacyjki). Tak też zrobiłem - wstawiłem przekaźnik 70A i wszystko było super przez pierwsze 24h, czyli po załączeniu ukrytego przełącznika autko paliło. Następnego dnia auto nie chciało palić. Wygladalo to tak jakby zanik napięcia powodował rozwarcie styków przekaźnika. napięcie na aku ok 12.7V, a przy próbie rozruchu słychać pracujące styki przekaźnika. Wstawiłem inny przekaźnik 40A i sytuacja identyczna - wszystko grało przez pierwsze 24h potem historia sie powtarza....
