Witam, próbuje poskładać sobie falownik pół-mostkowy pracujący z częstotliwością 300kHz. Wykorzystuje oczywiście tranzystory Mosfet.
Falownik używany będzie o ile uda się go uruchomić do lutowania indukcyjnego złączek z miedzi. Np podczas robienia C.O - taki mój wymysł.
Także założenia były aby jego moc była ok 1-2kW.
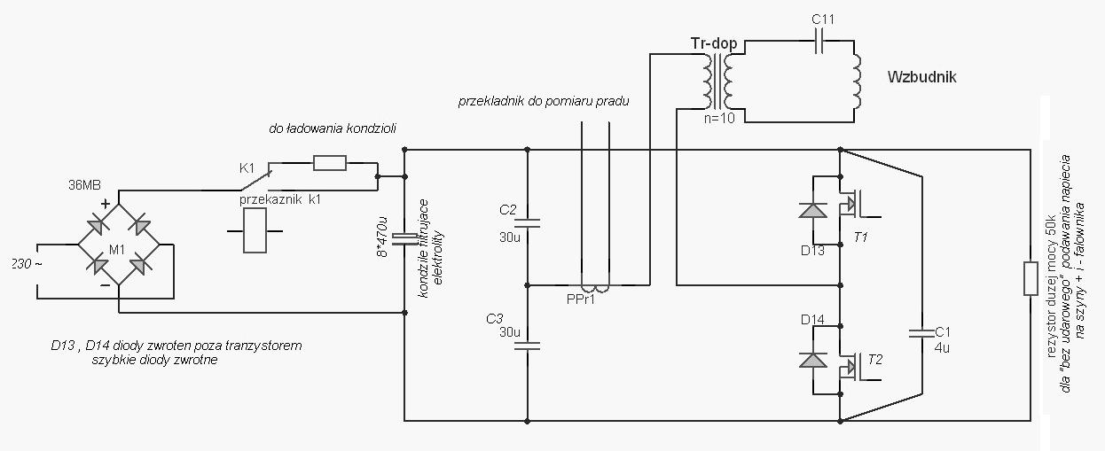
Zrobiłem wszystko płytka trafo dopasowujące no ale niestety padają mi tranzystory jak zasilę je z 230V. Obniżając napięcie do 50V wyciągam 7A co jest za mało. Na wykresie poniżej zamieszczam przebieg napięcia na tranzystorach może ktoś ma pomysł jak pozbyć się tych oscylacji, i skąd one sie biorą. Jak ktoś jest zainteresowany to proszę pisać podam dane które Was interesują, a nie zamieszam tu schematów bo każdy wie jak wygląda półmostek klasyczny. Ja nic więcej nie dodałem.
Pozdrawiam
Falownik używany będzie o ile uda się go uruchomić do lutowania indukcyjnego złączek z miedzi. Np podczas robienia C.O - taki mój wymysł.
Także założenia były aby jego moc była ok 1-2kW.
Zrobiłem wszystko płytka trafo dopasowujące no ale niestety padają mi tranzystory jak zasilę je z 230V. Obniżając napięcie do 50V wyciągam 7A co jest za mało. Na wykresie poniżej zamieszczam przebieg napięcia na tranzystorach może ktoś ma pomysł jak pozbyć się tych oscylacji, i skąd one sie biorą. Jak ktoś jest zainteresowany to proszę pisać podam dane które Was interesują, a nie zamieszam tu schematów bo każdy wie jak wygląda półmostek klasyczny. Ja nic więcej nie dodałem.
Pozdrawiam
