logo elektroda
logo elektroda
X
logo elektroda
REKLAMA
REKLAMA
Adblock/uBlockOrigin/AdGuard mogą powodować znikanie niektórych postów z powodu nowej reguły.

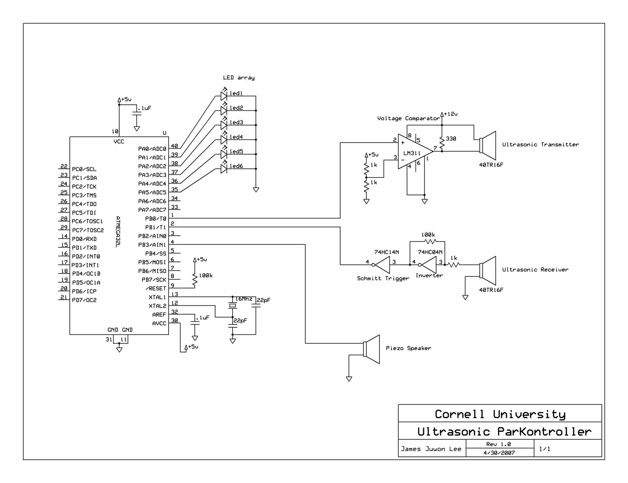
ParKontroller - zdjęcie, opis, schemat, źródło

JIIIS 13 Cze 2008 20:32 6839 7
REKLAMA
  • ParKontroller - zdjęcie, opis, schemat, źródło

    Obawiasz się, że zarysujesz swój nowiutki samochód podczas parkowania? Masz problem z cofaniem? Ten projekt może rozwiązać Twoje problemy. Ultradźwiękowy ParKontroller monitoruje na bieżąco jak daleko znajdujesz się od przeszkody i ostrzega Cię przed zbyt bliskim zbliżeniem do niej przy pomocy dźwięku i świecących diod LED. Im bliżej jesteś przeszkody tym więcej diod się zapala i tym szybciej głośniczek wydaje ostrzegawcze dźwięki. Nad całością czuwa odpowiednio zaprogramowany mikrokontroler Atmel Mega32.

    ParKontroller - zdjęcie, opis, schemat, źródło

    Źródło: http://ltc.cit.cornell.edu/courses/ee476/Fina...jects/s2007/jjl49_mar97/jjl49_mar97/index.htm

    Fajne? Ranking DIY
    O autorze
    JIIIS
    Poziom 17  
    Offline 
    JIIIS napisał 246 postów o ocenie 21, pomógł 28 razy. Mieszka w mieście Kraków. Jest z nami od 2008 roku.
  • REKLAMA
  • #2 5243885
    redelektron
    Poziom 20  
    Bardzo fajna zabawka, ale jeśli ktoś nie ma wyczucia w nowym samochodzie to i to mu nie pomoże uniknąć zarysowania :D
  • REKLAMA
  • #3 5249446
    marcinmarcin007
    Poziom 13  
    wszystko ładnie pięknie koszt wykonania całkiem nieduży tylko pytanie jakie czujki bo na tme znależc takich nie mogę mogą być inne, i druga sprawa wsad do procka ???
  • #4 5250302
    redelektron
    Poziom 20  
    Na tme są tylko te: BPU-1640TOAH12 (stan na 15.06.2008), tylko czy one się tu spiszą.....
  • #5 5250474
    brofran
    Poziom 40  
    Aby parkometr w miare dobrze spelnial swoja funkcje to 1 para czujnik-nadajnik nie wystarczy. Nalezaloby wykonac conajmniej 2 (a nawet 3) takie uklady , a wtedy oplacalnosc w stosunku do " fabrycznych " znacznie spada.
  • REKLAMA
  • #6 5267657
    SIEKIERA_666
    Poziom 21  
    Z tego co widać układ wykorzystuje dwa identyczne czujniki o oznaczeniu 40TR16F (jeden jako nadajnik , drugi jako odbiornik).... Jak to się ma do fabrycznych konstrukcji gdzie wykorzystywany jest pojedynczy czujnik spełniający jednocześnie rolę nadajnika i odbiornika... ??

    Pozdrawiam SIEKIER'A
    :twisted:
  • REKLAMA
  • #7 5272355
    CMS
    Administrator HydePark
    Nie wiem jak dzisiaj ale jakiś czas temu fabryczne czujniki pokazywały minimalna odległość od przeszkody 30cm a to przecież jeszcze kawał miejsca, na stronie projektu jest tabelka ukazująca ile diodek sie pali przy jakiej odległości, zauważcie że tutaj pierwsza dioda zapala się dopiero 35c od przeszkody więc jak na moje oko jest to znacznie dokładniejsze urządzenie.
  • #8 5283534
    niezgod
    Poziom 11  
    Witam wszystkich
    Być może ograniczenie minimalnej mierzonej odległości w czujnikach fabrycznych wynika właśnie z tego, że spełniają one jednocześnie funkcję nadajnika i detektora. Po prostu potrzebują czasu żeby się "wyciszyć" po wysłaniu paczki aby to co odbierają można było uznać za wiarygodny sygnał a nie na przykład własne drgania. Powyższa konstrukcja z racji zastosowania oddzielnych przetworników pozbawiona jest tego ograniczenia.

    Pozdrawiam
REKLAMA