logo elektroda
logo elektroda
X
logo elektroda
REKLAMA
REKLAMA
Adblock/uBlockOrigin/AdGuard mogą powodować znikanie niektórych postów z powodu nowej reguły.

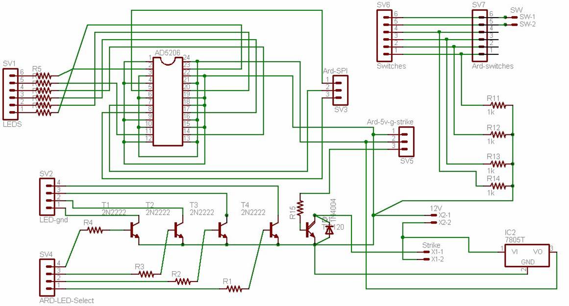
Zamek RGB - zdjęcie, schemat, źródło

JIIIS 21 Cze 2008 19:25 5010 9
REKLAMA
  • Zamek RGB - zdjęcie, schemat, źródło

    Jeżeli znudziły Ci się już zamki rozbrajane zwykłą klawiaturą numeryczną przyglądnij się temu projektowi. Urządzenie składa się z 8-przyciskowej podświetlanej klawiatury podłączonej do płytki Arduino. Hasłem zamiast ciągu cyfr jest odpowiednia sekwencja kolorów. Przyciski są podświetlane przez kolorowe diody, które są sterowane cyfrowymi potencjometrami, dzięki czemu możliwe jest podświetlanie każdego z przycisków różnymi kolorami. Po wprowadzeniu poprawnej sekwencji kolorów, co jest sygnalizowane miganiem przycisków na zielono, zamek jest otwierany na 10 sekund, natomiast wprowadzenie niepoprawnej sekwencji zaprogramowaną liczbę razy skutkuje miganiem klawiatury na czerwono.

    Zamek RGB - zdjęcie, schemat, źródło

    Źródło: http://www.hackaday.com/2008/06/12/how-to-make-an-rgb-combination-door-lock-part-1

    Fajne? Ranking DIY
    O autorze
    JIIIS
    Poziom 17  
    Offline 
    JIIIS napisał 246 postów o ocenie 21, pomógł 28 razy. Mieszka w mieście Kraków. Jest z nami od 2008 roku.
  • REKLAMA
  • #2 5272812
    lechoo
    Poziom 39  
    Tak dla ścisłości - Arduino to nie jest żaden mikroprocesor, lecz prosta płytka prototypowa, oparta o mikrokontroler ATmega168.
  • REKLAMA
  • #3 5273092
    JIIIS
    Poziom 17  
    lechoo napisał:
    Tak dla ścisłości - Arduino to nie jest żaden mikroprocesor, lecz prosta płytka prototypowa, oparta o mikrokontroler ATmega168.


    Racja, mój błąd, już poprawiam, dziękuję.
  • #4 5274592
    JmL(TM)
    Poziom 24  
    Pomysl bardzo oryginalny choc chyba bardzo latwo podpatrzec kod zamka ze wzgledu na emitowane swiatlo... Przydaloby sie zrobic male zaslony z boku tak jak jest to rozwiazane przy bankomatach.
  • REKLAMA
  • #5 5275694
    mkpl
    Poziom 37  
    Swietny pomysł;)
    Zamiast zasłon zrobił bym tak aby za kazdym razem zamieniało kolory miejscami uchronilo by to kod przez przypadkowe podejzenie ruchow reki
  • #6 5276348
    vertim
    Poziom 23  
    Uważam to tylko za bajer , wystarczy , żżże ktos zobaczy kolory i zamek sie otwiera.
  • #7 5276544
    lechoo
    Poziom 39  
    vertim napisał:
    Uważam to tylko za bajer , wystarczy , żżże ktos zobaczy kolory i zamek sie otwiera.

    To samo można powiedzieć o zamku z klawiaturą nymeryczną - wystarczy że ktoś zobaczy cyfry... Pozatym zwykle używamy kombinacji 4 cyfr, będą po jakimś czasie widoczne na nich ślady, a więc liczba kombinacji z powtórzeniami maleje do 16 (bez powtórzeń: 8) - bardzo łatwo można wtedy odganąć kombinację otwierającą zamek.
  • REKLAMA
  • #8 5279094
    discolitez
    Poziom 13  
    A co wtedy jak ktos jest daltonista?
  • #9 5279670
    arturse
    Poziom 12  
    discolitez napisał:
    A co wtedy jak ktos jest daltonista?

    Kupuje sobie kłódkę.
    BTW. osoby sparaliżowane tez nie beda mogly skorzstac z takiego zamka.
    To samo niewidomi.

    Bardzo fajny pomysl, a sugestia zeby kolory zmienialy miejsca po kazdym otwarciu zamka bardzo trafiona.

    Projekt bardzo fajny i cieszy oko.

    Mozna jeszcze dodac system ostrzegania dźwiękiem o n-krotnym wbiciu zlego kodu.
    Wtedy można przyłapać osobe wbijającą kod na gorącym uczynku i zniechecić ja do dalszych prób.
  • #10 5281875
    LazyPL
    Poziom 11  
    Witam!
    Żeby było trudniej fajnie by było, gdyby kombinacja kolorów zmieniała się co wciśnięcie przycisku. Ktoś może wie ile kosztuje płytka Arduino?
    Cytat:
    BTW. osoby sparaliżowane tez nie beda mogly skorzstac z takiego zamka.
    To samo niewidomi.

    Ale jeśli zostać przy niezmiennych kolorach przycisków można by było na przyciskach umieścić alfabet Braille'a, ale co z znalezieniem zamka :|?
    edit:
    ok już mam $23.99 - około 52zł

    Pozdro
REKLAMA