Wszystko się zaczęło od tego, że brat chciał jakieś przyzwoite podłogówki i akurat udało mi się kupić nowe głośniczki za śmieszną cenę.
Zestaw 6 sztuk głośników za 170zł - Tesle 4x ARN-226-05/8 + 2x ARP-150-00/4 i Vify TC26SF05-06 leżał po prostu jakiś czas w piwnicy i był zakurzony. Od razu upolowaliśmy na allegro napęd - ONKYO Integra A-8250 za 200zł oraz równolegle został nabyty tuner ONKYO Integra T-4250 za 50zł (niestety testowany jedynie na kawałku miedzianego przewodu ;p, ponoć ma pewną wadę w postaci kłamania wyświetlacza o 0,05 MHz czy jakoś tak). Pozostaje dokupić jeszcze jakiś przyzwoity CDek - pewnie coś Technicsa. Ze względu na to, że jestem raczej początkującym konstruktorem to muszę się dopytać o zwrotnice i objętość budy.
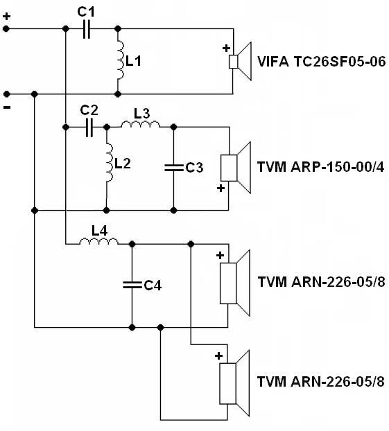
Niżej wstępny schemat zwrotnicy:
Po przeanalizowaniu parametrów i charakterystyk głośników wydaję mi się, że najodpowiedniejsze podziały zwrotnicy to:
-ARNy do 700Hz 12dB/okt
-ARP od 800Hz 12dB/okt do 3,5kHz 12db/okt
-VIFA od 3,7-3,8kHz 12dB/okt
Podział ARP - Vifa jest rozbity ze względu na podbicie charakterystyki tesli ARP w okolicach 4kilo, a taki trik powinien skorygować charkę zestawu do bardziej liniowej, bez brzydkich "wybrzuszeń". Wypadkowa dwóch ARNów po 8r wyniesie 4r i przy końcówce pasma jakie będą przenosić ich efektywność wyniesie ok. 89dB. "Początek pasma" przenoszonego przez głośnik średnio-tonowy ma efektywność ok. 90dB; a "koniec pasma" po skorygowaniu zwrotnicą będzie wynosił również ok. 90dB. Vifka puszczona od 3,7-3,8 kilo w tym zakresie częstotliwości ma ok. 91dB, ale biorąc pod uwagę naturalne jej tłumienie ze względu na to, że ma ona 6r, a zestaw jest komponowany pod 4r to będzie miała spadek ok. 1-2dB. Tak więc moim zdaniem zestaw nie wymaga stosowania tłumików efektywności poszczególnych głośników, ponieważ nie ma sensu na siłę korygować różnic ok. 1dB. Pozostaje tylko obliczyć ze wzorów wartości elementów i skorygować je z dostępnymi wartościami na rynku. Proszę o ewentualne poprawki, jeżeli coś źle przemyślałem oraz jakiej firmy elementy zastosować ? Czy jest sens płacić astronomiczne kwoty w akkusie? czy kupić coś mniej audiofilskiego?
Średniak, przez swoją oryginalną puszkę emituje ponoć jakieś nieprzyjemne rozonanse, tak więc zostanie umieszczony w normalnej komorze, oddzielonej od komory basów.
Próbowałem obliczyć objętość obudowy zamkniętej, przyjmując Qtc=0,7, ale jest to wartość mniejsza niż Qts=0,75 tak więc otrzymywałem Vr ujemne, a co za tym szło objętość też wychodziła ujemna. Przyjmując Qtc=0,8; 0,9 czy 1 wychodziły kosmiczne objętości obudowy. Dlatego też nie mam pojęcia jaką objętość budy potrzebuje ten ARN. Płyty najprawdopodobniej zamówię z docięciem w OBI, tak by wszystko było dokładnie wycięte, pozostaje tylko pytanie jakiego rodzaju płyty zastosować? Kolumny zostaną wykończone naturalnym fornirem, mam problem jedynie jak wykonać frezy pod głośniki bo nie mam pojęcia jak to zrobić.
Zestaw 6 sztuk głośników za 170zł - Tesle 4x ARN-226-05/8 + 2x ARP-150-00/4 i Vify TC26SF05-06 leżał po prostu jakiś czas w piwnicy i był zakurzony. Od razu upolowaliśmy na allegro napęd - ONKYO Integra A-8250 za 200zł oraz równolegle został nabyty tuner ONKYO Integra T-4250 za 50zł (niestety testowany jedynie na kawałku miedzianego przewodu ;p, ponoć ma pewną wadę w postaci kłamania wyświetlacza o 0,05 MHz czy jakoś tak). Pozostaje dokupić jeszcze jakiś przyzwoity CDek - pewnie coś Technicsa. Ze względu na to, że jestem raczej początkującym konstruktorem to muszę się dopytać o zwrotnice i objętość budy.
Niżej wstępny schemat zwrotnicy:
Po przeanalizowaniu parametrów i charakterystyk głośników wydaję mi się, że najodpowiedniejsze podziały zwrotnicy to:
-ARNy do 700Hz 12dB/okt
-ARP od 800Hz 12dB/okt do 3,5kHz 12db/okt
-VIFA od 3,7-3,8kHz 12dB/okt
Podział ARP - Vifa jest rozbity ze względu na podbicie charakterystyki tesli ARP w okolicach 4kilo, a taki trik powinien skorygować charkę zestawu do bardziej liniowej, bez brzydkich "wybrzuszeń". Wypadkowa dwóch ARNów po 8r wyniesie 4r i przy końcówce pasma jakie będą przenosić ich efektywność wyniesie ok. 89dB. "Początek pasma" przenoszonego przez głośnik średnio-tonowy ma efektywność ok. 90dB; a "koniec pasma" po skorygowaniu zwrotnicą będzie wynosił również ok. 90dB. Vifka puszczona od 3,7-3,8 kilo w tym zakresie częstotliwości ma ok. 91dB, ale biorąc pod uwagę naturalne jej tłumienie ze względu na to, że ma ona 6r, a zestaw jest komponowany pod 4r to będzie miała spadek ok. 1-2dB. Tak więc moim zdaniem zestaw nie wymaga stosowania tłumików efektywności poszczególnych głośników, ponieważ nie ma sensu na siłę korygować różnic ok. 1dB. Pozostaje tylko obliczyć ze wzorów wartości elementów i skorygować je z dostępnymi wartościami na rynku. Proszę o ewentualne poprawki, jeżeli coś źle przemyślałem oraz jakiej firmy elementy zastosować ? Czy jest sens płacić astronomiczne kwoty w akkusie? czy kupić coś mniej audiofilskiego?
Średniak, przez swoją oryginalną puszkę emituje ponoć jakieś nieprzyjemne rozonanse, tak więc zostanie umieszczony w normalnej komorze, oddzielonej od komory basów.
Próbowałem obliczyć objętość obudowy zamkniętej, przyjmując Qtc=0,7, ale jest to wartość mniejsza niż Qts=0,75 tak więc otrzymywałem Vr ujemne, a co za tym szło objętość też wychodziła ujemna. Przyjmując Qtc=0,8; 0,9 czy 1 wychodziły kosmiczne objętości obudowy. Dlatego też nie mam pojęcia jaką objętość budy potrzebuje ten ARN. Płyty najprawdopodobniej zamówię z docięciem w OBI, tak by wszystko było dokładnie wycięte, pozostaje tylko pytanie jakiego rodzaju płyty zastosować? Kolumny zostaną wykończone naturalnym fornirem, mam problem jedynie jak wykonać frezy pod głośniki bo nie mam pojęcia jak to zrobić.
