logo elektroda
logo elektroda
X
logo elektroda
REKLAMA
REKLAMA
Adblock/uBlockOrigin/AdGuard mogą powodować znikanie niektórych postów z powodu nowej reguły.

Denon AVR-1907 i Mivoc AM120 nie współpracują

Mc'Cart 01 Lip 2008 20:23 3477 9
REKLAMA
  • #1 5303407
    Mc'Cart
    Poziom 12  
    Witam was ...

    Mam Deonona AVR-1907 do którego dokupiłem subwoofer oparty na wzmacniaczu Mivoc AM120. Niestety po podłączeniu subwoofera do amplitunera przez dedykowane wyjście sygnał jest bardzo cichutki. Po rozkręceniu wzmacniacza na 3/4 mocy dopiero coż słychać. Sub ma także wejście na sygnały z kolumn i po podłączeniu gra w miarę dobrze.

    Powiedzcie, co może być nie tak ?

    Pozdrawiam
  • REKLAMA
  • #2 5305197
    mczeslaw
    Poziom 36  
    Czy suba podłączasz do wyjścia specjalnie przeznaczonego do suba?
    Czy próbowałeś podłączać do zwykłego " line out" , np. sygnał do wysterowania magnetofonu?
    Może jest w MIVOCU wzmacniacz przestosowany do niższych impedancji wejściowych?
    Spróbuj zmostkować, a najlepiej zmniejszyć na początek o połowę pierwszy szeregowy rezystor na wejściu wzmaka, a jak się boisz to sprubuj suba wysterować sygnałem z wyjścia słuchawkowego z twojego denona, no i napisz co ci się udało zwojować.
    Ja stawiam na zbyt wysoką impedancje we. końcówki suba.
  • REKLAMA
  • #3 5306942
    Mc'Cart
    Poziom 12  
    Suba podłączam do dedykowanego wyjścia na suby w amplitunerze.

    Podłączałem na rozmaite sposoby, i wygląda na to, że sygnał z amp jest za słaby aby wysterować odpowiednio suba.

    Co do rezystorów to zwarłem sie i niestety nie daje to żadnego efektu.

    Zastanawiam się czy nie wstawić jakiegoś dodatkowego preampa do wzmocnienia sygnału z amplitunera.

    Co o tym sądzicie?
  • REKLAMA
  • #4 5307351
    mczeslaw
    Poziom 36  
    A podłącz do wyjścia słuchawkowego, zobaczymy co będzie, może ta końcówka po prostu wymaga wyższego napięcia do wysterowania niż sygnał SUB i LINIA z Denona oferuje?

    A które rezystory zwierałeś?

    Może jeszcze spróbuj na wyjściu SUB w Denonie.
  • #5 5307908
    DIGIPROCOMP
    Poziom 18  
    Mam tego Mivoca i lepiej na High Input. Druga sprawa Line Out w Denonie jest regulowane, czyli Pre Out. I jest za słabe żeby rozruszać suba. Jak chcesz pokombinować z Mivociem
    Denon AVR-1907 i Mivoc AM120 nie współpracują

    Dodano po 2 [minuty]:

    Ja na początku jak podłączyłem suba do Pre Out i miałem ustawioną gałkę na 1/5 to myślałem, że Out nie działa ;)
  • #6 5309720
    Mc'Cart
    Poziom 12  
    Potwierdzam teorię DIGIPROCOMP. Dedykowane wyjście z amplitunera jest za słabe, aby wysterować tego suba.

    Tylko teraz się zastanawiam czy nie wpakować do suba jakiegoś przedwzmacniacza na wejście aby podwyższyć sygnał wychodzący z amplitunera.

    Czy ktoś z Was ma pomysł, schematy lub rozwiązanie a dodam że chciałbym pozostać przy dedykowanym wyjściu z Denona.
  • #7 5309975
    DIGIPROCOMP
    Poziom 18  
    Ale po co skoro Denon ma wyjścia speaker A i B równoległe, ja tak mam podłączone i jest "best". Zerknij na moje DIY. Taniej kupić kabel głośnikowy.
  • #8 5312707
    Mc'Cart
    Poziom 12  
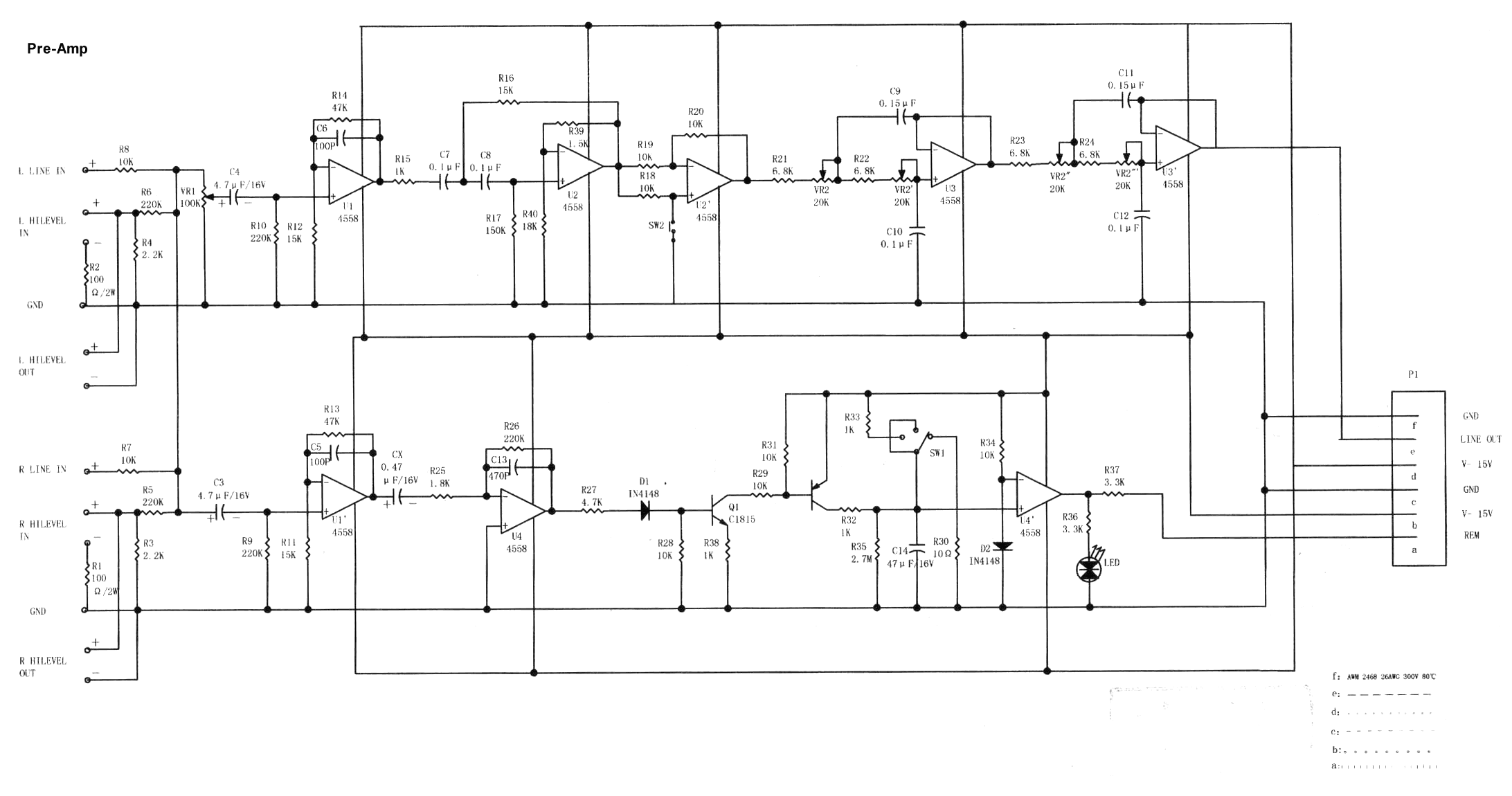
    Zrobione !!!!! Wstawiłem przedwzmacniacz na wejście do suba. Przy 1/3 mocy głośnik szaleje.... Teraz to mi się podoba. Ze wzmacniacz można wywalić filtr bo przez dedykowane wyjście w amp wychodzi już odfiltrowany sygnał. Takie rozwiązanie mi pasuje. Jedna rzecz jaka jest do poprawki, to zmniejszenie czułości na auto wyłaczniku, gdyż nie chce się wyłączać.

    Pozdrawiam
  • REKLAMA
  • #9 5313277
    DIGIPROCOMP
    Poziom 18  
    Narobiłeś sobie roboty, poczytaj jeszcze jakie tendencje ma ten wzmacniacz do przesterowania na 33Hz. Tam też trzeba zmienić rezystor. Ja mam podłączone po high i vol level w mivocu ustawiony na 4/10.
  • #10 10699077
    datreks1990
    Poziom 10  
    Podłącze się do tematu żeby nie tworzyć nowego .
    Witam posiadam mivoc am120 zrobiłem do niego budę 45 l strojona ma być tunelem 100/300 na ok 35 Hz . . Głośnik to Phase Linear 300 watt 10 " diamond .Problem w tym że nie mam wyjścia sub w swoim wzmaku wiec podłączyłem pod line out i nic więcej ale nie gra to dobrze zawieszenie głośnika lata jak szalone, mimo że mam ustawione vol mniej niż połowę a strojenie w granicy 40-50 hz . Nie wiem co jest nie tak ? podłączyłem też go pod mojego starego suba na boshmannie i było podobnie też grał gorzej niż pod starym wzmaku .

    Bass jest odczuwalny w pokoju ale prawie wcale go nie słychać . Nie jest to wina ani ustawienia suba ani strojenia BR , gdyż pod moim wzmacniaczem technicsa bez żadnego filtra gra dużą lepiej. Próbowałem też podłaczyć pod samego kompa i inne wejścia w wzmacniaczu ( tape, phone itp.) i jest ten sam problem ?
    sposób podłączenia
    http://zapodaj.net/1330da47f56f.bmp.html
REKLAMA