logo elektroda
logo elektroda
X
logo elektroda
REKLAMA
REKLAMA
Adblock/uBlockOrigin/AdGuard mogą powodować znikanie niektórych postów z powodu nowej reguły.

Stacjonarne zasilanie CDROM

zasoby 16 Lut 2004 21:59 12403 24
REKLAMA
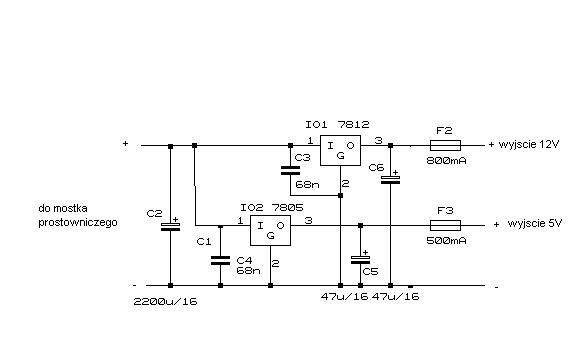
  • Jest to prosty zasilacz umożliwiający prawidłową pracę CDROM przy wyłączonym komputerze. CDROM komputerowy powinien zostać zaopatrzony w przycisk play na płycie czołowej. Sygnał wyjściowy możemy pobrać z wyjścia słuchawkowego. Zastosowano transformator 2x9V. Na wejściu stabilizatora 7805 pojawia się napięcie ponad 9V natomiast na wejściu 7812 napięcie około 18V. CDROM dla 5V pobiera do 0,6A natomiast dla 12V pobiera do 0,7V. Schemat obrazuje rozwiązanie w jaki sposób zasilać CDROM, który jest jednocześnie zasilany z komputera jak i zasilacza osobnego. Do tego celu wykorzystano przekaźnik. Dodatkowe diody Zenera zabezpieczają przed chwilowym podwyższeniem napięcia. W przypadku wykorzystywania CDROM na zewnątrz bez udziału komputera nie ma potrzeby montować przekaźnika a na płytce zrobić odpowiednie połączenia.

    Schemat ideowy
    Schemat montażowy
    Wzór płytki



    Wykaz elementów

    C1,C2 = 2200 uF / 16 V,
    C3,C4 = 68 nF,
    C5,C6 = 47 uF / 16 V, ellyt
    D1,D2,D3,D4,D5,D6,D7,D8 = 1N4001
    D9 = BZX85V013 Zenera
    D10 = BZX85V005.6 Zenera
    IO1 = 7812
    IO2 = 7805
    F1 = bezpiecznik 200mA, 20 mm
    F2 = bezpiecznik 800mA, 20 mm
    F3 = bezpiecznik 500mA, 20 mm
    RE1 = przekaźnik 24 V, podwójny
    TR1 = transformator, np
    220 V / 2 x 9 V / 24 VA
    radiatory 2szt. dla obudowy TO220

    Fajne? Ranking DIY
    O autorze
    zasoby
    Poziom 23  
    Offline 
    zasoby napisał 784 postów o ocenie 432, pomógł 4 razy. Jest z nami od 2002 roku.
  • REKLAMA
  • #2 506062
    Student
    Poziom 17  
    Taaa....
    Strasznie to skomplikowałeś....
    Praktyka pokazuje, że do odtwarzania płyt CD wystarczy zasilanie +5V.
    Wystarczy zasilacze (dodatkowy 5V i pokładowy) odseparować diodami (5A) i po kłopocie.
    Pozdr.


    --- ... szanuj czas i pieniądz... ---
  • REKLAMA
  • #3 507433
    Jarema
    Użytkownik obserwowany
    :arrow: Student:
    Co do wymagań napięciowych napędów cd-rom, to masz rację ale trochę nie do końca.
    Owszem niektóre ( żadkość) napędy wykorzystują tylko +5V, lecz większość z dostepnych modeli używa +12V do zasilania układu sterowania silnika napędu płyty oraz układu ogniskowania i śledzenia ścieżki.

    :arrow: Gulson:
    Nie lepiej użyć do odtwarzania płyt osobnego napędu, niż wyciągać kable z kompa i robić plątaninę ??
  • #4 508605
    szogun
    Poziom 23  
    Jarema- Gulson nie chce nic wyciągać
    On ma stary CDROM.
    Ja też mam i cieszę się z tego tematu.


    Szogun
  • #5 509582
    Konto nie istnieje
    Konto nie istnieje  
  • #6 510517
    mamon6
    Poziom 11  
    ...a wystarczy tylko zasilacz stabilizowany 12V i rownolegle +5V: stabilizator 7805 z opornikiem np. 5W w szeregu.
  • #7 513538
    UBL21
    Poziom 20  
    [font=Arial:d4adb6955d] [/font:d4adb6955d]
    Gulson napisales ze CDROM powinien zostac zaopatrzony w przycisk "play" czy to oznacza ze jesli go nie ma to mozna go samemu zainstalowac?, czy musi byc fabryczny. Jestem zainteresowany sposobem wykonania przycisku "play" "stop" w CDROM-ie ktory ich fabrycznie nie posiada.
  • #8 514064
    ZAHYR
    Poziom 33  
    a nie lepiej kupic stary zasilacz AT, ktory kosztuje do 10zł ??? bo chyba te wszystkie czesci wiecej kosztuja niz starszy zasilacz :)
  • REKLAMA
  • #9 515163
    praw
    Poziom 17  
    UBL21 napisał:
    [font=Arial:767b0ca71a] [/font:767b0ca71a]
    Gulson napisales ze CDROM powinien zostac zaopatrzony w przycisk "play" czy to oznacza ze jesli go nie ma to mozna go samemu zainstalowac?, czy musi byc fabryczny. Jestem zainteresowany sposobem wykonania przycisku "play" "stop" w CDROM-ie ktory ich fabrycznie nie posiada.


    No niestety jak chcesz cus takiego to nalezy zrobic sterownik na mikroprocku. Walesa sie gdzis to na elektrodzie.
  • #10 518069
    Oneal
    Poziom 12  
    Dobry schemat . Ja sam z podobnego kożystam już od dawna. Dwa stabilizatory i kilka kondensatorków. Montowałem kikla sztuk cdromów jako odtwarzacze płyt do samochodu. Stabilizatorki przykręcam do obudowy, zapodaje nap 12V z akumulatora i jazda. W praktyce najlepiej sprawdza się cd- rom Asusa ma dużą pamięć ścieżki i jest najbardziej odporny na wstrząsy.

    to tyle pozdrawiam 3m się ;)
  • #13 586192
    capoeira
    Poziom 19  
    ale mnie zastaniawia fakt że dałeś 7908 przeciesz to na ujemne!!!! . ludzie a co z zakłuceniami. przeciesz przy uruchamianiu i czytaniu on tak rzęzi i wydaje dziwne dzwięki. i niepomorze lepsza stabilizacja bo te szumy sa przekazywane przez wyjcie uadio i to cho..lestwo mnie wkurza
  • REKLAMA
  • #16 658670
    alek25
    Poziom 25  
    Dodam grosik do tych wypowiedzi , mam taki napęd puszczony na 7805 i 7812 połączonych jeden za drugim , fakt że napęd stary i *4 ale działa . Bez żadnych kondensatorów i zabezpieczeń. Scalaki przykręcone do blachy obudowy. pozdrawiam .
  • #17 749395
    kazik_j
    Poziom 22  
    capoeira pisałeś o zakłuceniach z wyjścia audio. Zastosuj filterek, składa się on z 2 elektrolitów i z 2 ceramików. Schematu filterka nie wrucę, bo tu się nie da.

    Ja mam teraz zrobić opcję CD w radiomagnetofonie Philipsa model AW7250. Ma radio i dwukasetowy magnetofon, ale nie ma CD. Mam cd-roma LG 32X.
    Zasilanie chciałem wziąść z transformatora, ale mały problem mam, bo przy najcichszym graniu napięcie jest 13.30V, a przy najgłośniejszym 11.80V. Wymyśliłem, że zadam osobny zasilacz, który daje 15V podłącze przez stabilizator 7812 i osiągnę 12V, dalej przez 7805 i będzie 5V. Na wyjściu filterek. Podepne się pod mikrofon z opcją wyboru przez przełącznik. Nie musi być w stereo, bo ten Philips jest monofoniczny, tylko dla bajeru dwa głośniki i napis, że stereo. I powinno być gites.
  • #18 756331
    Student
    Poziom 17  
    Nie czytałeś całego postu?
    Wystarczy samo 5V.
  • #19 766340
    kali111
    Poziom 14  
    Te 1 czy 1,2 A to chyba pobiera przy prędkościach "wyższych", to znaczy w kompie, a normalne płyty CD audio czyta x1 to chyba powinien mniej pobierać? Chyba że się mylę?!
  • #20 1302306
    szaszlyk1
    Poziom 11  
    Cd-rom przy rozruchu na samym początku napewno pobierzę taki prąd jak jest napisane na obudowie, dopiero w miarę rozpędzania się prąd się zmiejsza. Przy małych prędkościach obrotowych takich jak x4 czy x8 prąd jest bliski zeru, a przy wyższych prędzkościach też niewiele większy.

    Tak troszkę teorii choćby o samych silnikach
  • #22 3757722
    DJ Bufer
    Poziom 11  
    hehe noto ja mam takie pytanko jak ktoś morze jeszcze raz po mału bo sie zamotałem to prosze o odpowieć jak zrobić napięcie do CD-ROMU żebym mugł do gniastka normalnie podłanczać
  • #23 3758527
    UlfgaR
    Poziom 23  
    Żeby podłączyć cd rom musisz dysponować dwoma napięciami 5V i 12V
    Aby podłączyć do gniazdka musisz mieć transformator+mostek+kondensatory+stabilizatory(5V i 12V) napięcie przed stabilizatorem powinno być większe od napięcia wyjściowego o 3V
  • #24 3761443
    DJ Bufer
    Poziom 11  
    no dobra ale jak to połonczyć i jakie dokładnie rzeczy potrzebne
  • #25 3815655
    elektronik321
    Poziom 22  
    potrzebujesz transformator 12V stabilizator napięcia 5V oraz 12 V , na cdromie są napewno napisane poszczególne prądy dla napiec , kup stabilizatory na 3A , mostek prostowniczy kondensatory ceramiczne i elektrolity. https://obrazki.elektroda.pl/16_1177387177.jpg
REKLAMA