I to mi sie podoba, projekt w sam raz dla takich co strasznie do swojej klawiatury sa przyzwyczajeni, jak ja(wymienilem se diody, przemalowalem i nie mam ochoty sie z nia rozstawac)

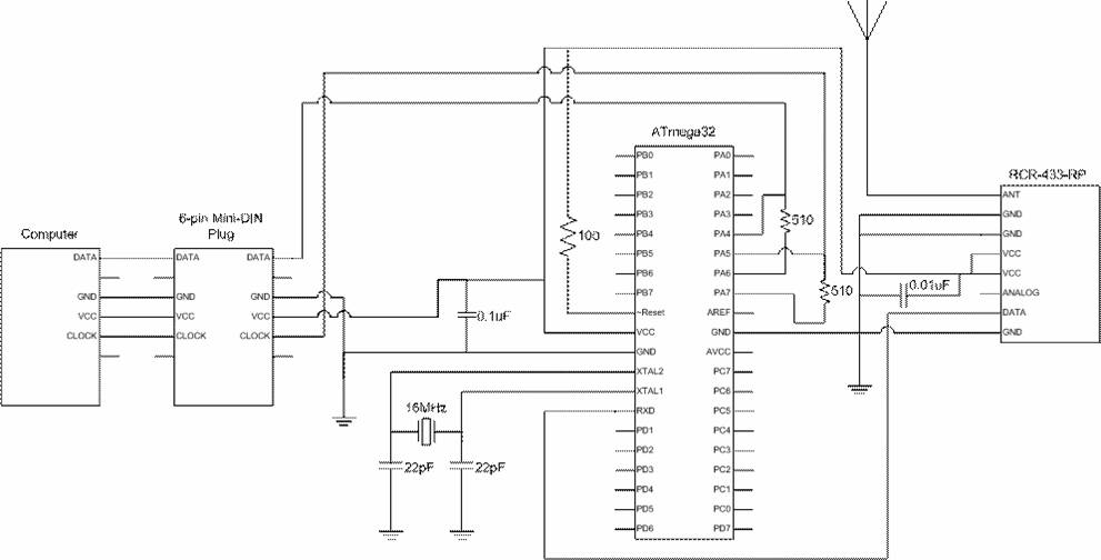
Ale zoptymalizowalbym go bardzo. Czy naprawde ATmega32 jest potrzebna, moze ATmega8 dalaby rade albo jakies ATtiny? I zegar 16MHz? Jezeli sie nie myle to przepustowosc PS/2 to jakies 40 kB/s co daje czestotliwosc ~330 kHz. Z kolei autorzy projektu mowia o 16kB/s a sam nadajnik - odbiornik ma mozlwosc 4,8 kB/s wiec jeszcze raz po co te 16MHz? I ogolnie czesc klawiaturowa powinna byc b. mala zeby w klawiaturze mozna bylo schowac a reszte kabla mozna wykorzystac do podlaczenia (tu moze byc juz jakis modul) tej czesci co sie do kompa podlacza. I czy u nas w sklepach mozna dostac elementy RCT-433-AS i RCR-433-RP ewentualnie jakies zamienniki? I czy koszt budowy na dzien dzisiejszy jest oplacalny? Bo na allegro klawiatury bezprzewodowe juz za 20 zl idzie dostac, albo nawet i taniej. I jak wyglada sprawa z zasilaniem? bo chyba autorzy o tym nie wspomnieli albo nie doczytalem. Ale pytan

Ale ogolnie sama koncepcja mi sie bardzo podoba.