logo elektroda
logo elektroda
X
logo elektroda
REKLAMA
REKLAMA
Adblock/uBlockOrigin/AdGuard mogą powodować znikanie niektórych postów z powodu nowej reguły.

ładowarka słoneczna - przetwornica impulsowa

Ognik69 08 Lip 2008 16:15 16745 7
REKLAMA
  • Wysoko sprawna przetwornica impulsowa - ładowarka słoneczna.

    Problem wykorzystania baterii słonecznych do zasilania różnych przenośnych urządzeń, od jakiegoś czasu pojawia się na forum.
    Jednak pojawiające się opisy albo są dość skomplikowane, albo nie spełniają wszystkich wymagań, jakie stawiałem takiej przetwornicy.
    Postanowiłem więc wykonać samemu układ.
    Założyłem, że muszę maksymalnie wykorzystać moc dostarczaną przez baterie słoneczne w zmiennych warunkach oświetlenia. Do tego urządzenie powinno mieć możliwość ładowania różnego rodzaju akumulatorów.

    Postanowiłem wyjść od znanego, taniego i bardzo popularnego układu MC34063 - http://www.datasheetcatalog.org/datasheets/2300/501448_DS.pdf
    Jest on powszechnie dostępny. Można też kupić wykonane na nim ładowarki samochodowe do telefonów komórkowych, w cenie kilku zł za gotową ładowarkę. Mamy wtedy gotową płytkę przetwornicy. Trzeba dodać kilka elementów.
    Problemem w takim układzie było utrzymanie napięcia wejściowego na poziomie napięcia mocy maksymalnej ogniwa panelu słonecznego. Dla mało wtajemniczonych w temat chodzi o to, że prawie niezależnie od warunków oświetleniowych, bateria słoneczna maksymalną moc oddaje przy pewnym napięciu, wynoszącym około 80% napięcia mierzonego bez obciążenia. Oczywiście razem ze zmianą oświetlenia, zmienia się prąd oddawany przez baterię.
    Jeśli chcemy więc uzyskać z maksymalną moc, jaką w danej chwili może ona oddać, to trzeba dostosować prąd tak, aby napięcie na wyjściu baterii było utrzymane w okolicy napięcia mocy maksymalnej.
    Z drugiej strony przetwornica powinna dawać na wyjściu jak największy prąd, nie przekraczając jednak maksymalnego prądu ładowania akumulatorów i napięcia stabilizowanego, aby ich nie przeładować.
    Posiadana przeze mnie bateria słoneczna, jest to elastyczny panel zakupiony na allegro.
    Oddaje on w normalny słoneczny dzień około 5,5W mocy. Napięcie bez obciążenia wynosi na nim 17,5V. Napięcie mocy maksymalnej ok. 13,8V
    Układ ładuje 4 akumulatorki Ni-MH typu AA. Jest to najbardziej typowe zasilanie, dlatego na wyjściu ustawiłem napięcie ok. 6V, minus 0,3V spadku napięcia na diodzie wyjściowej. Dioda na wyjściu, choć pogarsza ogólną sprawność (tracimy troszkę napięcia), to jest konieczna, ze względu na niestabilne warunki oświetlenia. Gdybyśmy zostawili sobie baterię do ładowania, a w międzyczasie chmurki zakryłyby słońce na dłużej, to bateria by się nam rozładowała przez układ.
    Oczywiście można i ładować inne baterie (z powodzeniem sprawdzałem na ogniwach Li-Ion), trzeba jednak ustawić inne napięcie zmieniając wartość rezystora R5. Np. dla baterii Li-Ion 3,7V napięcie końcowe ładowania nie może przekroczyć 4,2V. Latarka czołówka przerobiona na baterie od notebooka (dwie pojedyncze cele połączone równolegle) ładowała się i działała pięknie.

    Przy ładowaniu różnych ogniw polecam dorobienie przełącznika napięć zasilania, przełączającego dobrane rezystory w miejscu R5.
    W wypadku zastosowania innych ogniw słonecznych, należy zmienic diodę zenera na inną, tak aby utrzymać napięcie w okolicy napięcia mocy maksymalnej dla danej baterii.

    Fajne? Ranking DIY
    O autorze
    Ognik69
    Poziom 10  
    Offline 
    Ognik69 napisał 7 postów. Mieszka w mieście Warszawa. Jest z nami od 2008 roku.
  • REKLAMA
  • REKLAMA
  • #3 5474371
    Ronin64
    Poziom 35  
    Przy napięciu około 0.5V pracuje jeszcze MAX1709 mimo iż w specyfikacji jest mowa o napięciu 0.7V. Wiem to z doświadczenia gdyż wykonałem przetwornicę na tym układzie aby na wyjeździe mieć możliwość ładowania telefonu z 2 akumulatorów AA ładowanych z ogniwa słonecznego. Lepiej jest jednak zasilać przetwornicę z wyższego napięcia niż te 0.5~1V gdyż prąd pobierany ze źródła będzie mniejszy co w przypadku akumulatorków ma duże znaczenie :) Polecam stronę Maxima tam na pewno znajdziesz odpowiedni układ.
  • #4 8070358
    MaRzEnKaa
    Poziom 10  
    Musze zrobić właśnie taką ładowarkę, czy jest jakieś ograniczenie prądowe na wejściu takiej przetwornicy? Mam 36 ogniw słonecznych (90mA, 0.57V) i nie wiem jak je połączyć żeby taka ładowarka mi zadziałała. Zastanawiam się czy mogę je połączyć szeregowo i może zostać prąd 90mA i napięcie całego modułu 20,52V? Czy lepiej połączyć szeregowo - równolegle (18x2) i mieć napięcie 10,26V ale prąd większy - 180mA?
  • REKLAMA
  • #5 8072179
    Ronin64
    Poziom 35  
    A co takiego chcesz ładować/zasilać? Przetwornica pobierze tyle prądu na ile pozwoli ograniczenie lub ile będą w stanie dać ogniwa. Jak zastosujesz połączenie mieszane to będziesz też musiał zmienić diodę D2.
  • #6 8073995
    MaRzEnKaa
    Poziom 10  
    4 akumulatorki AA chce ładować, tak samo jak na schemacie a one mają zasilać w sumie diody LED i timer 555 :) Pomyślałam że moze połacze 31 ogniw szeregowo, wtedy będę miała napięcie ok. 17,5V wtedy nic bym nie musiała zmieniać w schemacie. Czy to wtedy zadziała?
  • REKLAMA
  • #7 8075985
    Ronin64
    Poziom 35  
    Zadziała tylko nie wiem jak będzie z wydajnością prądową na wyjściu (czy akumulatorki zostaną naładowane). W sumie to lepiej już wykorzystać wszystkie fotoogniwa połączone w szereg i ewentualnie zmienić C3 na taki który może pracować przy wyższym napięciu.
  • #8 10440984
    Dr.Diodac
    Poziom 10  
    Witam serdecznie.
    Zainteresował mnie temat bo też chciałbym poskładać ładowarkę słoneczną.
    Miałbym kilka pytań i chciałbym przedyskutować rozwiązania, mam nadzieję że pomożecie :)

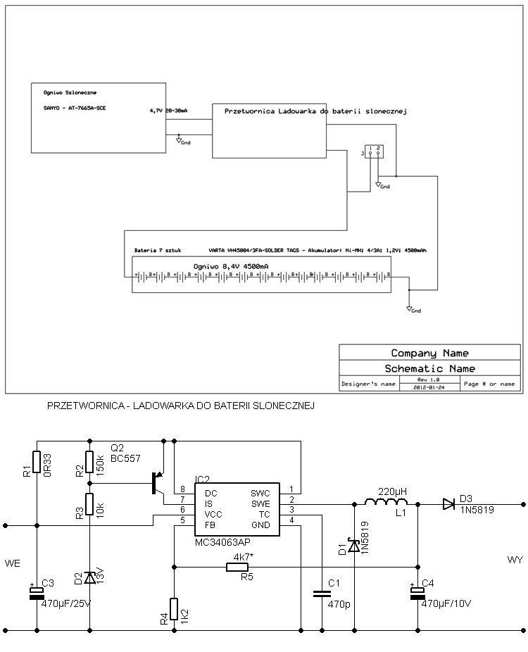
    Otóż połączyłem szeregowo 7 akumulatorków o parametrach 1,2V i 4500mA by uzyskać 8,4V 4500mA - akumulatorki dokładnie takie: http://www.tme.eu/pl/details/accu-vh45004_3l/akumulatory/varta/vh450043fa-solder-tags/#

    Jako ogniwo słoneczne wykorzystam SANYO - AT-7665A-SCE - na wyjściu 4,7V i ok.17-25mA http://pl.farnell.com/sanyo/at-7665a-sce/ogniwo-sloneczne-elastyczna/dp/1679083

    I teraz tak, chciałbym wykorzystać układ przetwornicy jaki Kolega Ognik69 przedstawił:
    ładowarka słoneczna - przetwornica impulsowa

    Problem w tym czy taki zestaw zda egzamin, co o tym myślicie? Byłbym wdzięczny za sugestie jak dostosować układ dla moich akumulatorków i panelu słonecznego.
    Chciałbym ustalić prąd ładowania taki by nie przeładować akumulatorków oraz żeby ładowarka była ciągle podłączona i w stanie ładowania.

    Pytanie mam także czy w tym samym czasie i w takiej konfiguracji mogę korzystać z tego układu jako zasilacz? mikrokontrolera który ma pobór prądu ok. 200mA

    Idea jest taka żeby układ sam się ładował gdy mikrokontroler jest w spoczynku lub był zasilaczem gdy pracuje.
    Akumulatorki specjalnie dałem 4500mA żeby był spory zapas energii na pracę mikrokontrolera przez ok. 5 godzin w zaciemnionym miejscu, a gdy pojawi się światło to automatycznie idzie wpomaganie z baterii słonecznej.

    Proszę Szanownych Kolegów o pomoc i porady jak poprawnie zbudować takie combo ładowarka/zasilacz :D

    Mam taki pomysł (obrazki bardzo poglądowe):
    ładowarka słoneczna - przetwornica impulsowa

    a tutaj zastosowałem dodatkowo przetwornicę DC/DC na wyjściu z ogniwa słonecznego w celu wzmocnienia napięcia. Jest kwestia tylko doboru odpowiedniej napięciowo przetwornicy.

    ładowarka słoneczna - przetwornica impulsowa
REKLAMA