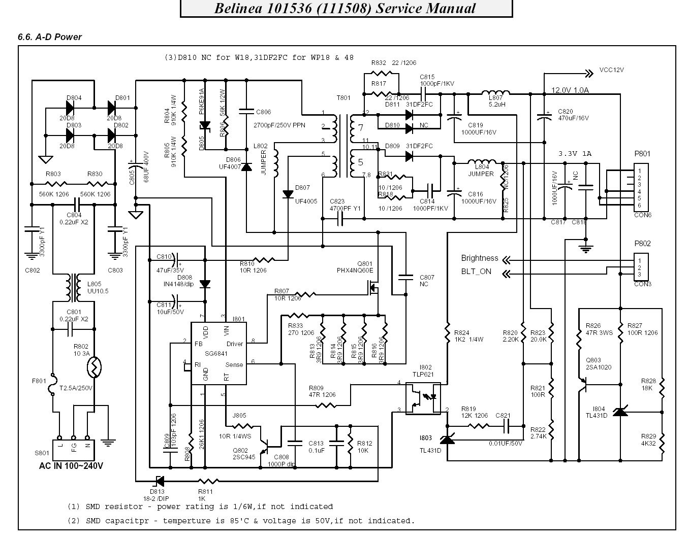
Nabyłem Monitor Belinea 10 15 36 (11 15 08) rev 1.5 Uszkodzony nawet dioda zasilająca nie świeci -Uszkodzony zasilacz. Brak właściwego schematu ten z elektrody Belinea 101536 różni się od mojej wersji. U mnie inwerter i zasilacz jest na jednej płytce. Wymieniłem tranzystor w zasilaczu P4NB80P na nieco słabszy BUK455 nic się nie działo postanowiłem pomierzyć pod napięciem i padły dwa elementy SMD R813 R816 -nie znam ich wartości (obok tranzystora) Mam wrażenie że ktoś grzebał przy R804 R805 są w dobrym stanie MłT -czyżby takie wstawiali fabrycznie?
Proszę o pomoc właściwy schemat by się przydał.[/u]
To jeszcze jedno jaki zamiennik za tranzystor PHX4NQ60E?
Proszę o pomoc właściwy schemat by się przydał.[/u]
To jeszcze jedno jaki zamiennik za tranzystor PHX4NQ60E?
