_Robak_ napisał: Kwarcu nie wymaga, a spalic taki port jest jest niezwykle latwo

Mi siadl L7805 przez co dawal 7V, procek wytrzymal i nawet dzialal:) Ale LPT w kompie poszedl z dymem niestety

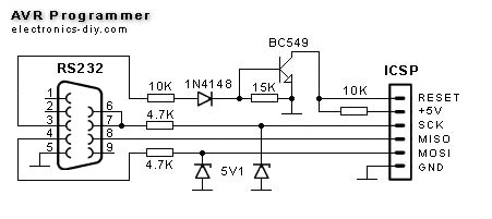
.To normalne, że po przewaleniu napięcia logika się pali. No cóż, w układach eksperymentalnych trzeba się liczyć ze wszystkim, łącznie z odwrotnym podłączeniem zasilania. Dlatego układ na RS byłby lepszy (gdyby działał

)
W przypadku rozważanego schematu,
te kilkanaście woltów (np. 12-15), czy odwrócony potencjał nie zaszkodzi, bo sam RS pracuje w tym zakresie i niezależnie od swojego poziomu (w laptopach bywają niższe), musi być odporny na takie napięcia na swoich liniach - to pierwszy powód. Drugim są oporniki (dlatego proponowałem dodatkowy opornik na linii bezpośrednio łączonej), trzecim Zenery, które mają szanse choć przez jakiś czas coś przechwycić. Przy odpowiedniej ich mocy najpierw spali się sam zasilacz, jego bezpiecznik i procesor, a dopiero na końcu one same.
Nie zalecam eksperymentów, ale podejrzewam, że powiedzmy +/-15V podane na linie tego "programatora" nie uszkodzi portu RS w komputerze (ale uszkodzi sam programator, bo Zenery "dadzą ogniem").
Nie wiem na ile odporne są interfejsy USB, ale nawet jeśli są zabezpieczone, nie podejrzewam, żeby ktoś ryzykował podanie takich napięć na ten port. A na RS można.
Oczywiście niemal pełne bezpieczeństwo daje optoizolacja (niemal pełne, bo same optoizolatory mogą teoretycznie też strzelić i w bardzo niesprzyjających okolicznościach itd...itd...). Tak jak pisałem stosowanie podstawowych zasad bezpieczeństwa (do których należą poprawne łączenie z zapewnieniem poprawnych napięć zasilających) pozwala pracować w miarę bezpiecznie na prostym kawałku druta wetkniętym w port drukarki.