logo elektroda
logo elektroda
X
logo elektroda
REKLAMA
REKLAMA
Adblock/uBlockOrigin/AdGuard mogą powodować znikanie niektórych postów z powodu nowej reguły.

Jak aktywowac "zrodlo" CD (do aux) w sony cdx-3900

katze750 01 Sie 2008 02:35 4032 2
REKLAMA
  • #1 5397448
    katze750
    Poziom 11  
    Witam!
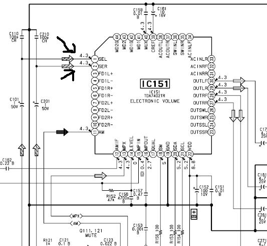
    Posiadam sony cdx-3900r z niedzialajacym mechanizmem cd(nie czyta plyt) i tak sie zastanawiam jak dorobic do tego radyjka wejscia aux,niestety na forum nic nie znalezlem :(...po przestudiowaniu schematu radyjka chyba cos znalazlem ;) podpiecie auxa pod audioprocesor w zamian za sygnal idacy z cd (rysunek nizej).
    Ale po nacisnieciu source radio nie przelacza sie na cd, mechanizm mam wyjety ale jak go wloze to tez nic, wczesniej cos tam probowal czytac plyty ale setki razy go rozbieralem i pewnie cos uszkodzilem ;)
    i tu moje pytanie....co zrobic by po nacisnieciu source odtwarzacz przechodzil w tryb cd???? wtedy moglbym podlaczyc zewnetrzne mp3 i bylo by git:)
    specjalistow prosze o pomoc :)

    Jak aktywowac "zrodlo" CD (do aux) w sony cdx-3900


    schemat radyjka:
    https://www.elektroda.pl/rtvforum/download.php?id=49589 3.12MB
    https://www.elektroda.pl/rtvforum/download.php?id=49590 3.12MB
  • REKLAMA
  • #2 8448482
    katze750
    Poziom 11  
    Tyle czasu minęło a ja mam znowu styczność z tym radiem a problem auxa dalej nierozwiązany...Ma ktoś jakieś pomysły??
  • #3 10190723
    Starykot
    Poziom 16  
    Temat stary ale może ktoś z tym samym modelem ma odczynienia.
    Otóż wyjście audio z tyłu radia (chinch) można potraktować jednocześnie jako wejście. Nie będzie możliwości kontroli głośności potencjometrem na radiu, ale muzyka gra. Wystarczy luknąć na schemat radia. Te wejścia są połączone z wejściem sygnału na końcówce mocy.
REKLAMA