Znalazłem w sieci całkiem ciekawy projekt DAC'a, chciałbym go wykonać.
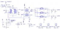
Mój problem polega na tym, że nie wiem o jakiej częstotliwości zastosować generator kwarcowy. Na schemacie, który dołączyłem przy rezonatorze zaznaczone jest freq=10Meg, ale co dziwne autor, który wykonywał projekt zastosował generator 67.108864MHz (którego pewnie nigdzie nie dostanę). Ciekawi mnie czemu zastosował taką dziwną wartość.
Przeglądając datasheet scalaka CS8414 znowu zauważyłem, że MCF (Master Clock Frequency) przystosowany jest od 7.28MHz do 25.6MHz i 256*FS, gdzie FS to częstotliwość próbkowania dźwięku. Czyli według tego wychodziłoby, że mam zastosować generator 11.2896MHz (256*44100)? Już się w tym pogubiłem i nie wiem jaki generator mam zastosować, byłbym bardzo wdzięczny za podpowiedzi.
Mój problem polega na tym, że nie wiem o jakiej częstotliwości zastosować generator kwarcowy. Na schemacie, który dołączyłem przy rezonatorze zaznaczone jest freq=10Meg, ale co dziwne autor, który wykonywał projekt zastosował generator 67.108864MHz (którego pewnie nigdzie nie dostanę). Ciekawi mnie czemu zastosował taką dziwną wartość.
Przeglądając datasheet scalaka CS8414 znowu zauważyłem, że MCF (Master Clock Frequency) przystosowany jest od 7.28MHz do 25.6MHz i 256*FS, gdzie FS to częstotliwość próbkowania dźwięku. Czyli według tego wychodziłoby, że mam zastosować generator 11.2896MHz (256*44100)? Już się w tym pogubiłem i nie wiem jaki generator mam zastosować, byłbym bardzo wdzięczny za podpowiedzi.
