logo elektroda
logo elektroda
X
logo elektroda
REKLAMA
REKLAMA
Adblock/uBlockOrigin/AdGuard mogą powodować znikanie niektórych postów z powodu nowej reguły.

[Atmega8][c] sterowanie głośnikiem, kłopot z wzmacniaczem.

Tomcio7 02 Sie 2008 11:02 4315 5
REKLAMA
  • #1 5400759
    Tomcio7
    Poziom 17  
    [Atmega8][c] sterowanie głośnikiem, kłopot z wzmacniaczem.

    Jak widać na schemacie zbudowałem drabinke R-2R, podpiąłem do portu i próbuje sterować głośnikiem. 32khz 8bit wav + równoległe sterowanie wyświetlaczem s65 2klatki przy 8mhz dane czytam z SD 256:). Wszystko działa oprócz tego wzmacniacza LM358N

    Gdy głośnik 8ohm podepnę przed wzmacniacz - bezpośrednio do drabinki to słyszę bardzo ciche czyste granie - lecz gdy wzmocnie sygnał wzmacniaczem (w konfiguracji wspólnego emitera) to słyszę w głośniku trzaski (tylko trzaski) które w/g mnie pojawiają się wtedy gdy pojawia się niska częstotliwość tzn. basy;)

    Dodam że całość zasilam 3,3V...
    Szczerze przyznam się że wzmacniacze nie są moją mocną stroną.

    Dodam że wcześniej używałem PWM, głośnik podpięty bezpośrednio pod pin (bez filtru działa lepiej) - ale efekt nie dokońca mnie zadowala, słychać trzeszczenie...

    zależy mi na ograniczeniu elementów - czy to ma rację bytu?
    https://obrazki.elektroda.pl/77_1198694228.png więze stąd
    https://www.elektroda.pl/rtvforum/topic904655.html

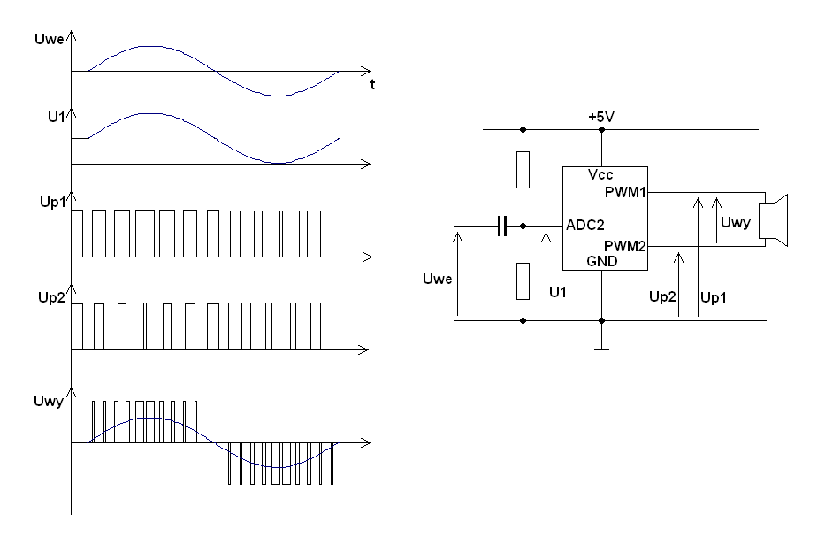
    Nierozumiem po co są rezystory przy ADC2 - z rysunku widzę że podnosi napięcie, ale po co....
  • REKLAMA
  • Pomocny post
    #2 5401031
    Dr.Vee
    VIP Zasłużony dla elektroda
    Tomcio7 napisał:

    Wszystko działa oprócz tego wzmacniacza LM358N
    ...
    Dodam że całość zasilam 3,3V...


    No i nie ma prawa zadziałać przy zasilaniu 3,3V. Poczytaj notę aplikacyjną LM358N - Zakres współbieżnego napięcia wejściowego to od Vcc-2V do 0V, czyli Ty go przekraczasz. To samo z napięciem wyjściowym - powiedzmy od Vcc-2V do 0V, ale to 0V tylko przy poborze prądu do 50uA - a Twoj głośnik na pewno pobiera więcej, więc najniższe poziom wyjścia będzie ok. 0,5V. Przy założeniu, że wzmacniacz nie "zwariuje" po przekroczeniu parametrów pracy, to zmiany napięcia na wyjściu = max. 0,8V, czyli dużo mniej niż na wejściu :)

    Pokaż schemat tego wtórnika emiterowego.

    Cytat:

    [Atmega8][c] sterowanie głośnikiem, kłopot z wzmacniaczem.

    Nierozumiem po co są rezystory przy ADC2 - z rysunku widzę że podnosi napięcie, ale po co....


    Rezystory polaryzują wejście ADC2, ustalając na nim 0,5VCC, a kondensator blokuje składową stałą sygnału - czyli na wejściu ADC2 pojawia się sygnał o poziomach Vcc/2 +/- Vpp/2. Takie ustalenie "punktu zero" jest konieczne, bo dla prawidłowej pracy ADC napięcie sygnału musi się mieścić w zakresie [0-Vcc].

    Zastosowane tam rozwiązanie daje dużo większe napięcie na głośniku, bo aż Vcc*2 - stąd większa moc oddawana do głośnika.

    PS. jak wzmacniacze nie są Twoją dobrą stroną, to proponuję zacząć od symulacji, jak nie zadziała, to będziesz wiedział przed lutowaniem ;)

    Pozdrawiam,
    Dr.Vee
  • REKLAMA
  • Pomocny post
    #3 5401034
    mkpl
    Poziom 37  
    Masz kilka błedów na schemacie. A dokładniej jesli to wzmacniacz operacyjny w ukladzie wtórnika to powinien mieć zasilanie symetryczne a jesli go nie ma to potrzebna jest symetryzacja zasilania do tego napięcie jest zdecydowanie dla niego zbyt niskie (przydała by się przetwornica) a do tego tak podłaczony glosnik dostaje składową stałą z wzmacniacza operacyjnego co moze go upalić lub upalić wzmacniacz operacyjny.
    Osobiście proponował bym obciażyć drabinke R-2R jakimś oporem a za nim wzmacniacz audio najlepiej sprawdził by się tutaj TDA7052A pracuje przy niskich napięciach jest wzmacniaczem mostkowym przez co przy niskim napieciu jest trochu mocy (do 1W) ma wzmocnienie sterowane poziomem napiecia (mozesz to wykozystac jakoś do sterowania glosnoscia z poziomu uC)
    no i do działania wystarczy mu tylko jeden kondensator ;)
  • REKLAMA
  • #4 5402346
    Bojleros
    Poziom 16  
    Rozumiem że istotna jest prostota urządzenia jednak ja bym optował za tym żeby sygnał PWM puścić najpierw na detektor wartości średniej, wypruć składową stałą a potem dopiero wzmacniać. Oczywiście zakładam użycie jednego kanału PWM.
  • REKLAMA
  • #5 5403695
    Tomcio7
    Poziom 17  
    Zrobiłem jeszcze inaczej. Podpiołem + głośnika do jednego pwm i wysyłam na niego wartość amplitudy dźwięku, a - głośnika podpiąłem do 2 pwm'a :D i wysyłam na niego odwróconą wartość dźwięku.

    Trzeszczenia były spowodowane błędem w programie ...

    Bardzo ładnie gra pomimo niedodania filtru dolnoprzepustowego :). Głośnik bezpośrednio podpięty pod nóżki..

    Pewnie zaraz odezwą się słowa krytyki że głośnik mogę spalić... ale podkreślam zależało mi na maksymalnej prostocie
REKLAMA