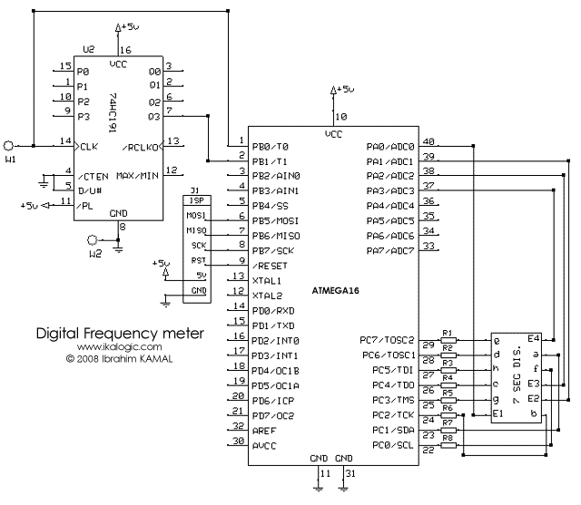
Jeżeli jesteś zainteresowany budową własnego licznika częstotliwości, to ten projekt na pewno okaże się dosyć pomocny. Samo urządzenie jest stosunkowo proste i jego budowa nie powinna sprawić problemu początkującym elektronikom. Przedstawiony projekt ma zakres pomiaru do 40 Mhz i dokonuje pomiarów z dokładnością 99%. Całość zbudowana jest na mikrokontrolerze Atmega 16 i 4-bitowym liczniku 74191. Schematy i program do mikrokontrolera znajduje się na stronie źródłowej. Ponadto znajduje się tam dokładny opis algorytmu obliczania częstotliwości, co może okazać się przydatne dla bardziej dociekliwych amatorów.
Źródło http://www.ikalogic.com/freq_meter_2.php
Fajne? Ranking DIY
