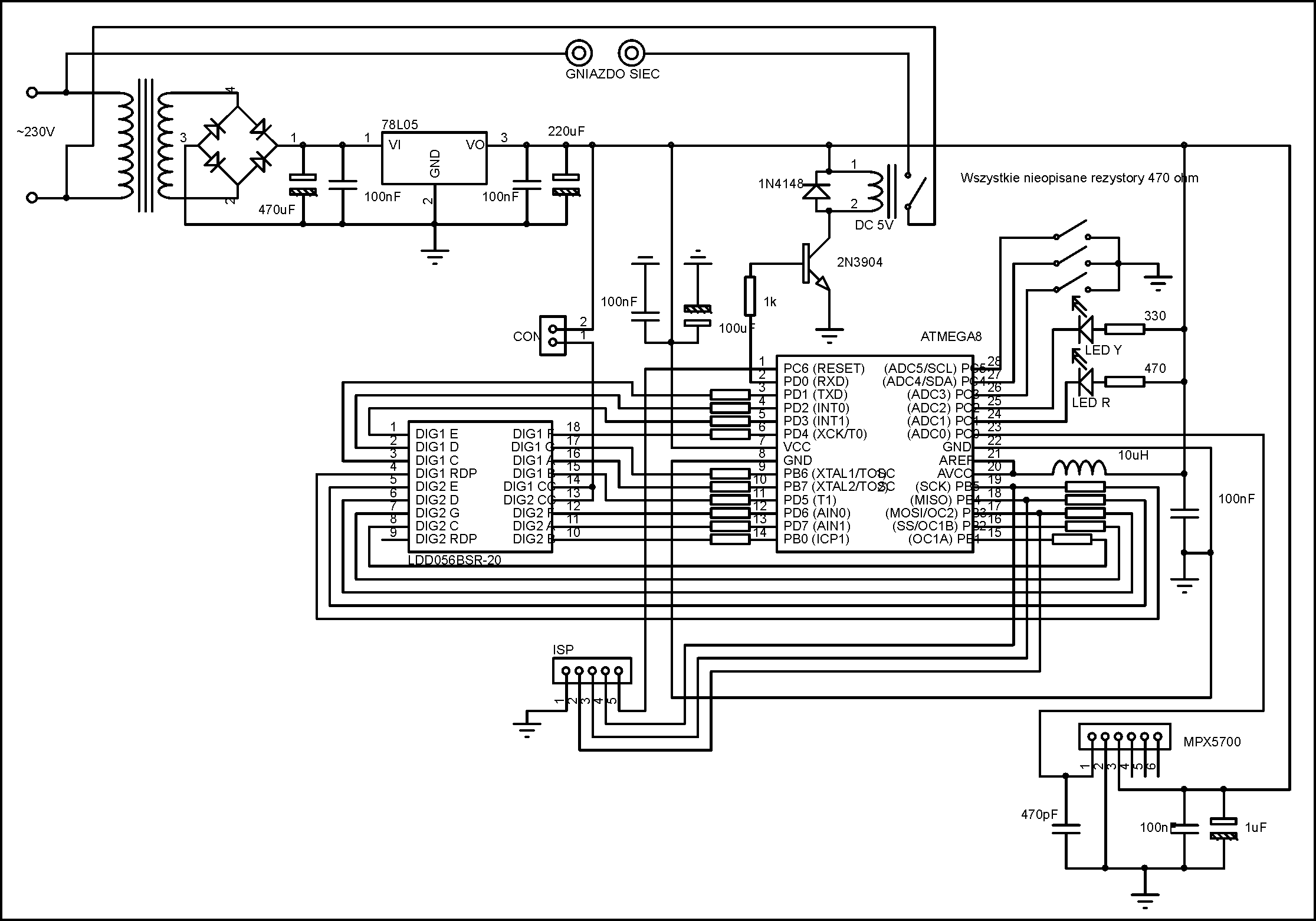
Gorąca prosba o sprawdzenie przedstawionego schematu. Jest to wyłącznik ciśnieniowy do aerografu na ATmedze8 z czujnikiem MPX5700. Układ włącza-wyłacza kompresor po osiągnięciu w zbiorniku powietrza zadanego ciśnienia. Sterowanie i sygnalizacja: 3 przyciski, 2 diody LED i 2XLED siedmiodegmentowy ze wspólna anodą.
Głównie chodzi mi o to czy:
1. poprawnie podłączyłem czujnik ciśnienia do przetwornika AD,
2. czy napięcie referencyjne i zasilanie częsci analogowej jest poprawnie zrobione,
3. czy potrzebna jest zworka (CON) odłączajaca zasilanie wyświetlacza siedmiosegmentowego na czas programowania.
4. czy wartosci kondensatorów (głównie pod kątem filtrowania napięć) są OK.
Z góry dziękuję za wszelka pomoc.
![[ATmega8] Czujnik ciśnienia - prośba o sprawdzenie schematu [ATmega8] Czujnik ciśnienia - prośba o sprawdzenie schematu](https://obrazki.elektroda.pl/78_1219697936_thumb.gif)
Głównie chodzi mi o to czy:
1. poprawnie podłączyłem czujnik ciśnienia do przetwornika AD,
2. czy napięcie referencyjne i zasilanie częsci analogowej jest poprawnie zrobione,
3. czy potrzebna jest zworka (CON) odłączajaca zasilanie wyświetlacza siedmiosegmentowego na czas programowania.
4. czy wartosci kondensatorów (głównie pod kątem filtrowania napięć) są OK.
Z góry dziękuję za wszelka pomoc.
