Mały update, bo widzę, że chyba nikt ich nie zna...
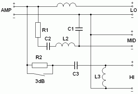
Poniżej schemat zwrotnicy i zdjęcie drugiej, sprawnej. W uszkodzonej brakuje L1, L3 jest nieznacznie uszkodzona (kilka zwojów zsuniętych) i ewentualnie też nadawałaby się do wymiany.
Czy ktoś jest w stanie sprawdzić, wyliczyć, odgadnąć parametry tych uszkodzonych?
W internecie znalazłem strzępki informacji, że zwrotnice pochodzą z zestawu trójdrożnego o mocy nominalnej 100W, 170W muzycznej.
Parametry elementów na schemacie:
R1 - 1Ω/5W
R2 - 1,8Ω/5W
C1 - BI-POLAR 6,8MFD 100WV (pierwszy raz widzę takie oznaczenia, chyba 6,8µF/100V)
C2 - 47µF/100V NP±10%
C3 - 3,9K(?) 100V MET CH
Cewki bez oznaczeń.
Przełącznik przy R2 zwiera go, napis przy nim to 0dB/3dB
C3 na zdjęciu to ten żółty.
L1 to cewka w lewym dolnym rogu, L3 zaraz obok. L1 na schemacie jest na samej górze (nie chce już poprawiać).
Z góry dziękuję za pomoc
