logo elektroda
logo elektroda
X
logo elektroda
REKLAMA
REKLAMA
Adblock/uBlockOrigin/AdGuard mogą powodować znikanie niektórych postów z powodu nowej reguły.

CB Alan 18 - jak włączyć filtr ANL?

mario205 08 Wrz 2008 17:49 11353 14
REKLAMA
  • #1 5517303
    mario205
    Poziom 18  
    Witam. W moim Alanie 18 słyszę pracę wycieraczek i silniczka sterowania szyb. W poszukiwaniu rozwiązania problemu zerknąłem do schematu i na płytkę radia. Schemat wskazuje ( prawdopodobnie, bo nie jestem elektronikiem) , że filtr ANL jest załączony na stałe ( dziwi mnie tylko trochę, że w pozycji OFF, bo wydaje mi się, że w opcji OFF filtr powinien być wyłączony, ale może się mylę ), natomiast stan faktyczny płytki odbiega od schematu, tzn. w punktach oznaczonych na schemacie jako 38 i 39 kończą się biegi ścieżek i nie są ze sobą połączone, tak jak pokazuje to schemat. Jak wiadomo, Alan 18 nie ma opcji włączania i wyłączania filtra ANL za pomocą przycisku. W związku z tym, czy aby uaktywnić filtr ANL muszę połączyć ze sobą punkty 38 i 39, tak jak na schemacie ? Jak to jest z tym filtrem w tym modelu ?
  • REKLAMA
  • #2 5517940
    tpl
    Poziom 19  
    Witam. Filtr ANL w tym radiu załącza się rozwierając (wspomniane przez Ciebie) punkty. Analogicznie zwarte punkty - filtr wyłączony.
  • #3 5518733
    mario205
    Poziom 18  
    tpl, dzięki za wyjaśnienie. Skoro, ten filtr mam załączony na stałe, a mimo to radio zbiera te zakłócenia, to może podpowiesz, które elementy są składowymi tego filtra? Posprawdzam, czy i jakie są tam napięcia.
    CB Alan 18 - jak włączyć filtr ANL?
  • #4 5518893
    tpl
    Poziom 19  
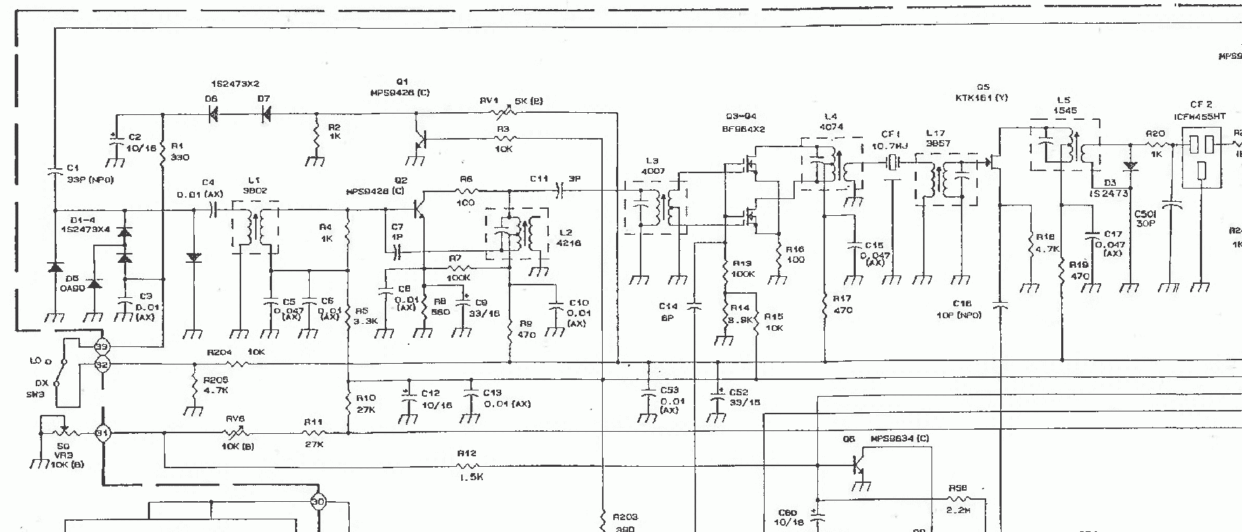
    Te zakreślone na fragmencie schematu to elementy odpowiedzialne za filtr ANL.
    CB Alan 18 - jak włączyć filtr ANL?
    Ale taki prosty filtr wszystkich zakłóceń nie usunie. Do"kompletu" potrzebny byłby Ci filtr NB. Ten model alana NB nie posiada.
  • #5 5519708
    mario205
    Poziom 18  
    Pomierzyłem napięcia na zaznaczonych elementach. Niestety nie znam ,,fabrycznych,, napięć. Moje wskazania mieściły się między 130-300 mV. Teraz mam pytania dotyczące NB.
    1.Czy chcąc dobudować ten filtr NB, należy do każdego modelu dobierać odpowiednie wartości, czy np. można skorzystać ze schematu innego radia, które posiada taki filtr i zbudować podobny u siebie ?
    2. Wtedy, w którym miejscu podłączyć taki filtr w Alanie 18 ?
  • REKLAMA
  • Pomocny post
    #6 5519844
    tpl
    Poziom 19  
    Filtr NB wycina zakłócenia impulsowe charakteryzujące się wysoką amplitudą i krótkim czasem trwania. Blokowanie tych zakłócających impulsów elektromagnetycznych powinno odbywać "się najbliżej anteny" czyli tam gdzie nie są jeszcze wydłużone przez kolejne obwody rezonansowe.
    Dość dobry filtr NB posiada radio President Grant i jemu podobne.
    Próbka sygnału jest pobierana z drugiego obwodu rezonansowego 1-ej pośredniej, a blokuje czyli tłumi na czas impulsu trzeci obwód tejże pośredniej.
    Przed wykonaniem tego u siebie przejrzyj schematy radyjek z takim filtrem, a na pewno wybierzesz jakiś konkretny schemat.
    Polecam prosty i skuteczny filtr NB z radia Lafayette Indianapolis. Włącz go u siebie podobnie jak w oryginale. Schemat powinien tu być.

    Pozdrawiam.
  • #7 5522206
    mario205
    Poziom 18  
    Witaj tpl. Dziękuję Ci za opis funkcji NB. Niestety, jak już wcześniej wspominałem, nie jestem elektronikiem i dla mnie informacja o obwodzie 1 pośredniej niewiele wnosi, bo i tak nie wiem, które elementy go stanowią i bez wskazania ,,palcem,, nie podołam tej modyfikacji z filtrem NB. W związku z powyższym, gdybyś mógł zaznaczyć na schemacie lafayette, które elementy to filtr NB i opisać na podstawie schematu Alana 18, co z czym mam połączyć w swoim Alanie, to wtedy sobie poradzę.
    Dzięki z góry.
    CB Alan 18 - jak włączyć filtr ANL?
  • REKLAMA
  • #8 5522511
    tpl
    Poziom 19  
    Początkowo chciałem Ci radzić byś dał sobie z tym spokój. Technika w.cz. jest trudnym zagadnieniem. Ale nie chcę Ciebie zniechęcać do budowy eksperymentalnych urządzeń. Pamiętam swoje początki.
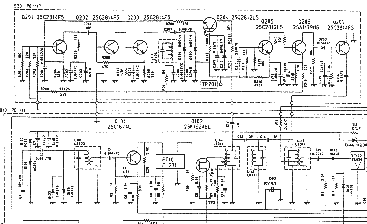
    Zaznaczyłem na schemacie elementy odpowiedzialne za filtr NB.
    CB Alan 18 - jak włączyć filtr ANL?

    Punkty:
    żółty - wejście
    niebieski - wyjście
    pomarańczowy - zasilanie stale
    czerwony - zasilanie załączane

    Wejście i wyjście musi być odizolowane dla prądu stałego przez kondensatory.

    Optymalne włączenie do alana musisz wybrać doświadczalnie.
    Nie ma na to gotowej recepty.
  • #9 5524579
    mario205
    Poziom 18  
    Witaj tpl.
    1.Czy te zasilania(stałe i załączane) to 12V ? Z którego filtra jest stałe zasilanie, z T5 , czy z T10 ?
    2. Czy na wejściu i wyjściu, dać zwykłe ceramiki o takich wartościach jak C16 i C17 na schemacie lafayette ?
  • #10 5525874
    tpl
    Poziom 19  
    Pomarańczowy- 12V stale
    Czerwony- ok. 9V stabilizowane. Ale w zasadzie możesz czerwony i pomarańczowy połączyć razem i zasilać to z 9V stabilizowanego.
    Kondensatory takie same jak w lafajetce.

    Ale może bardziej doświadczeni koledzy też przyłączą się do tego tematu.
    Trochę nudno jak tylko my sami uczestniczymy w tym wątku.
  • #11 5531716
    mario205
    Poziom 18  
    Może dla innych kolegów temat jest mało interesujący, dlatego się nie przyłączają ? Wracając do budowy filtra, myślę, że trudno będzie zdobyć te tranzystory, a zwłaszcza KTC1923, ale 2SC1923, to chyba będzie jego zamiennik. Sprawdzę jeszcze ich noty katalogowe. Pozostałe dwa też powinny mieć jakieś zamienniki. Po weekendzie wyruszę do sklepu po elementy i jak zdobędę te tranzystory to zmontuję ten filterek. Na razie, cześć.
  • #12 5532527
    tpl
    Poziom 19  
    Nie upieraj się przy tych tranzystorach. Każdy krzemowy w.cz małej mocy o względnie małych szumach będzie pracować jako Q1 np. BF180, a Q2 BC177, Q3 BC107. Diody germanowe szybkie z serii AAY.
  • REKLAMA
  • #13 5537606
    mario205
    Poziom 18  
    Dziś odwiedziłem trzy sklepy w moim mieście i ........smutek.:cry: Nie mają żadnych germanowych diod i żeby było śmieszniej, to również na zamówienie nie sprowadzą, bo ich kooperanci nie mają takowych w ofercie. Muszę więc póki co, odłożyć budowę tego filtra, bo zakup kilku diód w internetowym sklepie się nie kalkuluje ze względu na koszty przesyłki. Bedę czekał na okzaję, może ktoś ze znajomych będzie w Krakowie na giełdzie lub w W-wie, to by mi na Wolumenie kupił (jak będą ? ) Na razie dzięki Ci tpl za pomoc. Jak zdobędę te diody i zmontuję filtr to się odezwę. Pozdr.Mariusz
  • #15 6343653
    tpl
    Poziom 19  
    Cześć. Włącz go na wejście i wyjście filtru w pierwszej pośredniej, tego ceramicznego. I pochwal się jak to działa.
REKLAMA