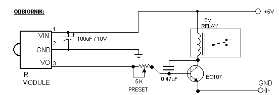
Najprostsze zastosowanie układu odbiornika podczerwieni TFMS5360 - sterowanie diodą LED. Można zastosować dowolnego pilota na podczerwień np. od TV - będzie to proste rozwiązanie testera pilotów RTV.
Nadesłał:
submit_by = pluszczu1(_at_)op.pl

Nadesłał:
submit_by = pluszczu1(_at_)op.pl

Fajne? Ranking DIY