Dane urządzenia:
•Wymaga zasilanie 9V
•Przełącznik zasilania (zasilacz 9V/bateria9V)
•Przełącznik kierunek obrotu silnika
•Wymaga dowolny typ silnika
Linki:
http://www.philohome.com/motors/motorcomp.htm
RYS1 - Schemat ideowy sterowania klockami lego
RYS2 - Schemat ideowy sterowania klockami lego
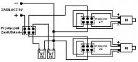
RYS3 - Schemat ideowy sterowania klockami lego
•Układ jest zasilany napięcie stałe z stabilizatorem 9V
RYS4 - Schemat ideowy sterowania klockami lego
•Układ jest zasilany napięcie stałe 9V (BT1,BT2)
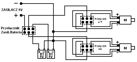
RYS5 - Schemat ideowy sterowania klockami lego
RYS6 - Schemat ideowy sterowania klockami lego
•Ł1 - łącznik suwakowy (Isostat.)
•Ł1, (I) - pozycja łącznika - zwarte styki 1 i 2 oraz 1' i 2'
•Ł1, (II) - pozycja łącznika - zwarte styki 2 i 3 oraz 2' i 3'
•Ł2, (I) - pozycja łącznika - zwarte styki 1 i 2 oraz 1' i 2' to M1 posiada obrotu w lewo (ω1)
•Ł2, (II) - pozycja łącznika - zwarte styki 2 i 3 oraz 2' i 3' to M1 posiada obrotu w prawo (ω2)
•Ł3, (I) - pozycja łącznika - zwarte styki 1 i 2 oraz 1' i 2' to M2 posiada obrotu w lewo (ω3)
•Ł3, (II) - pozycja łącznika - zwarte styki 2 i 3 oraz 2' i 3' to M2 posiada obrotu w prawo (ω4)
•M1 - silnik prądu stałego
•M2 - silnik prądu stałego
•ω1,ω3 - obroty w lewo
•ω2,ω4 - obroty w prawo
•BT1,BT2 - źródło zasilania (bateria)
RYS7 - Schemat blokowy sterowania klockami lego
•Z - blok zasilania - napięcie stałe 9V
•M1 - silnik prądu stałego
•M2 - silnik prądu stałego
•Wymaga zasilanie 9V
•Przełącznik zasilania (zasilacz 9V/bateria9V)
•Przełącznik kierunek obrotu silnika
•Wymaga dowolny typ silnika
Linki:
http://www.philohome.com/motors/motorcomp.htm
RYS1 - Schemat ideowy sterowania klockami lego
RYS2 - Schemat ideowy sterowania klockami lego
RYS3 - Schemat ideowy sterowania klockami lego
•Układ jest zasilany napięcie stałe z stabilizatorem 9V
RYS4 - Schemat ideowy sterowania klockami lego
•Układ jest zasilany napięcie stałe 9V (BT1,BT2)
RYS5 - Schemat ideowy sterowania klockami lego
RYS6 - Schemat ideowy sterowania klockami lego
•Ł1 - łącznik suwakowy (Isostat.)
•Ł1, (I) - pozycja łącznika - zwarte styki 1 i 2 oraz 1' i 2'
•Ł1, (II) - pozycja łącznika - zwarte styki 2 i 3 oraz 2' i 3'
•Ł2, (I) - pozycja łącznika - zwarte styki 1 i 2 oraz 1' i 2' to M1 posiada obrotu w lewo (ω1)
•Ł2, (II) - pozycja łącznika - zwarte styki 2 i 3 oraz 2' i 3' to M1 posiada obrotu w prawo (ω2)
•Ł3, (I) - pozycja łącznika - zwarte styki 1 i 2 oraz 1' i 2' to M2 posiada obrotu w lewo (ω3)
•Ł3, (II) - pozycja łącznika - zwarte styki 2 i 3 oraz 2' i 3' to M2 posiada obrotu w prawo (ω4)
•M1 - silnik prądu stałego
•M2 - silnik prądu stałego
•ω1,ω3 - obroty w lewo
•ω2,ω4 - obroty w prawo
•BT1,BT2 - źródło zasilania (bateria)
RYS7 - Schemat blokowy sterowania klockami lego
•Z - blok zasilania - napięcie stałe 9V
•M1 - silnik prądu stałego
•M2 - silnik prądu stałego
Fajne? Ranking DIY