logo elektroda
logo elektroda
X
logo elektroda
REKLAMA
REKLAMA
Adblock/uBlockOrigin/AdGuard mogą powodować znikanie niektórych postów z powodu nowej reguły.

Nagrzewnica Trumatic-E 1800, poszukuję schematu elektryczne.

niutat 25 Wrz 2008 17:54 5472 2
REKLAMA
  • #1 5570999
    niutat
    Poziom 36  
    Witam wszystkich, mam problem jak w temacie, jeśli ktoś miałby jakieś namiary to bardzo bym prosił :( , z góry dziękuję za pomoc. :please:
    Pozdrawiam.
  • REKLAMA
  • Pomocny post
    #2 5571059
    northx
    Poziom 17  
    płoszę bałdzo
    Nagrzewnica Trumatic-E 1800, poszukuję schematu elektryczne.

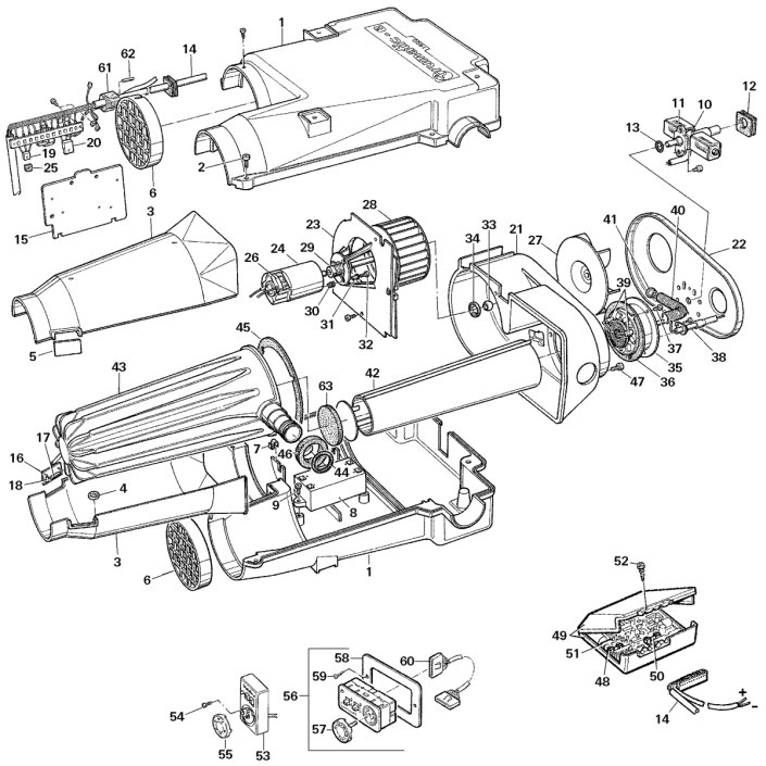
    opis części
    Trumatic E 1800
    Pos Part Number Description
    01 39080-05000 Case complete, only complete available
    02 39010-16400 PT-Screw KA50 x 14
    03 39080-10400 Inner tube semishell
    04 30010-19800 Starlock washer
    04x 39080-43200 Seal strap, 3,2 x 5 x 310 mm (not illustrated)
    04x 39080-26100 Round cord seal, Ø 2 x 950 (not illustrated)
    05 39080-12600 Seal plate
    06 39080-14800 Air intake grill
    07 39080-17300 Cable clamp, UK 11 536
    08 39050-19000 Ignitor 12 V
    09 39010-22600 PT screw S 40 x 10
    10 39080-05400 Solenoid valve E 18, 30 mbar
    10 39080-05300 Solenoid valve E 18, 50 mbar
    11 39080-05100 Solenoid coils, low and high
    12 39080-13200 Bush
    13 10030-20000 O-ring 8 x 1.5 mm
    14 39080-32300 Cable harness E 18, 24 V
    14 39080-32200 Cable harness E 18, 12 V
    15 39080-12400 Heat conducting plate
    16 39080-03500 Thermostat plate complete
    17 39010-15700 Fuse 184°C
    18 39080-18600 Temperature sensor
    19 39010-51900 Transistor BD 680
    20 39080-19700 Voltage regulator 7812, only for 24 V
    21 39080-00200 Air box
    22 39080-10200 Air box cover
    23 39080-10100 Motor flange
    24 39080-17100 D.C. Motor 24 V
    24 39080-17000 D.C. Motor 12 V
    25 39010-48900 Insulation sheet, Comerix
    26 39010-17400 Corbon brushes red/black
    27 39080-00800 Combustion air wheel
    28 39080-18700 Fan wheel
    29 39080-12900 Shaft coupling
    30 40010-11400 Vibration absorber
    31 39080-16000 Spacer bush
    32 10010-83200 Screw M 3.5 x 12
    33 39080-17500 Dome bearing
    34 39080-17400 Bearing spring
    35 39080-12000 Burner pot gasket
    36 39080-00400 Burner pot
    37 10010-80700 Screw M 3 x 10
    38 39080-03600 Flame rectification electrode, complette with insulation tube (ca. 5 cm)
    39 39080-03700 Spark electrode, complette with insulation tube (ca. 20 cm) 1 off
    40 39080-18100 Flexible tube, Ø 12.5 mm
    41 39080-14000 Injector 24 V, Ø 7.5 mm
    41 39080-13900 Injector 12 V, Ø 7.7 mm
    42 39080-00300 Flame tube
    43 39080-10300 Heat exchanger
    44 10030-23400 O-ring 16 x 2.5
    45 39080-11900 Heat exchanger gasket
    46 39080-10500 Sealing ring
    47 10010-50100 Screw M 4 x 12, VA
    48 39050-47100 Electronic 24 V, Exchange price, when returning the defective electronic to the factory
    48 39050-47000 Electronic 12 V, Exchange price, when returning the defective electronic to the factory
    49 39020-02500 Electronic housing complete
    50 39050-53900 Fuse 3.15 AT
    51 39010-10900 Fuse 1.25 AF
    52 39080-24600 PT-screw KB 30 x 12
    53 39010-73900 Control panel surface type 10 m
    54 10010-79200 Screw B 2.9 x 38
    55 39010-84000 Control knob complete
    56 39050-35000 Control panel (flush fit), without cable
    57 39050-35500 Control knob
    58 39010-86700 Mounting frame
    59 10010-78900 Screw B 2.9 x 25
    60 39050-36800 Control panel cable 10 m
    60 39050-36700 Control panel cable 4 m
    61 39080-12500 Bush
    62 39080-17600 Dowel pin, 3 x 20
    63 39080-16200 Insulation sheet
  • #3 5571078
    niutat
    Poziom 36  
    Dziękuję bardzo ale chodziło mi o schemat elektryczny, zaraz poprawię temat. :wink:
    Ten też się przyda oczywiście.
REKLAMA