logo elektroda
logo elektroda
X
logo elektroda
Adblock/uBlockOrigin/AdGuard mogą powodować znikanie niektórych postów z powodu nowej reguły.

Monitor do Playstation 2 nie psp

YoYo191 25 Wrz 2008 20:34 19200 17
REKLAMA
MediaMarkt Black Week
  • #1 5571646
    YoYo191
    Poziom 2  
    Siemka
    Czy moge jakos polaczyc monitor z ps 2 ?
    Da sie przerobic kabel od ps 2 na koncówke do monitora?
    Monitor do Playstation 2 nie psp
    Czy musze do tego uzyc powyzszy konwenter?
    dzieki z gory
  • REKLAMA
    MediaMarkt Black Week
  • Pomocny post
    #2 5603627
    webmortiz
    Poziom 20  
    Raczej musisz uzyc tego pudelka, ktore nazywa sie VGABOX. Jezeli chcesz uzywac jednoczesnie na jednym monitorze kompa i ps2 to licz sie z tym ze to pudelko ogranicza rozdzielczoscia. Jezeli masz np. ustawionego kompa na 1680x1050 to taki box przepuszcza max 1024x768 z tego co znalazlem na necie.
  • #3 5861568
    needle
    Poziom 11  
    Ps2 podobnie jak xboxa można podłączyć do monitora vga pod warunkiem iż ten ma obsługę sync on green:
    http://www.hardwarebook.info/PlayStation_A/V
    Jak zauważyłem większość monitorów Sony ma coś takiego ostatnio dorwałem konsolkę i też zainteresowałem się tym tematem tutaj jest lista ponoć obsługiwanych monitorów:
    http://playstation2-linux.com/sog.php
    Za około 200 zł można mieć piekny 21 calowy monitorek Sony, niemniej jednak wyszperałem jeszcze taki opisik:
    http://www.xbox-linux.org/wiki/Xbox_VGA_HOWTO
    czyli w razie gdy monitorek nie będzie działał to można w sumie niewielkim kosztem mu pomóc ;-p. zamiast układu LM1881 można użyć innego sync splitera np LMH1981
    Monitor do Playstation 2 nie psp
    Sam jestem w trakcie testowania powyższych informacji niestety z trzech moich monitorów żaden nie obsługuje sync on green - planuję teraz złożenie tego na którymś z powyższych układów muszę tylko zakupić tego typu układzik ponoć nie są drogie. Przy okazji prośba do kolegów którzy to przetestują aby napisali czy i jak udało się podłączyć konsole do monitora - ja oczywiście też napiszę jak mi się powiodło.
  • #4 5971554
    chinek
    Poziom 14  
    Witam.

    Ciekaw jestem, czy komuś udało się podłączyć Playstation 2 pod monitor.
    Sam nie próbowałem, bo nie jestem na 100% pewien, czy mój monitor (Philips Brilliance 107p50) ma Sync-on-Green.
    Aby nie robić OF podam linki do schematów jakie znalazłem w sieci, może komuś pomogą:
    Schemat 1
    Schemat 2

    Monitor do Playstation 2 nie psp

    Dajcie znać, jak komuś coś wyjdzie.
    Mam jeszcze taką małą prośbę, czy nie wiecie czy philips 107p50/00 obsługuje/posiada SOG (Sync-on-Green) :?:

    EDIT 1:
    Zauważyliście, że do zestawu linuksa dla Playstation dodawany był kabel "Monitor Cable Adaptor (for PlayStation® 2)"
    Monitor do Playstation 2 nie psp
    Na stronie Sony można przeczytać:
    Cytat:
    Please note: this does not allow the user to play all PlayStation 2 games on a monitor. The game must support VESA display modes (varies within territories) and even then this cable is not guaranteed to work for this type of usage.

    Na jakimś forum znalazłem taką informację:
    Cytat:
    The VGA cable was sold Only with the expensive&limited HDD Linux Kit bundle, altho there may of been a limited sepereate release of the cable in Japan back around 2000. The cable Only works for games that support 480 Progressive Scan or higher, something that a majority of PS2 games don't have. You're only option is a expensive box that will accept Component Video to Convert YUV 480i Signals to Progressive Scan VGA, also best that the device will let 480P signals thru since a converted 480i signal looks like crap compared to true 480P.


    Z innego forum:
    Cytat:
    The VGA adapter isn't just only working for linux. Progressive-scan capable PS2 games are displayable with it too, if your VGA display is able to handle sync-on-green.

    The VGA adapter is unfortunately not available separately. I even talked to Sarah Ewen from SCEE, no chance. Since I wasn't interested in the whole linux kit, I did some research and found out that the VGA adapter is pretty simble:

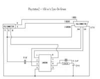
    PS2 (Multi AV) 1 to VGA (D-SUB15) 2 Green(Sync)
    PS2 (Multi AV) 2 to VGA (D-SUB15) 1 Red
    PS2 (Multi AV) 4 to VGA (D-SUB15) 3 Blue
    PS2 (Multi AV) 5/10/12 to VGA (D-SUB15) 4/6/7/8/10/15 GND


    EDIT2:
    A teraz chyba najlepsze, znalazłem taki o to schemacik:
    Monitor do Playstation 2 nie psp

    Tutaj jest co nieco opisane o VGA adapter (ENG)
    Pozdrawiam.
  • REKLAMA
    MediaMarkt Black Week
  • #5 6120630
    needle
    Poziom 11  
    No i stało sie ;-p
    Udało mi się podłączyć ps2 do monitorka i to bez żadnych kosztów (potrzebujemy gniazdo vga żeńskie i kilka kabelków) - przeglądając schematy playa zauważyłem iż układ cxa3525 opisany jako analog video encoder posiada wyprowadzenia h i v. Wystarczyła lutownica i podpięcie się pod układ!!! Niestety wadą playa jest częstotliwość zadawana na te wyprowadzenia - troszkę to za mało dla większości monitorów pozostają tylko gry z progressiv scanem lub jak w moim przypadku modbo 760 który oferuje wymuszenie trybu vga.
    Potestuje i postaram się w dniach najbliższych udostępnić linki oraz podzielę się spostrzeżeniami.

    Jak zauważyłem chip modbo po przestawieniu w tryb vga pozwala nam na używania monitora nawet na ekranie startowym - w przypadku gier obsługujących taką wyższą rozdzielczość mając podłączony monitor musielibyśmy progressiv włączać po omacku.

    Poniżej wgląd na interesujący nas układ na schemacie:

    Monitor do Playstation 2 nie psp

    nóżki 1 i 2 to H i V
    Niestety Playa trzeba rozebrać całkowicie i interesujące nas punkty lutownicze znajdują się od strony z radiatorem.

    Schemat znalazłem na www.eserviceinfo.com Link
    Model który przerabiałem to 30004 i nie wiem czy w wyższych modelach sony nie pozmieniało w tym miejscu czegoś.
    Mam nadzieję iż moje spostrzeżenia będą dla kogoś pomocne.
  • #6 6128912
    chinek
    Poziom 14  
    needle napisał:
    Model który przerabiałem to 30004 i nie wiem czy w wyższych modelach sony nie pozmieniało w tym miejscu czegoś.
    Mam nadzieję iż moje spostrzeżenia będą dla kogoś pomocne.

    Witam.
    Miło słyszeć, że komuś się udało odpalić PS2 na monitorze. Szkoda, że jest to model 30004 (znając życie to w Slimie V14 pozbyli się tego tak jak to było z dyskami IDE), ale kto wie.
    needle napisał:

    ... w przypadku gier obsługujących taką wyższą rozdzielczość mając podłączony monitor musielibyśmy progressiv włączać po omacku.

    To raczej nie problem, bo jeśli gra może pracować w progresisiv to w większości przypadków wystarczy przytrzymaćwciśnięty Δ i X podczas startu konsoli i gierka powinna się odpalić w wyższej rozdziałce.

    Oto lista gier 1 i lista gier 2 które obsługują HD

    needle napisał:
    ]Poniżej wgląd na interesujący nas układ na schemacie:

    Jeśli można to popraw obrazek, bo nie da rady go powiększyć.

    Pozdrawiam
  • #7 6151396
    needle
    Poziom 11  
    Obrazek to i tak tylko poglądowo wstawiłem wycięty ze schematu który można znaleźć w linku pod obrazkiem - polecam ściągnąć cały schemat.
    Ciekawi mnie właśnie jak jest w wyższych modelach czy sony pozmieniało coś w tym obszarze?? Chwilowo odstawiłem mojego playa (czytnik padł a NA musiałem oddać kumplowi:-( finanse nie pozwalają na zakup nowych) więc troszkę poczekam z testowaniem nowych rozwiązań - ale w przyszłym tygodniu mam miec w naprawie jakiegoś slima więc nie omieszkam sprawdzić jak tam ma się w nim sprawa z tym naszym układzikiem. W konsolce Xbox sytuacja z wyprowadzeniem vga jest podobna także musimy się podpiąć pod układ tylko że conexanta. Wspominam o tym dlatego iz wyżej wymieniony jest montowany tylko w konsolkach 1.0 i bodajże 1.1 (dzięki bogu mam 1.0 im starsze tym lepsze ;-p) jeśli chodzi o wyższe 1.2-1.6 to nie znalazłem solucji podłączenia wyprowadzeń H i V (oczywiście Xbox obsługuje sync on green) tak że jak to jest w nowszych playach przekonamy się już niedługo - za schemacikami tak czy inaczej będę musiał zasiąść i poszperać o efektach oczywiście poinformuję.
    Pozdrowionka dla kolegi chinek cieszę się iż ktoś oprócz mnie interesuję się tym tematem!!!
  • #9 6265957
    webmortiz
    Poziom 20  
    Na moje kiepskie oko te kondensatory powinny być, wydaje mi się też że zamiast tego el1881C(video sync) można dać LM1881 (ok 15 zl i chyba bardziej dostępny). Jeśli to działa to za niewielkie pieniądze można sobie dość użyteczną przejściówkę zrobić. Aż chyba się pokuszę i sobię to zbuduję w najbliższym czasie(myślę o tym drugim schemacie).
  • #10 6269023
    Zwierzakdc
    Poziom 11  
    Jednakże, na schemacie widnieje informacja, iż kondensator 220uF powinien być CERAMICZNY. Jeżeli można zastosować tantalowy to zaraz biorę się do składania przejściówki. Jeżeli nie może, to "dupa zimna":)

    Na poniższej stronce nie jest napisane, że powinien być ceramiczny.
    http://www.hardwarebook.info/PlayStation_A/V
  • #11 6270438
    webmortiz
    Poziom 20  
    Jest tam tez napisane ze monitor raczej musi obslugiwac tryb sync-on-green, tak wiec nie wszystkie monitory beda na tym smgac (wedlug opisow moj obsluguje ;)). Mysle ze jak sprobojesz bez kondziorkow albo z tantalowymi to nic sie nie stanie. Ale tantalowe trzeba chyba minusem do masy (taki prosty filtr dolnoprzepustowy) ale nie jestem pewien, najlepiej jak sie ktos wypowie kto sie bardziej orientuje niz ja. A pozatym ceramiczne w sklepach sprzedaja albo mozna skads wylutowac ;)
  • #12 6319423
    damik
    Poziom 16  
    Witam,
    Zrobiłem ostatnio adapter VGA do PS2 na LM1881 ze schematu https://obrazki.elektroda.pl/50_1236706238.jpg
    Działa poprawnie na jednym z moich monitorów SVGA na drugim niestety nie :/
    Zastosowałem kondensatory elektrolityczne 220uF bo ceramicznych chyba nawet nie produkują o takiej wielkiej pojemności ;) (nie spotkałem przynajmniej)
    Ważna uwaga to plusy kondensatorów 220uF powinny być połączone do PS2 i minusy do gniazda mnitora.
    Jednak PS2 trzeba zmusić do wystawiania synchro VGA bo standardowo podaje sygnał synchro TV ,np. za pomocą chipu MODBO z wł. opcją VGA lub programu XPloder HDTV Player czy Linuxa PS2...
    Pozdrawiam i powodzenia w budowie :)
  • #13 6329044
    chinek
    Poziom 14  
    Witam.
    Gratuluję wykonania adaptera. Czy wykonałeś go dokładnie jak na tym schemacie, czy coś jeszcze zmieniałeś/użyłeś (inne podzespoły) oprócz kondensatorów i układu EL1881C :?:
    Napisz jaką masz wersję konsoli.

    Natrafiłem jeszcze na takie informacje w necie, może ktoś znajdzie tam coś ciekawego. (Szkoda, że nie ma dostępnych Service Manual'ów, dla modeli 50000 wzwyż).

    :arrow: needle i jak tam, "dorwałeś" jakiegoś slima :?:
  • #14 6329089
    damik
    Poziom 16  
    Mam własną konsolę PS2 30003 z płytą ver.3 + HDD adapterem. Sprawdzałem to jeszcze na 30004 i adapter VGA pracował wyśmienicie ze zwykłym układem LM1881 bez literki C jedyną zmianą były kondziole 220uf (dałem elektrolity z polaryzacją jak w poprzednim poście).
    Zrobiłem to właściwie pod linuxa by się troszkę pobawić tą implementacją systemu i testowałem to też na grze GHOST HUNTER w trybie progressive scan z pełnym powodzeniem.
    Robiłem też testy z układem CMOS zamiast tego TTL 7404 ale monitor nie łapał synchro bo miękły pozimy napięć na oscyloskopie ostatecznie można zastosować serię 74LS04... odradzam HC
  • #15 6331743
    lord_blaha
    Poziom 33  
    A w ogóle najtaniej wychodzi jak zainwestujemy w tuner TV z wejściem s-video i kabel ps2<-> s-video.
    Bardzo ładny i ostry obraz, możliwość grania na kompie- mi na 1680x1050 chodzi bardzo ładnie. Koszt kabla- ok 15zł, tunery na Allegro są od 40zł.
  • #16 6333025
    damik
    Poziom 16  
    Proszę wywalić ten wpis , bo mi się wygenerowało podwójnie.
  • #17 6333026
    damik
    Poziom 16  
    lord_blaha napisał:
    A w ogóle najtaniej wychodzi jak zainwestujemy w tuner TV z wejściem s-video i kabel ps2<-> s-video.
    Bardzo ładny i ostry obraz, możliwość grania na kompie- mi na 1680x1050 chodzi bardzo ładnie. Koszt kabla- ok 15zł, tunery na Allegro są od 40zł.


    Wydaje mi się , że nie będzie najtaniej bo koszt wykonania VGA adaptera to około 25-30zł
    I napewno nie będzie lepiej , skoro generujesz standardowy sygnał TV z PS2 a potem jeszcze zostaje zdekodowany z PAL lub NTSC następnie poddawany konwersji A/C w karcie TV Twojego kompa no i na końcu jest on interpolowany do rozdzielczości 1680x1050.
    Sporo procesów i każdy z nich wprowadza dodatkowe pogorszenie jakości.
    Pomijam już samą jakość standardowego sygnału TV ze swoimi ograniczeniami , ułomnościami i całym kodowaniem koloru.
    Dlatego własnie robimy taki układ by bezpośrednio wysterować monitor sygnałami RGB oraz sygnałem Synchro by pominąć ten cały bałagan z wielokrotnym przetwarzaniem sygnału Video i uzyskać krystaliczną jakość obrazu. :)
  • #18 6802060
    needle
    Poziom 11  
    Tak się składa iż dorwałem slimkę i mam ją zresztą do tej pory :D.
    Muszę jednak powiedzieć że chociaż próbowałem jeden egzemplarz przerobić to nie udało mi się :cry:. Układzik ma wyprowadzone wyjścia H i V nawet jako punkty lutownicze (nie musiałem się podpinać bezpośrednio pod układ) ale nie zadziałało mi to i już.
    Projekt niestety zarzucony z powodu braku czasu zakupiłem nawet kilka tych lm1881 ale leżą i czekają na lepsze czasy, wrócę do nich pewnie po wakacjach.
    Co do schematów znalazłem je bez większych problemów choćby na eserviceinfo.com
    Tymczasem pozdrawiam wszystkich i miłych wakacji życzę!!!!
REKLAMA