#1 5579254 28 Wrz 2008 15:03 cysiek22 cysiek22 Poziom 1 #1 5579254 28 Wrz 2008 15:03 witam! Szukam schematu instalacji elektrycznej do MZ 150 ts. Z góry dzięki
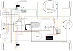
#2 5579877 28 Wrz 2008 18:46 hobbyelektronik hobbyelektronik Poziom 27 Pomocny post? (+4) #2 5579877 28 Wrz 2008 18:46 Mówisz i masz: http://arecki113.republika.pl/schematy/mz6v.gif Powodzenia...........
#3 19006102 28 Paź 2020 20:25 last15pl last15pl Poziom 5 Pozytywne oceny Pomocny post? (+20) #3 19006102 28 Paź 2020 20:25 Proszę
#4 20537802 13 Kwi 2023 15:18 kubuskabut kubuskabut Poziom 3 Pomocny post? (0) #4 20537802 13 Kwi 2023 15:18 Witam, do czego ma być połączony przewód 15 z cewki ?
#5 20538779 14 Kwi 2023 07:55 cyborg39 cyborg39 Poziom 29 Pomocny post? (0) #5 20538779 14 Kwi 2023 07:55 Dużo błędów i nieścisłości w tym schemacie. Poszukaj innego Promuję tematy: 11.05.2020 Ograniczenie prędkości Pocketbike, Minibike, Quad, Skuter
#6 20556241 26 Kwi 2023 15:32 kubuskabut kubuskabut Poziom 3 Pomocny post? (+2) #6 20556241 26 Kwi 2023 15:32 Znalazłem, jak ktoś chce schemat na zwykły przełącznik, bez żadnych lamp kierunków stopów itd to piszcie :p. Mam na zwykłym mechanicznym regulatorze