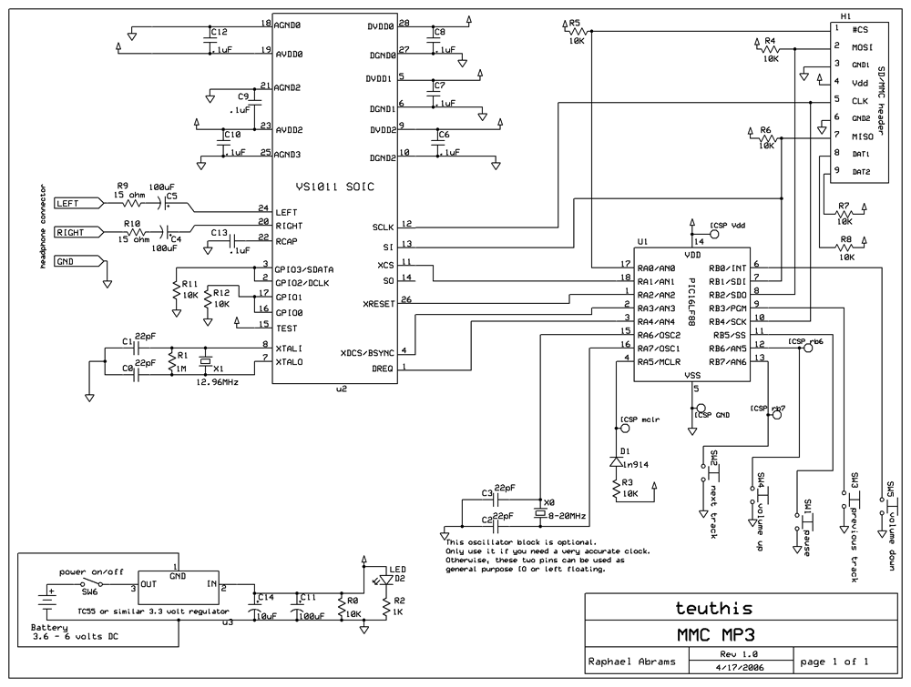
Przy niedużych kosztach i odrobinie cierpliwości można spokojnie zbudować odtwarzacz mp3, który w dodatku jest opublikowany w sieci jako opensource. Bez problemu można go zmodyfikować i użyć w jakimś innym projekcie typu mówiący robot lub po prostu używać jako własnego odtwarzacza mp3. Współpracuje z kartami pamięci MMC o dowolnym rozmiarze. Wszystkie schematy i źródła dostępne są na stronach źródłowych. Odtwarzacz ma funkcję losowego odtwarzania, nawigacji, kontroli poziomu dźwięku, obsługę FAT32 i inne raczej standardowe dla tego typu urządzeń funkcje.
Źródło http://www.teuthis.com/html/mmc_mp3.html
Fajne? Ranking DIY
