logo elektroda
logo elektroda
X
logo elektroda
REKLAMA
REKLAMA
Adblock/uBlockOrigin/AdGuard mogą powodować znikanie niektórych postów z powodu nowej reguły.

[ATmega8][bascom] pomiar napięcia ujemnego przez ADC część 2

fliper_katrill 16 Paź 2008 15:19 3540 3
REKLAMA
  • #1 5637458
    fliper_katrill
    Poziom 20  
    Witam ponownie!
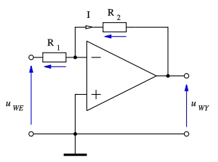
    Ostatnio zamknięto mi temat i nie zdążyłem podpytać o kilka spraw. Muszę nadmienić że na jednym uC mierzę dwa napięcia -25 do 0 i od 0 do 25 (2 podłączone ADC nr 4 i 5) na wejściu napięcia dodatniego mam dzielnik 7,5k/100k na wejściu napięcia ujemnego mam LM358 działający jako układ odwracający z rezystorami po 10k i wzmocnieniu=-1. Napięcie odniesienia jest wewnętrzne 2,56. Z pomiarem dodatniej części napięcia nie ma problemu.
    Układ jest zbudowany z LM317 da + i LM337 dla -, ich masy łączą się w zerze zasilacza symetrycznego. Dodanie do toru pomiaru wartości ujemnej połówki LM358 zasilanego asymetrycznie 0 i 5V spowodowało że zakres napięć od 1,2V do ~2,6V pokazuje wzorowo ale ponad tym zakresem miernik wskazuje 0V. Radzono mi różne rzeczy z których po przemyśleniach wybrałem opcję z LM358 i tu proszę o poradę co dalej?
  • REKLAMA
  • #2 5643173
    luap
    Poziom 12  
    Witam,
    wydaje mi się , że prostszym rozwiązaniem tego tematu byłby pomiar napięcia dodatniego przez wbudowany w uC przetwornik ADC , natomiast napięcie ujemne poprzez zewnętrzny przetwornik (np. MCP3201 wejście IN-) skomunikowany z uC przez SPI.
  • REKLAMA
  • #3 5645221
    Dr_DEAD
    Poziom 28  
    fliper_katrill napisał:
    ....na wejściu napięcia ujemnego mam LM358 działający jako układ odwracający z rezystorami po 10k i wzmocnieniu=-1. Napięcie odniesienia jest wewnętrzne 2,56. Z pomiarem dodatniej części napięcia nie ma problemu.
    ....

    No i nie ma się co dziwić przecież wzmocnienie powinno być -0.1 a nie -1. Za mień rezystor w sprzężeniu zwrotnym z 10k na 1k i będzie oki. Oczywiście zmianę tę musisz też uwzględnić w programie.
  • #4 5646691
    fliper_katrill
    Poziom 20  
    przepraszam zagalopowałem się :P oczywiście wzmocnienie mam -0,1 a rezystor na sprzężeniu zwrotnym to 1k wejściowy 10k, układ nadal nie działa

    Dodano po 51 [sekundy]:

    znaczy odwrotnie z tymi rezystorami

    Dodano po 12 [minuty]:

    sam się zakręciłem a kolega chyba mi w tym pomógł :)
    [ATmega8][bascom] pomiar napięcia ujemnego przez ADC część 2
    czyli
    [ATmega8][bascom] pomiar napięcia ujemnego przez ADC część 2
    czyli R2=1K a R1=10K i tak mam
REKLAMA