logo elektroda
logo elektroda
X
logo elektroda
REKLAMA
REKLAMA
Adblock/uBlockOrigin/AdGuard mogą powodować znikanie niektórych postów z powodu nowej reguły.

Prosty analizator logiczny

sornell 28 Paź 2008 21:07 11282 8
REKLAMA
  • Prosty analizator logiczny

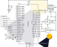
    Analizator logiczny to bardzo przydatne urządzenie gdy pracujemy z układami cyfrowymi. Obecnie na rynku raczej brak takich narzędzi do użytku domowego w rozsądnej cenie. Prezentowany analizator posiada 4 wejścia cyfrowe. Częstotliwość próbkowania zależna jest od dołączonego rezonatora kwarcowego (max 4MS/s dla kwarcu 16Mhz). Stany logiczne zapamiętywane są w mikroprocesorze, a następnie przesyłane do komputera PC za pomocą zwykłego portu szeregowego. Autor maksymalnie ograniczył ilość elementów użytych do tego projektu. Ze względu na fakt, że port szeregowy w 99% PC-tów rozpoznaje prawidłowo stany logczne TTL, zamiast popularnego MAX232, autor użył tylko negatora. Obecna wersja oprogramowania umożliwia przegląd uzyskanych przebiegów, pomiar wypełnienia oraz częstotliwości. W planach ma powstać analizator protokołów oraz możliwość zapisu przebiegów.

    Prosty analizator logiczny
    Prosty analizator logiczny
    Prosty analizator logiczny

    Źródło: http://www.ikalogic.com/scanalogic_home.php

    Fajne? Ranking DIY
    O autorze
    sornell
    Tłumacz Redaktor
    Offline 
    sornell napisał 103 postów o ocenie 8. Jest z nami od 2003 roku.
  • REKLAMA
  • #2 5678941
    master_flamaster
    Poziom 11  
    Moim zdaniem negacja we wspomnianych bramkach występuje, ale na pewno nie jest to TYLKO negator. Na schemacie widac, że wykorzystano NANDy. Tak czy inaczej jest to ciekawe rozwiązanie dla urządzeń "domowych", chociaż z drugiej strony stary poczciwy MAX232 aż tylu elementów znowu nie potrzebuje.

    Pozdrawiam!
  • #3 5679721
    sornell
    Tłumacz Redaktor
    a jako co jeszcze? to czy włożysz tam scalak z negatorami czy scalak z NANDami to nie ma żadnej różnicy... a 7400 to chyba najbardziej popularny.
  • REKLAMA
  • #4 5681726
    Macosmail
    Poziom 35  
    master_flamaster napisał:
    Moim zdaniem negacja we wspomnianych bramkach występuje, ale na pewno nie jest to TYLKO negator.


    Witam.
    Zwykła bramka NAND skonfigurowana tak aby realizować funkcję negacji i nic więcej toć to absolutne podstawy cyfrówki.. Pozdrawiam.
  • #5 5683169
    kriss68
    Poziom 20  
    Próbował ktoś ściągnąć ten program? mi za każdym razem gdy ściągam akceleratorem to ściąga puste archiwum(winrar wyświetla, że archiwum jest puste) a gdy ściągam programem systemowym to ściąga mi index.php czym mam to ściągnąć?

    Moderowany przez joy_pl:

    Dodałem pliki jako załącznik w pierwszym poście.

  • REKLAMA
  • REKLAMA
  • #7 5699694
    gothye
    Poziom 33  
    działa komuś ten program na PC poprawnie ?
  • #8 5699877
    prezeswal
    VIP Zasłużony dla elektroda
    Cześć!
    Uruchomiłem oba programy - Digitrac i LoganQ, ale pod WIN98.
    Natomiast pod XP LoganQ nie jest "obsługiwany", a Digitrac wymaga ominięcia blokady Windows-a ("Privileged instruction"), ale nie robiłem tego (mam jeszcze tego starego laptopa z poczciwym WIN98 :D ).

    Dla przykładu - sygnał z pilota TV:
    Prosty analizator logiczny

    Pozdrawiam
  • #9 6279109
    szaro
    Poziom 19  
    Jest coś może pod Linux-a ?
REKLAMA