logo elektroda
logo elektroda
X
logo elektroda
REKLAMA
REKLAMA
Adblock/uBlockOrigin/AdGuard mogą powodować znikanie niektórych postów z powodu nowej reguły.

New Mildton 200 - jaki głośnik wysokotonowy?

łysy37 28 Paź 2008 21:37 3471 9
REKLAMA
  • #1 5677767
    łysy37
    Poziom 14  
    Posiadam takie kolumny, ale brakuje w nich oryginalnego głośnika wysoko tonowego. Może ktoś mi coś poleci zamiast założonego obecnie, ale chciałbym aby było jak najbardziej zbliżone do oryginału.
  • REKLAMA
  • #2 5704908
    Pawel S.
    Poziom 39  
    a czemu nie oryginal?
    tam byly GDWK 9/120 lub wczesniejsze wersje tego glosnika
  • #3 5705638
    łysy37
    Poziom 14  
    nie znalazłem oryginalnych,może masz jakiś namiar na sklep.
    GDWK 9/120 są podobne ale stare miały większy magnes.
  • REKLAMA
  • #4 5706380
    Pawel S.
    Poziom 39  
    watpie - co najwyzej mialy dodatkowy. ale rozmiar sie nie liczy bo zmienia sie technologia.
    jak masz dane oryginalu to porownaj czy efektywnosc zgadza sie z GDWK 9/120. jezeli tak to kupuj
  • #5 6494628
    łysy37
    Poziom 14  
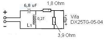
    zakupiłem w końcu głośniki do tych kolumn ale zdecydowałem się na vify DX25TG-05-04 pytanie do znawców tematu co ewentualnie zmienić w zwrotnicach czy nic nie ruszać, albo tylko korektę impedancji .
    proszę o poradę,średni i basy są oryginalne dodam jeszcze schemat
    New Mildton 200 - jaki głośnik wysokotonowy?
  • REKLAMA
  • #6 6495829
    Konto nie istnieje
    Konto nie istnieje  
  • #7 6496424
    Pawel S.
    Poziom 39  
    mimo ze kupiles duuuzo lepszy glosnik niz w oryginale to i tak nie doswiadczysz zbyt wielu jego zalet.
    zwrotnice trzeba zmieniac. przynajmniej filtr na wysokotonowke.
    ale na co dokladnie to nikt nie powie bez pomiarow
  • REKLAMA
  • #8 6497449
    łysy37
    Poziom 14  
    dałem coś takiego

    New Mildton 200 - jaki głośnik wysokotonowy?
  • Pomocny post
    #9 6497770
    Pawel S.
    Poziom 39  
    DXa mozna bardzo nisko ciac jak na "tania" kopolke. no ale bez przesady :???: szczegolnie ze to nawet 3 drogi
    zmien oryginalny kondensator z 1,5uF na 3,3uF, dodaj rezystor (jeden miedzy filtrem a glosnikiem) w granicach 3-5ohm (dobierzesz na sluch) i bedzie OK
  • #10 6499324
    łysy37
    Poziom 14  
    dzisiaj zmieniłem na oryginał i dodałem na razie rezystor 3,9 tak jak pisałeś a z kondensatorem spróbuje za parę dni dzięki za szybką odpowiedz
REKLAMA