logo elektroda
logo elektroda
X
logo elektroda
REKLAMA
REKLAMA
Adblock/uBlockOrigin/AdGuard mogą powodować znikanie niektórych postów z powodu nowej reguły.

Dźwiękowy mini wkurzacz

sornell 31 Paź 2008 16:04 10178 6
REKLAMA
  • Dźwiękowy mini wkurzacz

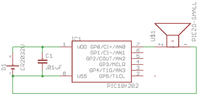
    Ktoś Ci robi na złość? Zrewanżuj się! Oto prosty projekt elektroniczny, który powstał właśnie w tym celu. Jego zadaniem jest generowanie krótkich sygnałów dźwiękowych o wysokiej częstotliwości w losowych odstępach czasu. Schemat składa się z części, które można kupić w prawie każdym elektroniku za kilka złotych. Układ zasilany jest z baterii CR2032, która bez problemu wystarczy na kilka miesięcy pracy. Schemat oraz program do urządzenia dostępny na stronie autora.

    Dźwiękowy mini wkurzaczDźwiękowy mini wkurzacz

    Źródło: http://www.r4nd0m.com/SoundAnnoyer.html

    Fajne? Ranking DIY
    O autorze
    sornell
    Tłumacz Redaktor
    Offline 
    sornell napisał 103 postów o ocenie 8. Jest z nami od 2003 roku.
  • REKLAMA
  • #2 5687854
    kamilsos
    Poziom 13  
    No proste i fajne, ale ja bym użył PICa w wersji smd - mniejsze i lepiej ukryć. No i lepiej jakby sie aktywował w nocy (można użyć fototranzystor).
  • REKLAMA
  • #3 5688137
    dkac
    Poziom 12  
    Od dawna jest u nas znana "podobna" konstrukcja.
    link
    Widziałem też gdzieś wersję tranzystorową, uważam, że nie potrzeba stosowania mikrokontrolera. :D]

    Moderowany przez joy_pl:

    Dokładnie, następne podobne tematy będą leciały do kosza p 8.1

  • REKLAMA
  • #5 5691891
    satanistik
    Poziom 27  
    Jeżeli ktoś lubi takie kawały to warto przejrzeć starsze numery EDW - są tam różne takie układy zaczynając od "pipka dręczyciela" , po przez "kapacza dręczyciela", "komara dręczyciela" - ten oprócz generacji tonów o wysokiej częstotliwości symulujących bzyczenie owada modulował ich natężenie symulując przemieszczanie się insekta. Był "pipek dręczyciel z dopalaczem" i TV dręczyciel do zakłócania pilotów. Układy te działały w nocy , sam kiedyś zrobiłem kilka jeszcze w gimnazjum i wiem że to działa ;-). Jednak pakowanie tu mikro kontrolera jest już przesadą.

    Pozdrowienia dla wszystkich "elektroterrorystów"
  • REKLAMA
  • #7 5698222
    ferdu
    Poziom 13  
    tranzystory? chyba smd... w takich ukladach dobre sa male gabaryty. jeden procek chyba mniej miejsca zajmuje niz tranzystory i w ogole.
REKLAMA