witam
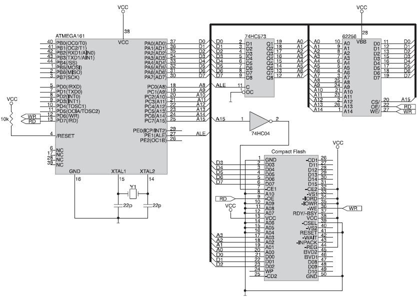
jak podłaczyć pamieć SRAM do AVR ,procesor to atmega128:?:
posiadam pamieci CS18LV10245cc-70 ,czyli 128k x 8bit ,ale posiada ona 2 linie CE (CE1 i CE2 ) czy mam je połączyć razem z sobą ?
jak podłaczyć pamieć SRAM do AVR ,procesor to atmega128:?:
posiadam pamieci CS18LV10245cc-70 ,czyli 128k x 8bit ,ale posiada ona 2 linie CE (CE1 i CE2 ) czy mam je połączyć razem z sobą ?
