logo elektroda
logo elektroda
X
logo elektroda
REKLAMA
REKLAMA
Adblock/uBlockOrigin/AdGuard mogą powodować znikanie niektórych postów z powodu nowej reguły.

Mercedes C220 cdi nie kręci rozrusznik nie uruchamia się.

Dulan 06 Lis 2008 18:01 66442 40
REKLAMA
  • #1 5708544
    Dulan
    Poziom 26  
    Witam.

    Mam taki problem z w/w autem. Nie chce zapalić. Rozrusznik nie kręci. Można go zakręcić zwierając przekaźnik (ten zaraz przy ECU znajdujący na czarnej listwie). Na desce kontrolki świecą, ale nie reaguje na start. Sprawdzałem instalacje cały dzień i nic. Zauważyłem, że do załączenia przekaźnika rozrusznika potrzebne jest napięcie, które idzie dwoma przewodami (fioletowy z szarym i fioletowy z jakimś tam, nie pamiętam). Jeden z tych przewodów jak zauważyłem ( a przynajmniej kolor się zgadza) wchodzi do sterownika. W tym momencie pomyślałem o IMO.
    Czy czasem nie w tym problem i ewentualnie jak go rozwiązać.
    Autko nie młode, mocno zdezelowane, ale pasuje go najpierw uruchomić, a później zająć się resztą.

    Za wszelkie sugestie i pomoc serdecznie dziękuję, no i oczywiście klikam w pomógł i punkty ofiaruję.
  • REKLAMA
  • #2 5708819
    pkhenr
    Poziom 32  
    jak juz nie da rady inaczej to połacz przewód + od stacyjki -rozruch z przekaźnikiem,po co ta szukanina (rozwiązanie ostateczne -skuteczne )
  • #3 5709539
    Dulan
    Poziom 26  
    No tak, to nie jest problem i też skłaniałbym się ku takiemu rozwiązaniu. Problem jednak w tym, że jest odcięcie paliwa i tu jest pies pogrzebany.
    To jest common rail.
  • #4 5709624
    momik12
    Poziom 31  
    Diagnozujesz to czymś czy tak lecisz na żywioł ze schematem w ręku??
  • #5 5709669
    Dulan
    Poziom 26  
    Powiem Ci, że w sumie nawet bez schematu. Pod komputerem wywala ten sam błąd po próbie startu (common rail ble ble ble). Wiadomo, że chodzi o to, że uruchamiam motor, a wtryski nie podają paliwa, bo odcięte jest zasilanie, albo sterowanie(i stąd te błędy).
  • REKLAMA
  • #6 5709928
    pkhenr
    Poziom 32  
    czyli chcesz ominąc immo
  • #7 5710119
    Dulan
    Poziom 26  
    Tak, trzeba to ominąć. Wsadzę tam później normalny alarm, albo i nie, bo tego już chyba nie kradną (a tego paścia, to już nawet pies nie osika chyba) ;)





    A jednak to nie to.
    Auto rocznik 99.

    Info z komputera:

    20 Usterka czujnika temperatury oleju w skrzyni biegów / zestyku blokady rozruchu.
    Nieprawidłowe działanie czujnika temperatury oleju w skrzyni biegów /zestyku blokady rozruchu.
    Rozpoznanie: EGS2.3 / EGS2.4.

    Co proponujecie Panowie?.


    Dodatkowo pokazuje:
    P1192 Czujnik oleju nieprawidłowy sygnał
    P0190 Czujnik ciśnienia paliwa nieprawidłowe działanie
  • #8 5715997
    Dulan
    Poziom 26  
    Pkhenr , wiesz jak obejść imo w tym aucie?.
    Z tego co wysprawdzałem, to raczej jest problem właśnie imo. Rozgrzebałem dosłownie całą instalację. Nie widzę żadnej przerwy w obwodach itp. Wszystkie konektory wyczyszczone. Sterownik ECU podstawiłem, ale nic się nie dzieje. Nie wiem czy w tym aucie jest tak, że jak imo jest uzbrojony, to rozrusznik też nie kręci?. Zasilania na wtryski i listwę też brak. Z tego co czytałem, to mają migać diody przy lusterku, ale nic takiego nie ma. Myślę, że jeżeli są tam nawet, to nie działają.

    Podobno wystarczy połączyć tylko 2 przewody ze sobą, żeby wyłączyć to badziewie. Niestety nie wiem które. Napewno przewody idące od centralki imo (pod nogami pasażera) do ECU.

    Pomocy, bo wrzucę tego złoma do rowu! :)
  • #9 5716061
    pkhenr
    Poziom 32  
    z tymi dwoma przewodami to chyba naogladałeś się filmów ,obawiam się że Ci sie nie uda.
  • REKLAMA
  • #11 5716472
    pkhenr
    Poziom 32  
    nie obchodzę immo ,wole naprawić

    Dodano po 12 [minuty]:

    pomyliłeś tematy ,tam była mowa o staruszku z 1995 r(który pewnie miał dokładany alarm ) a Ty masz zdezelowane ale CDI,jak poszukasz w starszych to w ogóle nie bedziesz miał co obchodzić bo nie było w nich immo.
    powodzenia
  • #12 5719976
    Dulan
    Poziom 26  
    To w takim przypadku powiedz mi gdzie szukać usterki w immo?. Co najczęściej leci?.
  • #13 5723339
    Dulan
    Poziom 26  
    Widzę, że nie masz pojęcia. No nic.


    Wygląda na to, że z immo nie ma problemu. Problem jest taki, że nie ma napięć na wtryski i na rozrusznik. Na wtrysku podczas kręcenia rozrusznikiem napięcie dochodzi zaledwie do 1V, a to zbyt mało, żeby go otworzyć. Dziwna sprawa, że nagle przestał działać rozrusznik i nie otwierają wtryski. Może ktoś doświadczony podsunie jakąś myśl gdzie tkwi problem?.

    Podstawiałem inny ECU, ale bez zmian.
  • #14 5727211
    pkhenr
    Poziom 32  
    co widzisz to to widzisz ,ja widze że nie wiesz o co chodzi a prowokacjami nic nie zdziałasz , próbujesz zaoszczedzić,mercedes to nie jest tylko 12v albo nic .Jezdził i przestał czy po Twojej naprawie zaniemówił.Sprawdzasz kable ,myślisz że w jednej chwili rozłączyło sie kilka obwodów,a Ty znajdziesz kilka urwanych kabli ?to jest troche bardziej skomplikowane od c330.Podawanie sposobu ominięcia immo na forum jest i tak niewskazane.........................ćwicz dalej może coś przy pętli wokół stacyjki a może poprostu bezpiecznik...połowa pytających nie umie ich sprawdzić .
    Mimo wszystko powodzenia
  • REKLAMA
  • #15 5728160
    Dulan
    Poziom 26  
    Przekopałem już prawie wszystko. Znalazłem popalone wiązk. Jednak przewody te były od instalacji oświetlenia.
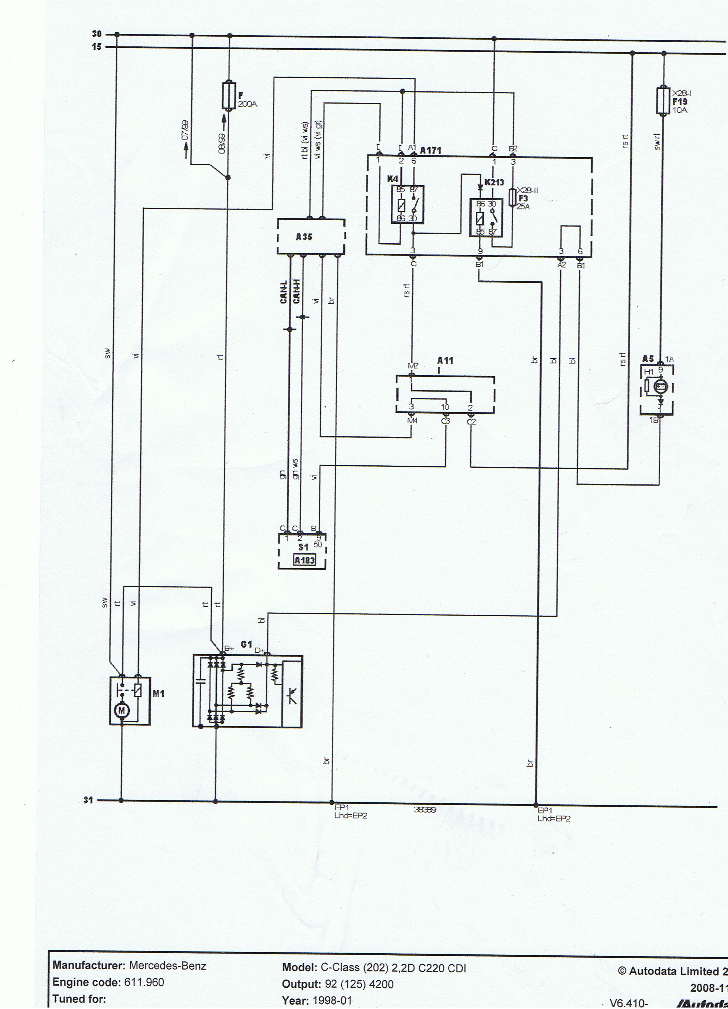
    Bezpieczniki po lewej stronie wszystkie sprawdziłem. Po prawej stronie jest tych bezpieczników kilka na czarnej skrzyneczce, którą to też całą przelutowałem. Według schematu, to mi się coś nie zgadza, bo w skrzynce bezpiecznikowej są 2 przekaźniki niewidoczne, a schemat pokazuje jeden (nie licząc K4). Obydwa przekaźnikii (te od spodu) są sprawne i załączają po przekręceniu stacyjki. Co do przekaźnika K4, to po jego ręcznym zamknięciu (87 i 30) rozrusznik kręci. Na listwę dochodzi paliwo, ale wtryski dostają impuls 0,3 do 1V).
    Dziwna sprawa, bo wygląda na to, że sterowanie jest, ale układ z ECU nie podaje odpowiednich napięć.
    Jeszcze dziwniejsze jest to, że rozrusznik nie kręci po przekręceniu stacyjki. Możliwe, że jedno z drugim ma związek, brak jakiegoś napięcia?. Masy na sterowniku są, reszta istotniejszych spraw dotyczących napięć sterownika też mi się zgadza, błędy już nie wyskakują, pozycja lewarka skrzyni jest na Park (sprawdzałem na sterowniku sygnał i jest prawidłowy).
    Podstawiałem inny ECU i nie pomogło. Pojawił się błąd immo. Dało się to skasować. Wróciłem do oryginalnego sterownika i tak jak wyżej napisałem błędów brak.
    Alternatywny link do schematu: http://www.wrzuta.pl/obraz/qoHut7Jj2F/
  • #16 5750702
    Dulan
    Poziom 26  
    Mam pytanie. Zauważyłem, że przy klamce jest odbiornik podczerwieni. Podobno ma migać podczas uzbrajania/rozbrajania. W moim przypadku nic tam nie miga. Sprawdziłem połączenia i przewody były zaśniedziałe, ale po doprowadzeniu tego do przyzwoitego stanu nic się nie zmieniło.

    Błąd który ciągle wychodzi na komputerze diagnostycznym:

    Czyli chyba pozostaje chyba tylko zezłomować tego syfa, bo mam go już dość.

    "coś przy pętli wokół stacyjki" -no, ale na logikę, to przy pętli jakby to było, to raczej nie przekręciłbym kluczyka tak?.
  • #17 5751669
    marek_ka
    Poziom 26  
    Nie znam dobrze tego modelu ale jak piszesz przy uzbrajaniu/rozbrajaniu ma migać. Nie miga, pewnie masz cały czas uzbrojony alarm.
  • #18 5752069
    Dulan
    Poziom 26  
    Rozebrałem to nawet, ale LEDów nie widać, chyba, że są zaszyte w diodzie odbiorczej.

    Złącze 85 K213 ma masę. Złącze 30 K4 ma +12V. Podanie masy na 86
    k4 powoduje załączenie rozrusznika, ale wtryski nie podają paliwa. Na listwę i do wtrysków paliwo dochodzi.

    Dziwny jest fakt, że te dwie sprawy (rozrusznik i wtryski) są powiązane ze sobą.
  • #19 5753952
    marek_ka
    Poziom 26  
    Nic dziwnego, alarm lub imobilajzer blokuje rozrusznik i wtryski a czasami jeszcze pompę paliwa.
  • #20 5754728
    Dulan
    Poziom 26  
    marek_ka, masz jakiś pomysł?, bo mi już się skończyły.
  • #21 5758027
    marek_ka
    Poziom 26  
    Czy alarm jest zblokowany z central zamkiem? Akurat w takim nie grzebałem. Jak ma zrobiony imobilaizer? Kupiłeś padnięty czy tobie wysiadł? Niestety mam daleko do ciebie, Warmia. Blokuje go alarm lub imobilajzer to pewne na 99,99%. Podmiana elektroniki nie jest taka prosta bo moduły komunikują się ze sobą i sprawdzają kody. Czy ten model nie ma czasem imo na kartę?
    Powodzenia i daj znać co dalej.
  • #22 5759030
    Dulan
    Poziom 26  
    Witam i dziękuję za odzew.

    Zamykanie i otwieranie auta jest niezależne. Auto otwieram z pilota, odblokowują się drzwi. Po włożeniu klucza do stacyjki jest "klik" i można go przekręcić normalnie. Auto zgasło podczas jazdy. Wskaźnik stanu paliwa błędnie pokazywał jego stan. Próby uruchomienia jak wiadomo nic nie dały. W końcu padł akumulator i po jego zmianie już nie kręcił rozrusznik, który oczywiście jest sprawny.

    Rozwiązanie w tym aucie jest takie, że od stacyjki biegną przewody w stroną podłogi pasażera po stronie lewej. Wchodzą do metalowej puszeczki, która jest przykręcona do takiej blachy gdzie pasażer trzyma stopy. Z tej puszeczki (jak się domyślam jest to wielofunkcyjny moduł w tym immo) przewody biegną do ECU.

    Auto nie posiada alarmu w sensie jakiegoś wyjca, ew. dołozonych niefabrycznie centralek.
  • #23 5759724
    marek_ka
    Poziom 26  
    Czy ten wskaźnik zaczął głupieć a potem zgasł silnik? Prawdopodobnie wysiadł stabilizator napięcia.Spróbuj go zlokalizować. W audi to częsta przypadłość ale można z tym jeździć.
  • #24 5760283
    Dulan
    Poziom 26  
    Nie, chłopaki przygięli pływak jak zbiornik kiedyś ściągali.
    To jest akurat detal do skorygowania.
  • #25 5762708
    marek_ka
    Poziom 26  
    Czy to znaczy że zabrakło paliwa w czasie jazdy? Z braku paliwa został rozładowany akumulator a później rozłączony? Jeśli tak, to rozłączenie aku rozsynchronizowało imo.
  • #26 5762936
    Dulan
    Poziom 26  
    Tak, dokładnie. Brakło paliwa (jeszcze wtedy nie było wiadomo, że to brak paliwa). Wiele prób uruchomienia, rozładowało akumulator. Po włożeniu nowego aku już rozrusznik nie kręci, tylko po zwarciu przekaźnika rozruchu można pokręcić. Wtryski dostają śladowe napięcie.
    Świece grzeją, paliwo do wtrysków dochodzi.
  • #27 5819427
    Dulan
    Poziom 26  
    Auto zrobione. Wysypał się soft.
  • #28 7267704
    piotrkokot
    Poziom 22  
    witam mam taki sam problem mozesz napisac jaki soft sie wysypal ? czy chodzi o synchro
  • #29 7781773
    cenoley
    Poziom 11  
    Witam, mam identyczny problem w C-180 W202 94r,rozrusznik nie kręci, po przekręceniu stacyjki total cisza, auto odpalało na dorabianym kluczyku. Proszę o poradę w kwestii zlokalizowania immobilaisera w tym aucie.
  • #30 7784853
    Javoreczek
    Poziom 22  
    Kluczyk zwykły, czy scyzoryk?
    Jesli zwykły to immobilisera nie masz, przynajmniej fabrycznego.
    Jeśli scyzoryk, to czy normalnie centralny otwiera? Lampki jak migają?
    Przy okazji napisz jaka skrzynia.
REKLAMA