logo elektroda
logo elektroda
X
logo elektroda
REKLAMA
REKLAMA
Adblock/uBlockOrigin/AdGuard mogą powodować znikanie niektórych postów z powodu nowej reguły.
REKLAMA
  • #1 550402
    Gela
    Poziom 15  
    Kupiłem sobie ostatnio termometr z wyświetlaczem LCD do pomiaru temperatury w dwóch punktach na zewnątrz i wewnątrz i wszystko byłobo OK gdyby nie to, że w tym termometrze do przełączania kanałów na zewnątrz i wewnątrz jest zastosowany układ "NE555", który co 7 sekund przęłącza kanały i pokazuje raz temperaturę na zewnątrz a następnie w środku i tak non-stop, może ktoś będzie wiedział jak zastąpic tego scalaka zwykłym przełącznikiem, żebym mógł sobie sam przełączć kanały. Jest to termometr z Nord Elektronika o numerze NE088. Termometr dokonuje pomiaru temperatur w dwóch punktach z dokładnością 0,1C. Zakres pomiarowy od -50C150C. Czujnikami temperatury są diody 1N4148. Wynik pomiaru eksponowany jest na wyświetlaczu LCD. Identyfikacja czynnego kanału pomiaru temperatury sygnalizowana jest świeceniem LED. Zasilanie 5V15V lub stab. 9V (ew. bateria 6F22). Wymiary zestawu po zmontowaniu 77x85x17mm
  • REKLAMA
  • #2 550431
    DEMkO
    Poziom 20  
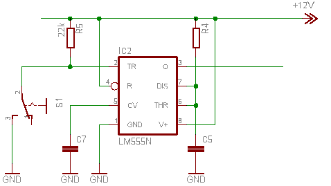
    proponuje zostawić tą kostką (timerka555) ale przerobić na prace monostabilną czyli temperatura była by cały czas pokazywana z jednej czujki np. tej na zwenątrz (chyba cześciej sie na tamtą patrzymy) a po przez mikroswicha wyzwalany by był impuls o czasie trwania określonym przez ciebie np. 10s (temp. wewnątrz) a po tym czasie wracał by do wskazania temp. na zewnątrz
    Pozdrówko DEMkO
  • #3 551258
    oj
    Poziom 42  
    Tak jak kolega wyżej opisął tak wygląda zmiana układowa. Zmiana polega na zwarcu nóżek 6 i 7 ze sobą oraz odcięcia od nóżki 6 nózki 2. Nóżka 2 stanie się wejściem wyzwalającym. Będzie trzeba dobrać rezystor, który jest włączony między + a nóżką 7.
REKLAMA