logo elektroda
logo elektroda
X
logo elektroda
REKLAMA
REKLAMA
Adblock/uBlockOrigin/AdGuard mogą powodować znikanie niektórych postów z powodu nowej reguły.

ATmega8-STK500v2 programowanie AVRDUDE i AVRSTUDIO

Dziekan 24 Lis 2008 22:33 8457 13
REKLAMA
  • #1 5779656
    Dziekan
    Poziom 13  
    Witam mój problem polega na tym że nie mogę zaprogramować poprawnie atmegi8 programatorem takim jak ten:

    Regulamin p.10.11



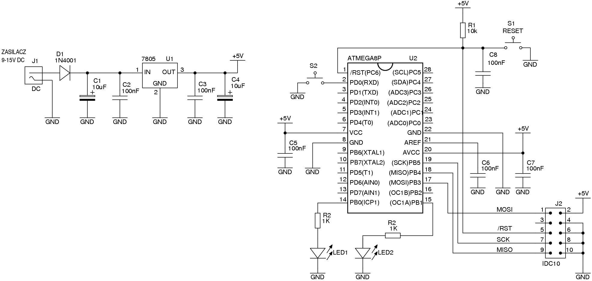
    nie znam się na tym tak dobrze i może robię zły plik makefile przy kompilacji programu nie mam błędu, mam pilk hex, program to taki na początek miganie diodami i przełączanie switchem. Schemat który polutowałem wygląda tak:

    https://obrazki.elektroda.pl/93_1227561476.png

    w programie Winavr kiedy programuje mam taki komunikat:

    > "make.exe" program
    avrdude -p atmega8 -P com8 -c stk500v2 -U flash:w:led.hex

    avrdude: stk500v2_command(): command failed
    avrdude: initialization failed, rc=-1
    Double check connections and try again, or use -F to override
    this check.


    avrdude done. Thank you.

    make.exe: *** [program] Error 1

    > Process Exit Code: 2
    > Time Taken: 00:02

    właściwie to nie wiem jak ma wyglądać plik makefile czy jako port mam ustawić usb czy com8 tak jak mam u siebie w komputerze zainstalowane urządzenie usb.

    W programie AVR studio4 też jest coś nie tak kiedy wcisnę con ustawie połączenie com8 i connect to połączy się ale każda operacja kolejna to komunikat :

    https://obrazki.elektroda.pl/60_1227561992.jpg

    czy może ktoś mi podpowiedzieć co jest nie tak układ jest dobrze polutowany. sprawdzałem go już kilka razy i nie widzę błędów.

    pozdr.
    Usunąłem link do aukcji.
    [zumek]
  • REKLAMA
  • #2 5779696
    Freddie Chopin
    Specjalista - Mikrokontrolery
    wg moich doswiadczen avrdude nie obsluguje stk500, a przynajmniej mnie sie nie udalo odpalic oryginalnego atmelowego avrisp-mk2 na tym sofcie. a ze avrisp-mk2 to wlasnie stk500v2...

    uzywam do tego celu softu z katalogu avrstudio - pliku stk500.exe, ktorego obsluga jest bardzo podobna do avrdude - literki sa inne, ale zasada ich dzialania ta sama.

    4\/3!!
  • REKLAMA
  • #3 5779711
    Dziekan
    Poziom 13  
    to możesz mnie poinstruować jak to zrobić może jakoś mi się uda a co do AVR STUDIO to też nie działa a to powinno obsługiwać ja robię ten projekt dokładnie:
    http://www.kursc.dioda.com.pl/str001.html
  • #4 5779733
    Freddie Chopin
    Specjalista - Mikrokontrolery
    w avrstudio wybieralem sobie po prostu avrisp-mk2 i dzialalo. ale ze uzywam eclipse a tam avrdude jest zaszyty na maxa, to musialem cos innego wykombinowac, dlatego uzylem sobie owego softu.

    anylej - teraz nie da rady, bo nie mam tego na tym kompie, dopiero jutro z rana ci moge przeslac wywolanie dla tego softu...

    sciagnij sobie dokumentacje do avrisp-mk2 - http://kamami.pl/?id_prod=4541500 - tam na koncu jest opis uzywania tego wlasnie programiku i jedziesz.

    4\/3!!
  • #5 5780080
    snow
    Poziom 31  
    Jak dla mnie to kolega ma źle podłączony programator do procesora. Proponuję sprawdzić połączenia oraz czy nie ma jakichś zwarć. Mi Avrdude i Avrstudio współpracują poprawnie z stk500v2. Ja mam ten z allegro co oprócz stk500v2 ma AVR910 ale myślę że jeżeli ten jest zgodny z stk500v2 to powinno działać. Dziś też myślałem że mam coś źle z programatorem a okazało się że miałem zwarcie między MISO i MOSI na płytce.
  • #6 5781692
    Dziekan
    Poziom 13  
    Witam
    możesz mi podać jak ma wyglądać plik makefile? jak Ty go ustawiasz bo programator masz zainstalowany pod jakimś portem com ja mam programator usb pod portem com8 tzn mam definiować com8 czy port usb możesz mi napisać jak mam ten makefile ustawić dokładnie do takiego programatora jak mój stk500v2

    pozdr.
  • REKLAMA
  • #7 5781968
    snow
    Poziom 31  
    W Makefile:

    AVRDUDE_PROGRAMMER = stk500v2
    AVRDUDE_PORT = com3


    Programator na COM3.

    Możesz spróbować wpisac w Start/Uruchom:
    avrdude -p atmega8 -P com8 -c stk500v2 -t


    i zobacz czy ci się połączy z procesorem. Jak ci okienko samo zniknie to znaczy ze masz coś źle z podłączeniem/programatorem.
  • REKLAMA
  • #9 5782176
    snow
    Poziom 31  
    No to wiadomo tyle ze albo zly programator albo procek (np. ustawiony na zew. oscylator) albo połączenie programator-procesor. Przy poprawnym połączeniu powinno być tak:

    ATmega8-STK500v2 programowanie AVRDUDE i AVRSTUDIO

    To że przez Viste to bardzo możliwe. Sprawdź na XP.
  • #10 5782603
    Dziekan
    Poziom 13  
    możliwe że oscylator ustawiony zewnętrzny a jak ten wewnętrzny się stosuje to mam w makefile coś zmienić?
  • #11 5782656
    snow
    Poziom 31  
    w makefile sie podaje tylko częstotliwość, nie ma rozróżnienia na to co jest źródłem sygnału zegarowego.
  • #12 5783358
    dawid512
    Poziom 32  
    Przestawiłeś prędkość transmisji dla portu COM do którego masz podłączony programator na 115200? Spróbuj także założyć zworkę 2.
  • #13 5794000
    Dziekan
    Poziom 13  
    prędkość portu mam 115200 to mam ustawić 9600? a zworkę na programatorze mam założoną bo zasilam tym układ.
  • #14 5794230
    dawid512
    Poziom 32  
    Nie tą zworkę. Tą która odpowiada za zmniejszenie częstotliwości ISP.
REKLAMA