logo elektroda
logo elektroda
X
logo elektroda
REKLAMA
REKLAMA
Adblock/uBlockOrigin/AdGuard mogą powodować znikanie niektórych postów z powodu nowej reguły.

[atmega8][bascom] galep lcd problem

killof007 29 Lis 2008 22:43 1928 4
REKLAMA
  • #1 5799047
    killof007
    Poziom 11  
    Witam wszystkich forumowiczów.
    Postanowiłem rozszerzyć swoje zdolności ( potrzeba matką wynalazków ) i stworzyć prosty układ moją przygode rozpocząłem z atm8 i LCD myślałem ze pójdzie dość prosto ale jednak pojawił się problem. Otóż po zaprogramowaniu atmegi na lcd 2*16 wyświetla się jedynie jeden pasek kwadracików postępując wg. podpowiedzi na forum posprawdzałem połączenia wyjścia portów procesora (zgodność z lcd i programem) i nic. Jako że mam dostep do programatora GALEP ( lecz niestety nie w domu ) nie jestem pewien czy wszystko dobrze robie kompiluje program za pomocą BASCOM-AVR ( pojawiają się pliki .hex .bin .rpt .obj ) wybieram ten hex i jego po prostu wgrywam na atmege czy mam coś jeszcze ustawić dodatkowo? doprowadza mnie to do furii ze nic nie działa. próbowałem zmienić schemat i podpiąć lcd pod piny portC i dalej nic ?Oczywiście rezystor jest dobrany tak aby na kontrascie było lekko widać te kwadraciki.
    Podaje program:

    $regfile = "m8def.DAT"                                      'deklaracja procesora, w tym wypadku Atmega8
    $crystal = 1000000                                          'deklaracja cześtotlwiości pracy (wew oscylator 1MHz w zupełności wystarcza)
    'Deklaracja portów od wyświetlacza LCD
    Config Lcdpin = Pin , Db4 = Portb.0 , Db5 = Portb.1 , Db6 = Portb.2 , Db7 = Portb.3 , E = Portb.4 , Rs = Portb.5
    
    Config Lcd = 16 * 2
    
    Cls
    
    Do
    Cls
    Lcd "123456"
    Lowerline
    Lcd "abcdef"
    Wait 10
     Loop
     End
    

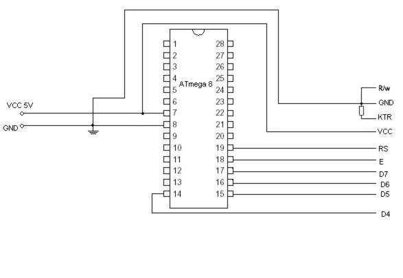
    schemat:
    [atmega8][bascom] galep lcd problem
    wczesniej zrobilem schemat wg. avrbeginner i też nie działało dlatego doszukuje sie błędu w programowaniu
    Proszę pomocy
    CZy wogóle wg. programu i schematu ma to prawo działać?
    Pozdrawiam
  • REKLAMA
  • #2 5799428
    klops_mops
    Poziom 17  
    Witam!

    Na pewno masz dobrze wyświetlacz podłączony? Spróbuj zamiast rezystora na kontrast zastosować potencjometr 10k.

    Potencjometr podpinasz wg. (w załączniku) - ten układ musi Ci działać!

    
    $regfile = "m8def.DAT"                                      'deklaracja procesora, w tym wypadku Atmega8
    $crystal = 8000000                                          
    Config Lcd = 16 * 2
    Config Lcdpin = Pin , Db4 = Portc.4 , Db5 = Portc.5 , Db6 = Portc.6 , Db7 = Portc.7 , E = Portc.3 , Rs = Portc.2
    
    Cursor Off
    
    Do
    Cls
    Locate 1,1
    Lcd "123456"
    Locate 2,1
    Lcd "abcdef"
    Wait 10
     Loop
     End 
    
  • REKLAMA
  • #3 5799838
    killof007
    Poziom 11  
    Probowałem jeszcze podpiąć reset do Vcc poprzez 10K rezystor i dalej lipa. Coraz bardziej wydaje mi sie ze trzeba coś wiecej ustawić w tym programatorze.
  • REKLAMA
  • Pomocny post
    #4 5800205
    klops_mops
    Poziom 17  
    Przyczyny mogą być różne:

    a) uszkodzony wyświetlacz (ale to mało prawdopodobne)
    b) atmega się nie programuje

    Spróbuj napisać jej program, dzięki któremu dioda LED będzie mrugała, wtedy zobaczymy czy uC się programuje czy też nie.

    Pozdrawiam
  • #5 5802748
    killof007
    Poziom 11  
    w galepie jest opcja weryfikacji zapisanego programu pisze ze się zgadza ale dziekuje za podpowiedz i zrobię na początku z ta migającą leda wtedy bede pewny ze coś działa :D
REKLAMA