logo elektroda
logo elektroda
X
logo elektroda
REKLAMA
REKLAMA
Adblock/uBlockOrigin/AdGuard mogą powodować znikanie niektórych postów z powodu nowej reguły.

Sześcionożny robocik - opis, zdjęcie, schemat, źródło

Yuki7 04 Gru 2008 00:01 5523 1
REKLAMA
  • Sześcionożny robocik - opis, zdjęcie, schemat, źródło

    Kiedy zaczyna się robić projekt, łatwiej i taniej jest wykorzystać produkt już istniejący. W tym przypadku podstawą był mały robotyczny robak. Robot został tak zaprojektowany, że kiedy natknął się na jakąś przeszkodę, skręcał i kontynuował swój marsz, aż do następnej przeszkody.

    Wystarczy trochę dodatkowej elektroniki, aby nauczyć tego prostego robota kilku nowych trików.

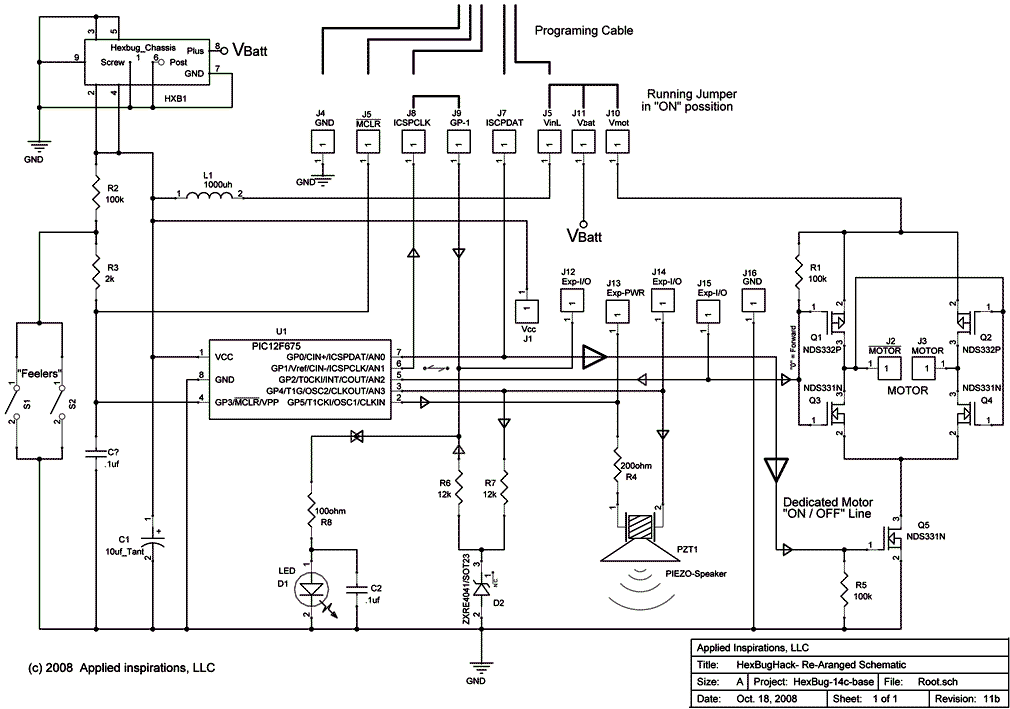
    Pierwotnie robot miał wbudowane 3 rodzaje zachowań: do przodu, cofaj z zakręcaniem (przy zderzeniu) i cofaj po głośnym dźwięku. Nowy sterownik zapewnił dodatkowe funkcje: kontrola silników, detekcja przeszkód, wykrywanie poziomu rozładowania baterii i wykrywanie natężenia oświetlenia. Do realizacji tego zadania wykorzystano 8-pinowy mikroprocesor PIC. Cały schemat układu znajduje się tutaj:

    Sześcionożny robocik - opis, zdjęcie, schemat, źródło

    Układ elementów na płytce przedstawia się mniej więcej w ten sposób:

    Sześcionożny robocik - opis, zdjęcie, schemat, źródło

    Końcowy przerobiony robot wygląda tak:

    Sześcionożny robocik - opis, zdjęcie, schemat, źródło

    Źródło: http://www.appliedinspirations.com/appliedcontent/Projects/Hexbug/Proj-HexBug1.html

    Fajne? Ranking DIY
    O autorze
    Yuki7
    Tłumacz Redaktor
    Offline 
    Yuki7 napisał 55 postów o ocenie 27. Jest z nami od 2008 roku.
  • REKLAMA
  • #2 5822059
    JohnySpZOO
    Specjalista - Instalacje Elektryczne
    Ciekawe rozwiązanie i super zabaweczka :)
    Ciekaw jestem jakich wymiarów jest ten robocik? Patrząc na wielkość mikroprocesora to jego wymiary będą w okolicy 5-7 cm jeśli chodzi o płytkę :)
REKLAMA