logo elektroda
logo elektroda
X
logo elektroda
REKLAMA
REKLAMA
Adblock/uBlockOrigin/AdGuard mogą powodować znikanie niektórych postów z powodu nowej reguły.

FetchBot - Automatyczna Wyrzutnia Piłek

Yuki7 05 Gru 2008 18:32 6781 1
REKLAMA
  • FetchBot - Automatyczna Wyrzutnia Piłek

    FetchBot jest świetnym projektem, którego podstawę stanowi stary skaner.
    Podoba mi się w nim to, że jest niezwykle funkcjonalny – po pierwsze został zrobiony z przedmiotów z odzysku, a po drugie, dzięki niemu pies ma niezłą zabawę.


    Szczegóły projektu:


    Wyrzutnię piłki stanowi przerobiony skaner AGFA.
    Po kilku przeróbkach wygląda to tak jak na zdjęciu poniżej. ....................


    FetchBot - Automatyczna Wyrzutnia Piłek

    Widoczny na zdjęciu podłużny element to dynamometr, przy pomocy którego przetestowany został moment obrotowy silnika. Silnik ten może pociągnąć 10 funtów przy zasilaniu 12V.


    Silnik wyrzutni piłki i przekładnia zostały zaadaptowane z mechanizmu znajdującego się w starej zabawce. Musiałem przymocować przekładnię do wału wyjściowego i – wcale nie żartuję – użyłem w tym celu spinacza do papieru.

    FetchBot - Automatyczna Wyrzutnia Piłek

    Na poniższym zdjęciu są podpisane wszystkie części FetchBota, które pozwalają mu działać zgodnie ze schematem.

    FetchBot - Automatyczna Wyrzutnia Piłek

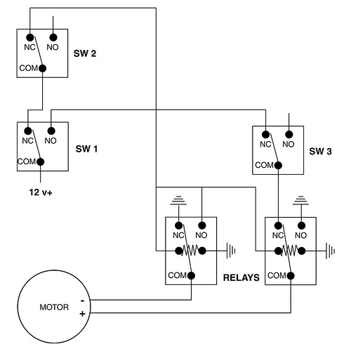
    Sam schemat FetchBota jest bardzo prosty prosty.

    FetchBot - Automatyczna Wyrzutnia Piłek





    Źródło: http://hackedgadgets.com/2008/10/31/fetchbot-...auncher-project-made-from-a-computer-scanner/

    Fajne? Ranking DIY
    O autorze
    Yuki7
    Tłumacz Redaktor
    Offline 
    Yuki7 napisał 55 postów o ocenie 27. Jest z nami od 2008 roku.
  • REKLAMA
  • #2 5826461
    11111olo
    Poziom 42  
    Tu masz lepsza zabawkę ;)
    Link
REKLAMA