logo elektroda
logo elektroda
X
logo elektroda
Adblock/uBlockOrigin/AdGuard mogą powodować znikanie niektórych postów z powodu nowej reguły.

jak nawinać trafo do przetwor. impulsowej

.Wiśnia 23 Mar 2004 16:34 17353 32
  • #1 561067
    .Wiśnia
    Poziom 28  
    ma ktos dokładny opis jak to zrobic bo z tego co tu na elektrodzie jest niewiele wiecej sie nauczyłem niz wiedziałem ... prosiłbym o linki itp ..... jak wieksze pliki to slijcie do mnie na poczte dnbass(_at_)tlen.pl dzieki z góry
  • #2 561186
    _jta_
    Specjalista elektronik
    Oj, to "wyższa szkoła jazdy", zwłaszcza jeśli mają być wyższe napięcia
    (bo wtedy trzeba minimalizować pojemności).
    A czy przetwornica jedno, czy dwutaktowa?
    Do jednotaktowej rdzeń powinien mieć jak największą przenikalność, do
    dwutaktowej raczej małą (a zwykle daje się szczelinę, żeby zmniejszyć AL).
  • #3 561209
    .Wiśnia
    Poziom 28  
    napiecie zeby było 30 symetryczne ze tak to ujme sterowanie juz zrobie na buz11a itp elemetach ... ale co do nawijania mam rdzenie ferrytowe wyciagniete z trafopowielaczy
  • #4 561361
    _jta_
    Specjalista elektronik
    DNBass napisał:
    napiecie zeby było 30 symetryczne ze tak to ujme sterowanie juz zrobie na buz11a itp elemetach ... ale co do nawijania mam rdzenie ferrytowe wyciagniete z trafopowielaczy

    to akurat są bardzo porządne rdzenie, nadają się do dużych napięć, i do dużych mocy;
    ale nie napisałeś, czy przetwornica jedno-, czy dwutaktowa;
    zwykle jednotaktowa ma dwa dranzystory wyjściowe, a dwutaktowa jeden.
  • #5 562708
    .Wiśnia
    Poziom 28  
    sorki ale wyjsciowe tranzystory ? mozesz to wytłumaczyc bo ja ciemny jestem w tej dziedzinie
  • #6 562978
    _jta_
    Specjalista elektronik
    DNBass napisał:
    sorki ale wyjsciowe tranzystory ? mozesz to wytłumaczyc bo ja ciemny jestem w tej dziedzinie


    wyjściowym tranzystorem jest ten, który steruje prądem płynącym przez trafo; czasem
    jest to jedyny tranzystor, czasem jest odrębny układ generujący, a tranzystor jest użyty
    tylko jako wzmacniacz; przetwornicę można zrobić tak, że uzwojenie transformatora składa
    się z dwóch identycznych połówek, i każda z nich jest podłączona do jednego tranzystora
    - tak się robi w przetwornicy jednotaktowej; wtedy obciążenie dostaje prąd przez cały czas;

    w przetwornicy dwutaktowej zwykle jest jeden tranzystor, na zmianę tranzystor przewodzi,
    i ładuje energię do rdzenia, i wyłącza się, wtedy energia odpływa do obciążenia.
  • #7 563035
    .Wiśnia
    Poziom 28  
    teraz czaje o co chodzi wiec ... o przetornice jednotaktowa :)
  • #8 563346
    _jta_
    Specjalista elektronik
    Rdzeń od trafa WN powinien dobrze działać do 30kHz, i skoro jednotaktowa,
    to rdzeń ma być złożony bez szczeliny; jeśli chodzi o ilość zwojów, to:
    - ze względu na napięcie: strumień magnetyczny nie powinien przekraczać 10
    mikroWeberów - czyli napięcie zasilania * 10^5 / częstotliwość;
    (o ile rozumiem, napięcie jest 30V, to wychodzi 100 zwojów);
    - ze względu na prąd: trzeba by znać stałą rdzenia określającą indukcyjność
    (AL - indukcyjność w nH pojedyńczego zwoju; indukcyjność N zwojów to
    AL*N^2) - można by to zmierzyć, założyć na rdzeń cewkę o znanej ilości zwojów,
    przepuścić przez nią prąd, i zmierzyć napięcie; na razie przyjmijmy AL=500,
    jeśli będzie częstotliwośc 30kHz i napięcie 30V, to mając cewkę 2x32 zwoje
    tracisz średnio pół A prądu i 15W mocy bezużytecznie;
    - dobrze jest dać kilka razy więcej zwojów, niż to minimum; duża ilość zwojów
    pozwala pracować na niższej częstotliwości, jedynym negatywnem skutkiem
    jest większy opór uzwojenia i pracochłonność jego wykonania - o ile się
    mieści, ale akurat te rdzenie mają dużo miejsca na uzwojenia;
    - a jaka ma być przekładnia? z jakiego napięcia na jakie?

    i takie małe utrudnienie: uzwojenie dobrze działa, jeśli pojemności są małe,
    a obie połówki uzwojenia są blisko siebie (ideał to uzwojenie bifilarne) - tylko
    że te wymagania są ze sobą sprzeczne, im bliżej tym większa pojemność...
    takie ogólne zasady: nie upychać na max, raczej zostawić dużo luzu, podzielić
    cewki na kilka sekcji i dać między nimi odstępy;

    od wyboru konkretnego układu może zależeć, czy ważniejsze jest wykonanie
    uzwojenia pierwotnego tak, by obie połówki były blisko, czy umieszczenie
    wtórnego blisko pierwotnego - każda z tych wersji generuje jakieś dodatkowe
    impulsy, które powodują straty mocy, i mogą uszkadzać tranzystory; myślę, że
    rozsądnie jest tak zrobić układ, by umieszczenie uzwojeń pierwotnych blisko
    siebie wystarczało do zapewnienia bezpieczeństwa tranzystorów - wymaga to
    np. diód równoległych do tranzystorów (w MOSFET-ach są one wbudowane).
  • #9 564535
    .Wiśnia
    Poziom 28  
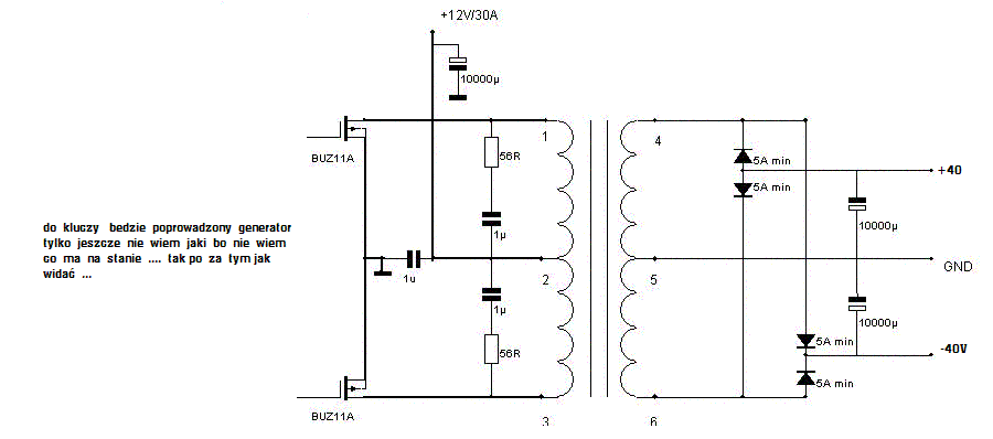
    niezła porcja teori :D bede miał nad czym myslec...przedladnia ma byc z akumulatora samochodowego czyli +12V na semetryczne zmienne 28,5 Vprzyjmijmy ze 30 V ma wychodzic z trafka (schetat w załaczniku )... ile bedzie Hz na wyjsciu jak duzo to trza bedzie jakies diody ultra szybki np szotkiego(sory ale nie wiem jak to sie pisze)[b]błąd na schemacie poprawiony !!![/b]
  • #10 566052
    _jta_
    Specjalista elektronik
    DNBass napisał:
    niezła porcja teori :D bede miał nad czym myslec...przedladnia ma byc z akumulatora samochodowego czyli +12V na semetryczne zmienne 28,5 Vprzyjmijmy ze 30 V ma wychodzic z trafka (schetat w załaczniku )... ile bedzie Hz na wyjsciu jak duzo to trza bedzie jakies diody ultra szybki np szotkiego(sory ale nie wiem jak to się pisze)


    Na schemacie widzę +40V i -40V (swoją drogą diody narysowane nie w tę stronę, nie
    pomyl się przy montażu, bo po paru sekundach wybuchną elektrolity), przetwornica daje
    przebieg prawie prostokątny, więc trzeba uzyskać nie 28.5, a 41.5V - przekładnia 1:3.5.

    Jeśli to ma być zasilane prądem 30A przy 12V, to pytanie, czy uda Ci się zmieścić te
    uzwojenia - pierwotne wypadałoby nawinąć drutem 2.5mm, i chociaż 2x60 zwojów, to
    zajmie 7.5 cm^2 bez liczenia odstępów, raczej nie uda się poniżej 10 cm^2 tak, żeby
    były małe pojemności, wtórne powinno zająć nieco więcej miejsca, jeśli przewidujesz,
    że możesz pobierać tylko +40V 9A, albo tylko -40V 9A przez dłuższy czas, a można je
    pewnie zmieścić w 9cm^2, jeśli chcesz ciągnąć po 4.5 A z +40V i z -40V (ale wtedy
    po co diody 5A, nominalny prąd diody to zwykle prąd wyprostowany, wystarczą 3A).

    Czyli pytanie: czy okno w rdzeniu ma chociaż 20 cm^2 (np. 4x5cm)?

    Wydaje mi się, że kiedyś robiono takie trafa WN, ale standardowy rdzeń ma okno
    38x38mm, czyli 14cm^2, i przekrój około 1.7cm^2 (średnica 16mm). Ostatnio stosuje
    się jeszcze mniejsze, i te na pewno są za małe do takiej przetwornicy.

    Być może dałoby się zaoszczędzić trochę na ilości zwojów, ale nie mam tutaj danych
    ferrytu, z którego robi się te rdzenie, tak że nie mogę ocenić, czy tak można. Tak, jak
    próbuję policzyć, to mi się nie chce zmieścić więcej niż 2x36 zwojów w pierwotnym,
    a i to trzeba się nieźle nagimnastykować.
    Za to przy takich mocach można dużo mniej się przejmować pojemnościami uzwojeń.

    Diody: pewnie Shottky, pytanie jak z napięciem, bo żeby w takim układzie dostać 40V
    stałego na wyjściu, to będziesz miał ponad 80V wstecznego na diodach, i nie wiem,
    czy są diody Shottky na takie napięcia (typowe napięcia takich diód to 20-30V).
  • #11 566088
    konstruktor
    Poziom 15  
    Witam
    Robilem kiedyś taką przetwornicę do wzmacniacza samochodowego na podstawie artykułu z Praktycznego Elektronika 10/96 (2 x BUZ11A, SG3525). Transformator był wykonany na toroidalnym rdzeniu typu POLFER RP 40x34x16. Uzwojenie pierwotne liczyło 2 x 3 zwoje a wtórne przy napięciu wyjściowym +-40V 2 x 13 zwojów. Uzwojenia pierwotne nawijałem jednoczesnie dwoma przewodami o średnicy 1mm, wtórne jednym przewodem o średnicy 1mm.
    Dokładny opis i schemat powinien być chyba na elektrodzie.
  • #12 566171
    _jta_
    Specjalista elektronik
    konstruktor napisał:
    Witam
    Robilem kiedyś taką przetwornicę do wzmacniacza samochodowego na podstawie artykułu z Praktycznego Elektronika 10/96 (2 x BUZ11A, SG3525). Transformator był wykonany na toroidalnym rdzeniu typu POLFER RP 40x34x16. Uzwojenie pierwotne liczyło 2 x 3 zwoje a wtórne przy napięciu wyjściowym +-40V 2 x 13 zwojów. Uzwojenia pierwotne nawijałem jednoczesnie dwoma przewodami o średnicy 1mm, wtórne jednym przewodem o średnicy 1mm.
    Dokładny opis i schemat powinien być chyba na elektrodzie.

    Czyli przekrój rdzenia 4cm^2 - prawie 3 razy większy, i przypuszczalnie ferryt, który
    nadawał się do 100kHz, i miał wysoką przenikalność (nie podałeś z którego ferrytu
    był ten rdzeń, POLFER wykonywał je z różnych)... skoro 2x3 zwoje wystarczyły
    z takim rdzeniem, to z rdzeniem od trafa WN powinno wystarczyć 2x33.
    Rdzeń od trafa WN nie nadaje się do dużych częstotliwości - ma małą oporność,
    i z tego powodu duże straty na prądy wirowe. Ma za to większą indukcję nasycenia,
    niż ferryty z których wykonywano rdzenie pierścieniowe.

    Co do grubości drutu mam drobne zastrzeżenie: chyba twoja przetwornica była na
    _dużo_ mniejszą moc: drut 1mm nie ma szans wytrzymać 30A, standardem jest
    8A/mm^2 dla pojedyńczych przewodów, poniżej 4A/mm^2 w uzwojeniach
    (chodzi o prąd skuteczny - więc jak płynie przez pół okresu to 1.4 raza więcej).
    Do tej przetwornicy powinno być 2.5mm w pierwotnym, 1.3mm we wtórnym.
  • #13 566192
    .Wiśnia
    Poziom 28  
    _jta_ napisał:


    Na schemacie widzę +40V i -40V (swoją drogą diody narysowane nie w tę stronę, nie
    pomyl się przy montażu, bo po paru sekundach wybuchną elektrolity), przetwornica daje
    przebieg prawie prostokątny, więc trzeba uzyskać nie 28.5, a 41.5V - przekładnia 1:3.5.

    Jeśli to ma być zasilane prądem 30A przy 12V, to pytanie, czy uda Ci się zmieścić te
    uzwojenia - pierwotne wypadałoby nawinąć drutem 2.5mm, i chociaż 2x60 zwojów, to
    zajmie 7.5 cm^2 bez liczenia odstępów, raczej nie uda się poniżej 10 cm^2 tak, żeby
    były małe pojemności, wtórne powinno zająć nieco więcej miejsca, jeśli przewidujesz,
    że możesz pobierać tylko +40V 9A, albo tylko -40V 9A przez dłuższy czas, a można je
    pewnie zmieścić w 9cm^2, jeśli chcesz ciągnąć po 4.5 A z +40V i z -40V (ale wtedy
    po co diody 5A, nominalny prąd diody to zwykle prąd wyprostowany, wystarczą 3A).

    Czyli pytanie: czy okno w rdzeniu ma chociaż 20 cm^2 (np. 4x5cm)?

    .


    patrz na schemat uwaznie moze zle zem kondziory wstawił ale cóz pomyłki sie zdazaja ... .i pomysl na wyjsciu jest + - 40 bo kondziory podbijaja o pierwiastek z 2 :D(podstawa) wiec z wyjscia z trafa mniej wiecej 28-30 V :D

    jaki jest ten rdzen ... to nie wiem dokładnie ... <nie mam go przy sobie jest w warsztacie :( )ale 20 cm^2 bankowo ... moze ma nawet 48cm^2 (6x8 cm)
    sory ze tak duzy plik ale nie umiem dzielic pdf :(...tu jest ta przetwornica o kótrej ktos tu wspominał .... ciekawi mnie jedno w niej ... diody schotkiego 3A/90v ? czemu tak małe ...ja bym potrzebował z wtórnego wycisnac conajmiej 5 A (zeby było jak cos w zapasie )a cale nawijanie nie jest wcale przystępnie opisane ... gubie sie .. jak w domu bez swiatła w nocy ;) i przy okazji uderzam głowa w mór...
    Załączniki:
  • #14 566553
    _jta_
    Specjalista elektronik
    DNBass napisał:
    patrz na schemat uwaznie moze zle zem kondziory wstawił ale cóz pomyłki się zdazaja ... .i pomysl na wyjsciu jest + - 40 bo kondziory podbijaja o pierwiastek z 2 :D(podstawa) wiec z wyjscia z trafa mniej wiecej 28-30 V :D

    Kondesatory podbijają napięcie, kiedy prostuje się sinusoidę, a tu będzie prostokąt.

    DNBass napisał:
    jaki jest ten rdzen ... to nie wiem dokładnie ... <nie mam go przy sobie jest w warsztacie :( )ale 20 cm^2 bankowo ... moze ma nawet 48cm^2 (6x8 cm)

    No to nie ma zmartwienia. Im większe okno, tym grubszy przewód zmieścisz, tym większy prąd
    można mieć z przetwornicy; im większy przekrój rdzenia, tym większy strumień magnetyczny
    przeniesie, i tym większe napięcie. Ferryt z trafa WN spokojnie przeniesie 100mT, jeśli rdzeń
    ma przekrój 1.5cm^2, to daje to 15uWb, przy 30kHz mogłoby wystarczyć 1.1 zwoju/wolt, więc
    wystarczyłoby uzwojenie pierwotne 2x13, wtórne 2x46, ale przzy małej ilości zwojów będą
    duże prądy na magnesowanie rdzenia, które spowodują dodatkowe straty mocy.
    (niestety rdzeń od trafa WN to nie jest rdzeń pierścieniowy o dużej przenikalności)

    Nie udało mi się znaleźć dokładniejszych danych BUZ11A, które stosujesz w swoim układzie,
    maksymalny prąd 25A (i miejmy nadzieję, że to średni albo skuteczny), napięcie 50V;
    nie wiem, czy ma wbudowaną diodę - jeśli nie, to trzeba dodać w układzie.

    DNBass napisał:
    diody schotkiego 3A/90v ? czemu tak małe ...ja bym potrzebował z wtórnego wycisnac conajmiej 5 A (zeby było jak cos w zapasie )

    Jak masz dwie diody 3A połączone równolegle, to w sumie możesz z nich wycisnąć 6A.
  • #16 567445
    _jta_
    Specjalista elektronik
    Dane rdzeni ferrytowych były kiedyś opublikowane w książce wydanej bodajże przez
    Ministerstwo Przemysłu Maszynowego; są też - dużo bardziej szczegółowe - w katalogu
    POLFER-u, tylko nie widzę tego w Internecie; samą książkę kiedyś miałem, i mam
    nadzieję jeszcze ją odnaleźć, z katalogu POLFER-u miałem część - zawierającą chyba
    tylko rdzenie pierścieniowe, bo takie kiedyś u nich kupowałem.
    Poza tym jeszcze katalog Philips "Soft ferrites" też zawiera sporo cennych informacji.

    Wzory opisujące parametry cewki są po prostu w podręczniku fizyki (przynajmniej
    były, jak ja się uczyłem w szkole).

    Informacja, że prąd katalogowy diody to prąd wyprostowany, a nie maksymalny, jest
    zwykle w katalogu - tam, gdzie opisane są oznaczenia.

    I jeszcze dwie uwagi co do tego transformatora:
    - tranzystor przewodząc prąd 30A daje spadek napięcia około 1.5V, więc na cewce
    będzie tylko 10.5V - przekładnia musi być co najmniej 1:4, jak chcesz uzyskać 40V
    po wyprostowaniu;
    - jeśli cewka uzwojenia pierwotnego będzie miała 33 zwoje, i popłynie przez nią 30A,
    a cewki będą rozdzielone, to dużo pola magnetycznego będzie omijać uzwojenie
    wtórne, co spowoduje spadek napięcia, i wygląda na to, że prawie do zera; trzeba
    postarać się o małą indukcyjność rozproszenia - podzielić cewki na kilka sekcji,
    i nawijać na zmianę sekcje uzwojenia pierwotnego i wtórnego; i chyba trzeba
    sprawdzić w katalogu, na jaką indukcję w rdzeniu jest on przeznaczony, może można
    sobie pozwolić na większą indukcję?

    Przeliczyłem sobie jeszcze raz sprawę indukcji rozproszenia, i wniosek taki:
    jeśli cewki są odrębne (jedna z jednej strony rdzenia, druga z drugiej), to suma
    strumienia magnetycznego użytecznego, i strumienia rozproszenia daje indukcję
    wewnątrz uzwojenia pierwotnego ponad 250mT, i to na pewno jest za dużo.

    I jeszcze jeden błąd do skorygowania: strumień magnetyczny w połówce okresu
    zmienia się nie od 0 do Bmax, a od -Bmax do +Bmax - czyli potrzeba 2x mniej
    zwojów, niż mi się wydawało. Absolutne minimum - żeby indukcja w rdzeniu przy
    30kHz nie była za duża - to 0.55 zwoja na wolt, czyli 2x7 zwojów. Ale nawet dla
    takiego uzwojenia prawie połowa strumienia magnetycznego się rozproszy przy
    obciążeniu dużym prądem, jeśli cewki będą odrębne.

    Liczenie rozproszenia dla odrębnych cewek: prąd w uzwojeniu (30A) * ilość zwojów (7)
    * przenikalność magnetyczna próżni (1.25uV*s/(A*m)) / długość cewki (4cm) daje
    około 6.6mT, i to jest indukcja w powietrzu wokół cewki, w rdzeniu kilkanaście razy
    więcej (można przyjąć tak: bierzesz powierzchnię rdzenia wewnątrz okna, to co jest
    zakryte cewką dzielisz przez 3, i wynik dzielisz przez przekrój rdzenia).

    Przyznam, że nie przewidywałem, że rozproszenie pola magnetycznego może aż tak
    wpływać na działanie transformatora. Ale robiłem przetwornice tylko małej mocy,
    dla nich za mało zwojów oznaczało nadmierne prądy i straty mocy.

    Aha, jeszcze jedno: wydaje mi się, że wykonywanie i obliczanie uzwojeń powinno być
    dość dokładnie opisane w "Poradniku radio- i teletechnika", PWT, Warszawa 1959.
    Tablice materiałowe są w tomie A, elementy (więc chyba i cewki) w B.
    Tylko nie bardzo wiem, gdzie tę książkę znaleźć, w jakiej bibliotece to mają.
  • #17 567465
    .Wiśnia
    Poziom 28  
    8O normalnie nie wiem co powiedziec chyba bede musiał sie przejsc do dawnej szkoły by mi ktos to wytłumaczył bo niezbyt kumam :(
  • #18 569824
    _jta_
    Specjalista elektronik
    Znalazłem ten informator Ministerstwa Przemysłu Maszynowego, i wrzucam jako załączniki to, co dotyczy tego trafa.
    A w "Poradniku radio- i teletechnika" jest 58 stron o cewkach - trochę za dużo, żeby to tu wrzucać, zwłaszcza że o takich
    problemach, jak indukcyjność rozproszenia w transformatorze, jest tam nie za dużo, a jak ją zmniejszyć - nic.
    Jeszcze tylko jedna uwaga: w przewodzie 2.5mm przy częstotliwości 30kHz będzie duży efekt naskórkowości
    - myślę, że ma sens użycie 6-7 przewodów 1mm, żeby go zmniejszyć; te przewody nie powinny się stykać.
  • #19 577257
    .Wiśnia
    Poziom 28  
    dzieki za opis... :) udało mi sie nawinac ale teraz robie na trafkach z zasilaczy atx bo dosłałem sporo spalonych zasilaczy od komóp na szczescie trafka sa z odczepami na srodku uzwojenia pierwotnego przez co da sie zrobic przetwornice jednotaktowa .... wiesz moze jaka bedzie sprawnosc takiego trafka bo kij wie jak to jest do konca ale mi sie zadaje ze wysoba zreszta nie :) pozdro
  • #20 577938
    _jta_
    Specjalista elektronik
    Przetwornice jednotaktowe, jeśli są zastosowane do dostarczania takiego napięcia,
    na jakie są zaprojektowane, mają zwykle wysoką sprawność (zastosowane do
    ładowania kondensatora od zera mają sprawność poniżej 50%, do tego się nie nadają).

    To, że sprawność nie jest 100%, wynika ze strat, wiem o takich:
    - napięcie nasycenia tranzystorów (jak jest 1V, a zasilanie 12V, to 9% strat)
    - rezystancja uzwojeń (przy 30A np. 10miliomów daje 0.3V - czyli 3% strat)
    - indukcyjność rozproszenia między uzwojeniami pierwotnymi - energia, która
    się w niej gromadzi, jest tracona bezużytecznie; nie wiem, ile tego może być;
    - reszta energii magazynowanej w indukcyjności uzwojeń jest odzyskiwana, ale
    tylko częściowo - może z 90% - kiedy prąd płynie przez tranzystor w odwrotną
    stronę (ma to miejsce po wyłączeniu drugiego tranzystora);
    - spadek napięcia na diodach prostujących (powiedzmy 0.8V z 40 - to 2%).

    Jak z tego widać, łatwo o nawet kilkanaście procent strat.
  • #21 600449
    fantom
    Poziom 31  
    Ja do tych strat , bo zawsze wydawalo mi sie ze straty mocy wynikaja ze strat...mocy a nie napiecia.Inna sprawa ze oczywiscie napiecie tez tu soba duzo wnosi ale nie samo lecz razem z pradem.Co do strat w kluczach to nie tylko straty wynikajace z nasycenia (statyczne) ale takze dynamiczne podczas przelaczania kluczy.Ogolnie niezla dawka info na temat przetwornic i nawijania trafo.Pozdrowienia.
  • #22 602135
    _jta_
    Specjalista elektronik
    Jeśli traci się np. 20% napięcia (np. na napięciu nasycenia tranzystorów, oporności przewodów), to 20% mocy też.
    A oprócz tego są straty mocy na przeładowywanie pojemności - chyba że odzyskuje się energię (układ rezonansowy),
    i są to straty prądu, który jest pobierany nawet przy braku obciążenia na wyjściu.
  • #23 602150
    fantom
    Poziom 31  
    A propos masz jakis schemacik takiej przetwornicy rezonansowej ? Slyszalem cos o tym ale nie widzialem jak to wyglada i czemu w takim razie nie jest stosowane jesli ogranicza straty mocy ? Pewnie jest problem z utrzymaniem rezonansu a przez to bardziej skomplikowane sterowanie.I jeszcze odnosnie rdzenia bo napisales ze wielkosc rdzenia jest okreslona dopusczalna wartoscia strumienia ale czy nie jest przypadkiem tak (tylko sie pytam :lol: ) ze okresla go moc wyzwalana w rdzeniu ? No bo naprzyklad dla wiekszych czestotliwosci mozna przy tych samych rozmiarach podac na trafo wiekszy prad a wiec strumien jest rowniez wiekszy tyle ze w przypadku usrednienia w krotszym czasie otrzymujemy ten sam poziom mocy.Oczywiscie nie mowie tu o mocy elektrycznej a magnetycznej.Czy cos przemycilem ?
  • #24 626226
    Buszra
    Poziom 14  
    A jak obliczyć transformator jednotaktowy do zasilania lamp halogenowych. Tr jest zasilany dwoma tranzystorami przez kondensatory (fabryczne są nawinięte na pierścieniowym rdzeniu) jedno uzwojenie zasilane z sieci, chciał bym taki wykonać na rdzeniu EI 20kHz. Sterować tranzystory wyjściowe osobnym generatorem przez mniejszy Tr pierścieniowy. Potrzebuje zasilacza z kilkoma napięciami wyjściowymi. Myślałem o przerobieniu zasilacza komputerowego ale jest za duży gabarytowo. W nim jest rdzeń EE. Brakuje mi w nim jeszcze dwóch napięć.
  • #25 627590
    _jta_
    Specjalista elektronik
    Jest takie trafo gotowe - jako elektroniczny transformator do halogenów - częstotliwość
    50kHz, napięcie skuteczne na wyjściu 12V, moc 70W bez radiatora (taki sam układ, ale
    z małymi radiatorkami przy tranzystorach mocy jest w transformatorze 105W).
    Nie pamiętam, jakie parametry transformatora - musiałbym chyba to rozkręcić i zobaczyć...
  • #26 627808
    Buszra
    Poziom 14  
    Rozkęciłem takie cudo. Na wyjściu jest rdzeń pierścieniowy układ jednotaktowy sterowanie tranzystorów odbywa śię w rezonansie poprzez mały pierścionek 2 uzwojenia po 4zwoje odwrócone w fazie drut z uzwojenia wtórnego jest przewleczony przez ten mały pierścień nie cały zwój który wzbódza sterowanie. Ale przetwornica startuje powyżej 20W obciążenia. Po zatym otwór w Tr wyj jest bardzo mały i wypełniony uzwojeniami na pełno. Znalazłem schemat zasilacza od komputera AT. Nie wiem na jakiej częstotliwości to pracuje. Muszę przewinać uzwojenia wtórne żeby mieć wyrównane obciążenia (większe -12 i -5). Potrzebuje jeszcze inne większe napięcia i zastanawiam się jak by podłączyć pod napiecie 12V drugi transformator i na nim nawinąć resztę uzwojeń najlepiej jak by to był od WN. Może się okazać, że częstotliwosci rdzeni nie będą pasowały. Generator w komputerowym jest zrobiony na scalaku KIA494 wystarczy zmienić kondensator, żeby zmniejszyć częstotliwość. Jeżeli zmniejszę 2 razy to uzwojenie pierwotne muszę zwiekszyć również 2 razy czy tak? Nie bardzo rozumiem ta stałą magnetyczną. Nawijam kilka zwoji podączam, mierzę napięcie i prąd i co dalej, jak to liczyć?
  • #27 628206
    _jta_
    Specjalista elektronik
    Jeśli zmniejszasz częstotliwość np. 2x, to tak samo (czyli 2x) zmniejszasz napięcie na jeden zwój.

    Ogólna zasada dla wszystkich rdzeni: całka po czasie z napięcia (przypadającego na jeden zwój
    - czyli podzielonego przez ilość zwojów) nie może przekroczyć pewnej wartości charakterystycznej
    dla danego rdzenia, orientacyjnie jest to przekrój rdzenia * 100-200mT (zależnie od materiału).

    Przykład: rdzeń pierścieniowy o średnicy zewnętrznej 10mm, wewnętrznej 6mm, wysokości 3mm
    (Polfer RP 10x6x3), przekrój jest 6mm^2, lepiej nie przekraczać 100mT, czyli ta stała jest równa
    600nWb = 600nV*s; jeśli mamy częstotliwość 50kHz, to półokres jest 10us, a całkujemy napięcie
    po 5us (przez 5us strumień magnetyczny rośnie od 0 do 600nWb, potem zmienia się kierunek
    napięcia, strumień maleje od 600 do -600nWb w ciągo 10us, potem znowu zmienia się kierunek
    napięcia i strumień rośnie od -600 do 600nWb - całka z napięcia cały czas mieści się w zakresie
    od -600 do +600 nV*s); 600nV*s/5us=0.12V - takie napięcie może być na 1 zwój, na 12V 100 zwojów.

    Jeśli taka ilość zwojów z jakiegoś powodu jest dla nas za duża, to trzeba wziąć większy rdzeń -
    na RP 20x12x6 może być 25 zwojów na 12V, a na RP 40x24x16 5 zwojów wystarczy na 12.8V.
  • #28 628589
    Buszra
    Poziom 14  
    Mam wzór na wyznaczanie indukcyjności L=AL.*n^2. Teoretycznie jeżeli przyjmiemy 50uH i mamy rdzeń przykładowo AL - 40 nH/n^2 to:

    Z = pierwiastek z 50000nH podzielone przez wartość AL. Daje nam 35 zw.

    Jak wyznaczyć stałą magnetyczną jeżeli mam dane napięcie i prąd bo z tego wzoru można by też obliczyć ale nie mam miernika indukcyjności.

    Jaką indukcyjność ma mieć uzwojenie pierwotne dla 325V napięcia 25kHz
  • #29 630141
    _jta_
    Specjalista elektronik
    W przetwornicy jednotaktowej w czasie, gdy tranzystor jest włączony, oprócz prądu,
    który bierze udział w tworzeniu prądu w uzwojeniu wtórnym (to jest prąd użyteczny)
    płynie jeszcze dodatkowy prąd - pasożytniczy. Maksymalna jego wartość w stanie
    ustalonym to U/(4*f*L), i ma on kształt trójkąta - więc średnia wartość to U/(8*f*L).

    Ten prąd powoduje magazynowanie się energii w uzwojeniu, i choć duża jej część
    jest odzyskiwana, to jednak są jakieś straty - część tej energii wydziela sie
    w tranzystorach mocy, i je podgrzewa; są również straty na grzanie uzwojenia.

    Trzeba ustalić, jaką wartość tego prądu się dopuszcza, i do tego dobrać indukcyjność.

    Co do stałej AL rdzenia - jeśli wiadomo, jaki to rdzeń, to sprawdzić w katalogu.
    Jeśli nie - pozostaje jakoś zmierzyć indukcyjność, np. zrobić obwód rezonansowy,
    generator, i spróbować do niego dostroić radio - i wtedy wszystko poobliczać.
  • #30 630902
    Buszra
    Poziom 14  
    Odnośnie Twojej poprzedniej wypowiedzi.
    Rdzeń od komputera ma 1.3 cm^2 i przenosi 200W nie wiem na jakiej częstotliwości pracuje (może wiesz) załużmy 50kHz i weźmiemy rdzeń od WN ze względu na ten rdzeń obniżymy częstotliwość 2 razy a przekrój zwiekszymy o ^2 powierzchni to liczba zwoi pozostanie ta sama?

    A jak wygląda sprawa z przetwornicą dwutaktową, jaka jest różnica w obliczeniach.
REKLAMA