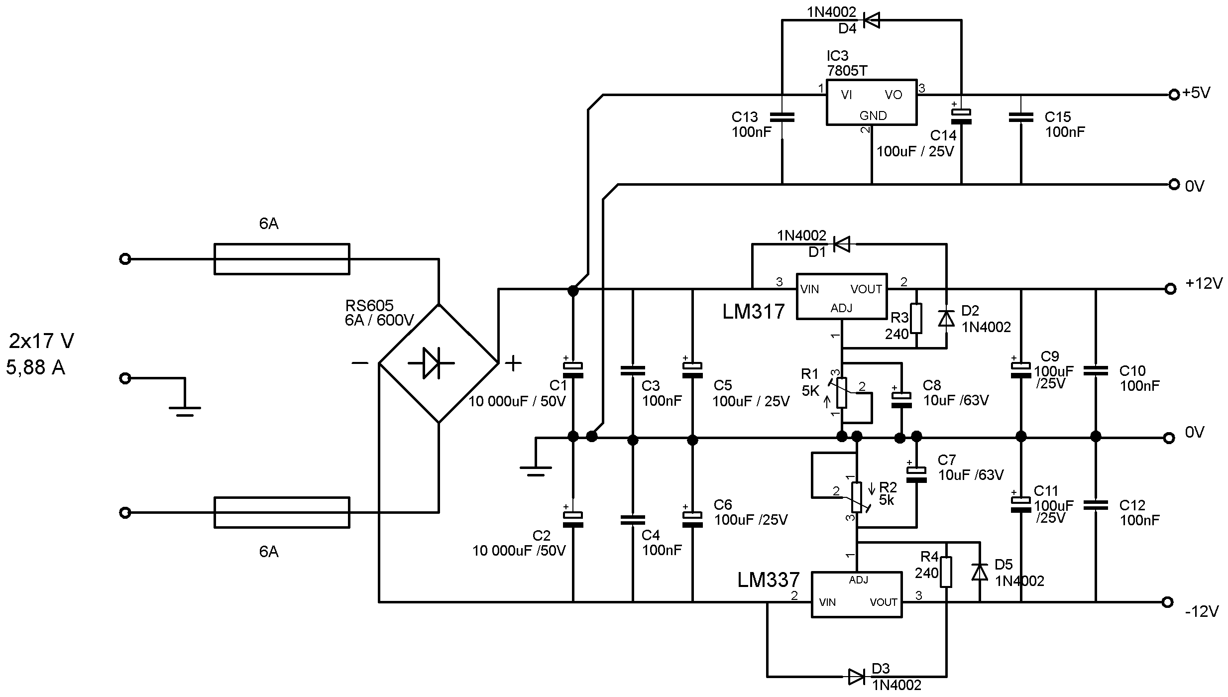
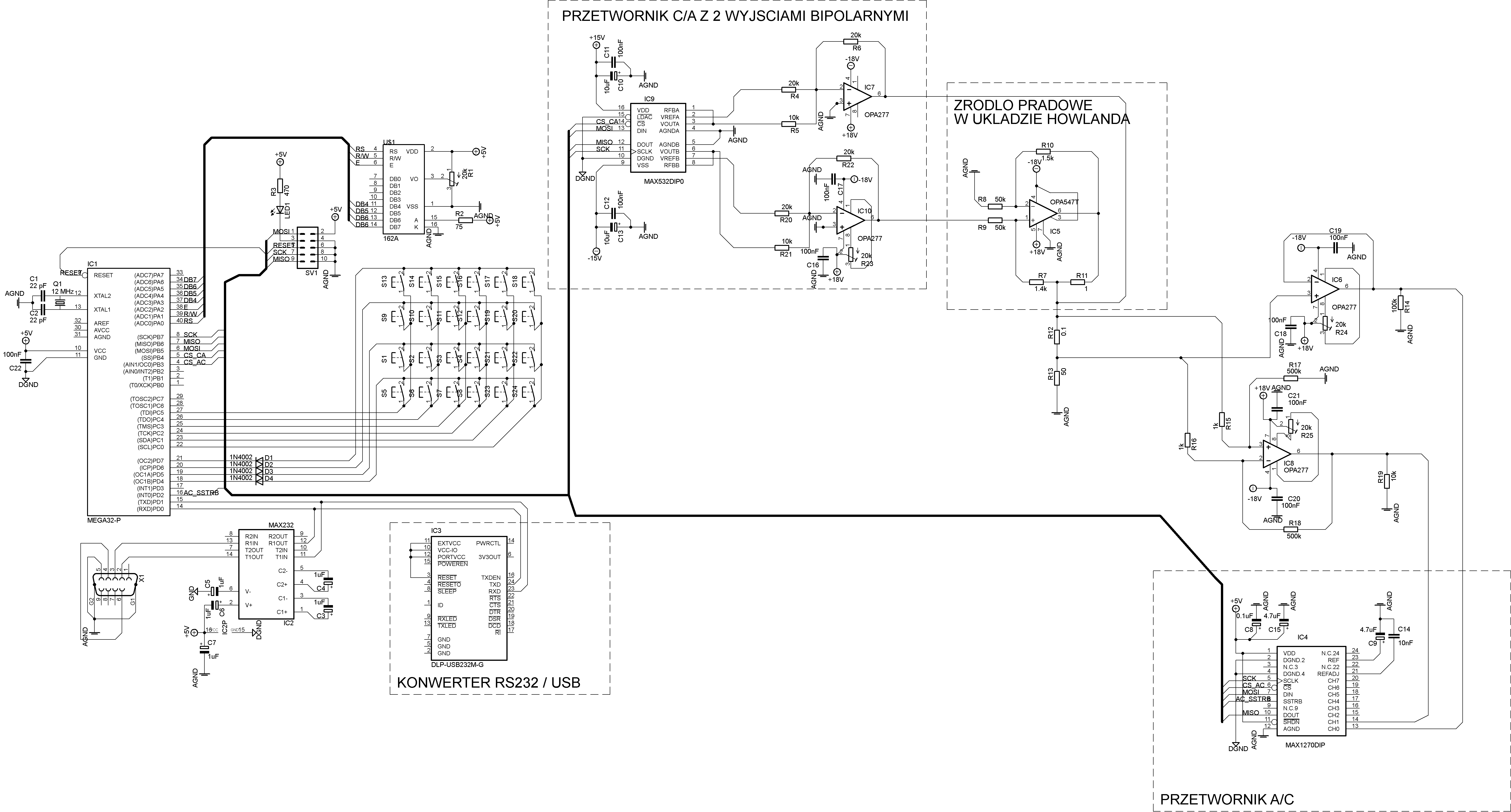
Witam, pragnę pochwalić się swoim skromnym projektem. Jednocześnie chciałbym poznać Wasze komentarze i uwagi co można w nim poprawić. Jest to układ do wyznaczania charakterystyk prądowo - napięciowych dowolnych dwójników, zwany charakterografem. a uzyskane przebiegi ma prezentować zarówno na ekranie oscyloskopu jak i poprzez interfejs RS232 lub USB na komputerze. Poniżej prezentuję schemat blokowy, ideowy jak i schemat zasilania układu.
Schemat blokowy:
Schemat ideowy:
Zasilanie:
Pozdrawiam
Schemat blokowy:
Schemat ideowy:
Zasilanie:
Pozdrawiam
