Witam
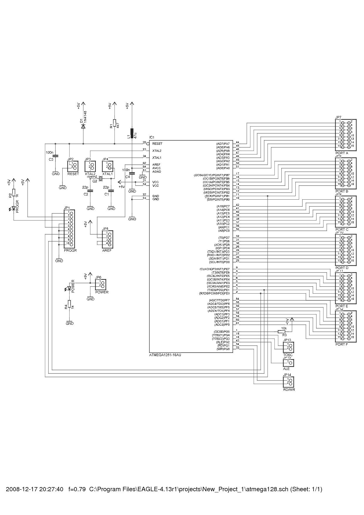
Jestem w trakcie robienia przejsciówki do podłączena atmega128 do zestawu uruchomieniowego. Na przejsciówce znajduje się wyprowadzenia na goldpinach do programatora ISP oraz wszystkich pinów uC.
Mam tylko następujące pytania:
1. Czy reset jest rozwiązany tak że gwarantuje w miare pewne resetowanie uC?
2. Jaką częstotliwość ma rezonator wewenętrzny w atmega128?
3. Dlaczego w niektórych rozwiązania jakie widziałem do atmega128 podłącza się kwarc 14.745MHz zamiast maksymalne 16MHz. Jakie są zalety obniżenia maksymalnej częst.? Domyslam się że wraz ze zmniejszeniem częstotliwości spadają straty na przełączaniu a co za tym idzie mniejsza temperatura i pobór prądu. Czy są jeszcze jakies zalety zmniejszania fmax?
4. Czy jest jakikolwiek sens wyprowadzać nózke 1 PEN na poldpina? Czy może to mieć jakies zastosowanie? Czy wystarczy ją na stałe podpiąć do zasilania przez rezystor 10k.
5. Czy bede mógł wykorzystywać wej/wyj podłączone do programatora? Czy w moim rozwiązaniu bede mógł o nich zapomnieć?
Domyślam się że te pytania mogą być idiotyczne ale jestem początkującym a nie chciałem zamieszczać tego postu w dziale dla początkujących.
Przy okazji chciałem jeszcze zapytać o złącze centronix. Mianowicie bede budował programator wg tego schematu:
http://www.lancos.com/e2p/avrisp-stk200.gif
Ponieważ mam juz kabel i złącze centornix chciałem je wykorzystać poprzez zamiane pinów zgodnie z tym:
http://www.hardwarebook.info/Printer
Chodzi mi o to czy naprawdę centronix od LPT różni się tylko wyprowadzeniami i bedzie bez problemu działać z tym programatorem?
Z góry dziekuje za nawet częsciowe odpowiedzi i wszelkie sugestie co do poprawienia schematu.
Jestem w trakcie robienia przejsciówki do podłączena atmega128 do zestawu uruchomieniowego. Na przejsciówce znajduje się wyprowadzenia na goldpinach do programatora ISP oraz wszystkich pinów uC.
Mam tylko następujące pytania:
1. Czy reset jest rozwiązany tak że gwarantuje w miare pewne resetowanie uC?
2. Jaką częstotliwość ma rezonator wewenętrzny w atmega128?
3. Dlaczego w niektórych rozwiązania jakie widziałem do atmega128 podłącza się kwarc 14.745MHz zamiast maksymalne 16MHz. Jakie są zalety obniżenia maksymalnej częst.? Domyslam się że wraz ze zmniejszeniem częstotliwości spadają straty na przełączaniu a co za tym idzie mniejsza temperatura i pobór prądu. Czy są jeszcze jakies zalety zmniejszania fmax?
4. Czy jest jakikolwiek sens wyprowadzać nózke 1 PEN na poldpina? Czy może to mieć jakies zastosowanie? Czy wystarczy ją na stałe podpiąć do zasilania przez rezystor 10k.
5. Czy bede mógł wykorzystywać wej/wyj podłączone do programatora? Czy w moim rozwiązaniu bede mógł o nich zapomnieć?
Domyślam się że te pytania mogą być idiotyczne ale jestem początkującym a nie chciałem zamieszczać tego postu w dziale dla początkujących.
Przy okazji chciałem jeszcze zapytać o złącze centronix. Mianowicie bede budował programator wg tego schematu:
http://www.lancos.com/e2p/avrisp-stk200.gif
Ponieważ mam juz kabel i złącze centornix chciałem je wykorzystać poprzez zamiane pinów zgodnie z tym:
http://www.hardwarebook.info/Printer
Chodzi mi o to czy naprawdę centronix od LPT różni się tylko wyprowadzeniami i bedzie bez problemu działać z tym programatorem?
Z góry dziekuje za nawet częsciowe odpowiedzi i wszelkie sugestie co do poprawienia schematu.
