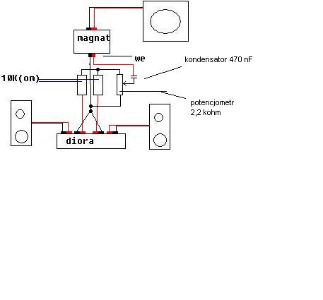
Witam, posiadam wzmacniacz 4 kanałowy. Chciał bym podłączyć jeden głośnik niskotonowy służący jako subwoofer pasywny. Chodzi mi o to, że chcę ten głośnik podłączyć do dwóch kanałów niskich częstotliwości, ale nie tracąc dźwięku stereo, tak jak np. w głośnikach 2.1. Jest taka możliwość podłączenia za pomocą jakiś tranzystorów, czy układów scalonych?
