logo elektroda
logo elektroda
X
logo elektroda
REKLAMA
REKLAMA
Adblock/uBlockOrigin/AdGuard mogą powodować znikanie niektórych postów z powodu nowej reguły.

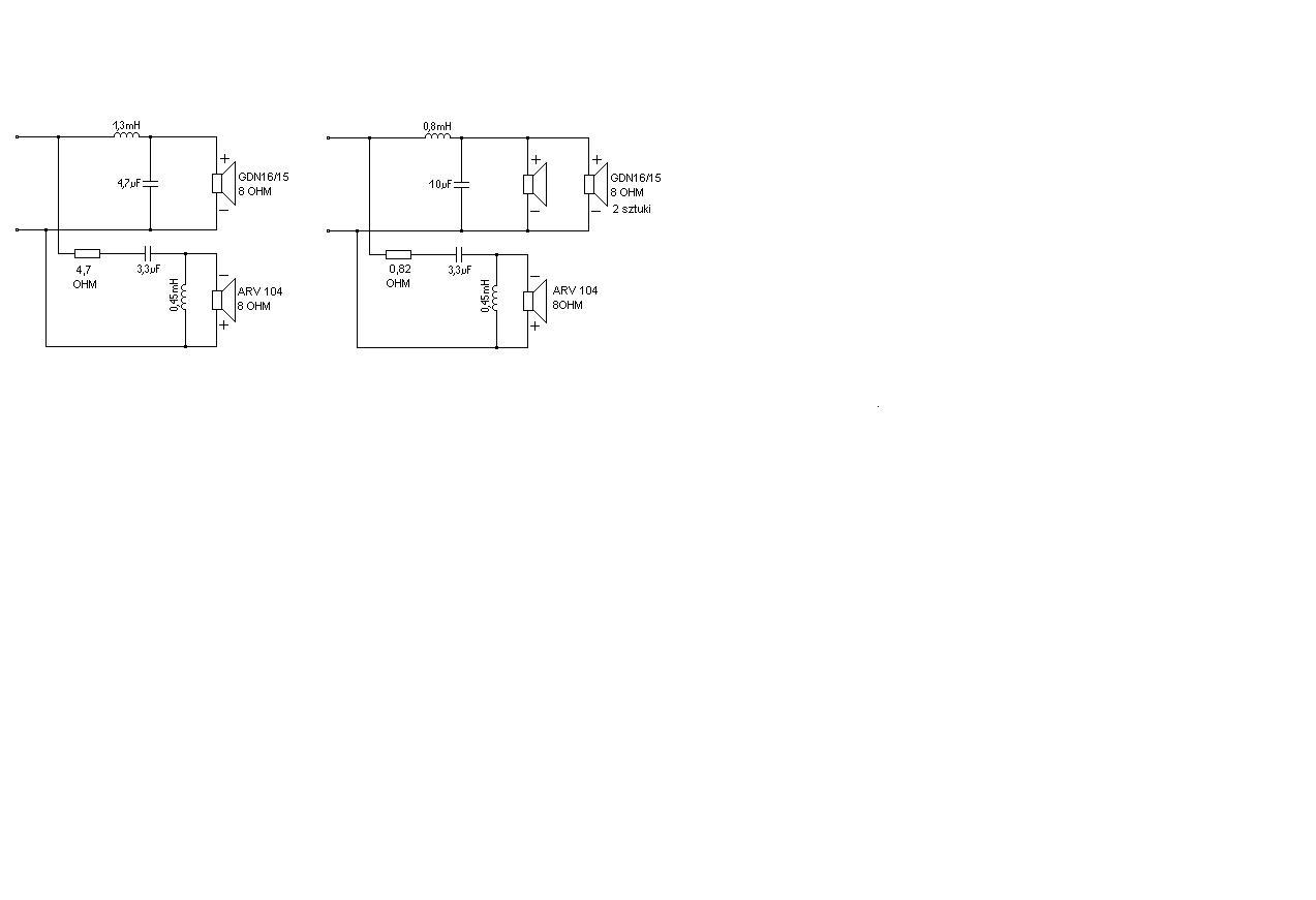
Zwrotnica 2xgdn 16/15/8 +ARV-104-64/8 pomocy

pp7508 22 Gru 2008 18:53 1222 3
REKLAMA
  • #1 5891042
    pp7508
    Poziom 2  
    Witam mam 4 GDN 16/15 zostały wymienione cewki na 50w i wymyśliłem sobie że zrobię z nich
    centralny 2xGDN 16/15/8+ARV104-64/8
    monitory GDN 16/15/8+ARV104-64/4
    i tu problem nigdzie nie mogę znaleść schematów zwrotnic dla tej konfiguracji i tu proszę o pomoc.
  • REKLAMA
  • REKLAMA
  • #3 5978153
    pp7508
    Poziom 2  
    nie do końca tak centralny i satelity 6ohm
REKLAMA